Friday, April 19th, 2019 AT 7:10 PM
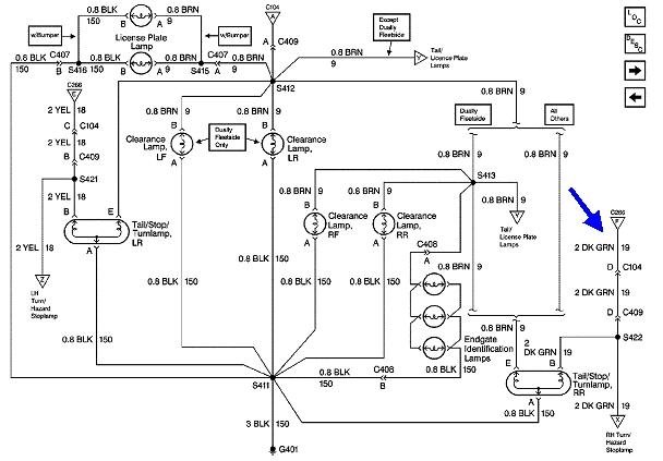
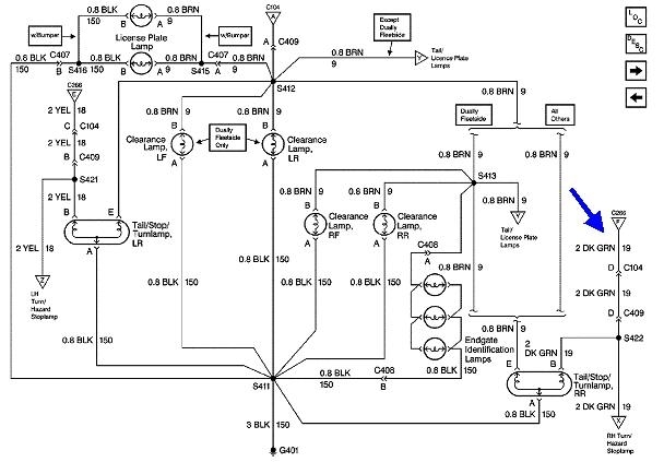
I have replaced the circuit board, the bulbs, switch under the dash and triple checked all my fuses and still can't get the right turn signal or brake to light up. I took the right light and put on the left side and it worked but nothing on the right side. It has its days where it work and days it wont. Any ideas on how to fix this issue? Any diagrams on how to run straight wires from the right front blinker to the back right blinkers for it all to work?


