Right signal light does not work

Tiny
KATHIE GUNDLACH
  • MEMBER
  • 2008 CHEVROLET EQUINOX
  • 3.5L
  • 6 CYL
  • 2WD
  • AUTOMATIC
  • 154,000 MILES
My right turn signal doesn't work. Have checked all fuses and bulbs. The emergency flasher lights work fine.
How do I know if I need a new turn signal switch or could it be the relay?
Saturday, September 26th, 2020 AT 10:38 PM

3 Replies

Tiny
STEVE W.
  • MECHANIC
  • 15,698 POSTS
Is this a front or rear light that isn't working or both? You say it does work with the hazards but doesn't work when using the switch correct? If it works on one end but not the other it isn't the switch. If it doesn't work at either end but the hazards do then it is more likely the switch.
Was this
answer
helpful?
Yes
No
+1
Sunday, September 27th, 2020 AT 6:48 AM
Tiny
KATHIE GUNDLACH
  • MEMBER
  • 2 POSTS
Yes sir, the hazards work, but the signal doesn't work front or back and it is on the driver's side.
Was this
answer
helpful?
Yes
No
+1
Sunday, September 27th, 2020 AT 3:28 PM
Tiny
STEVE W.
  • MECHANIC
  • 15,698 POSTS
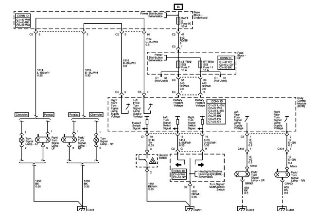
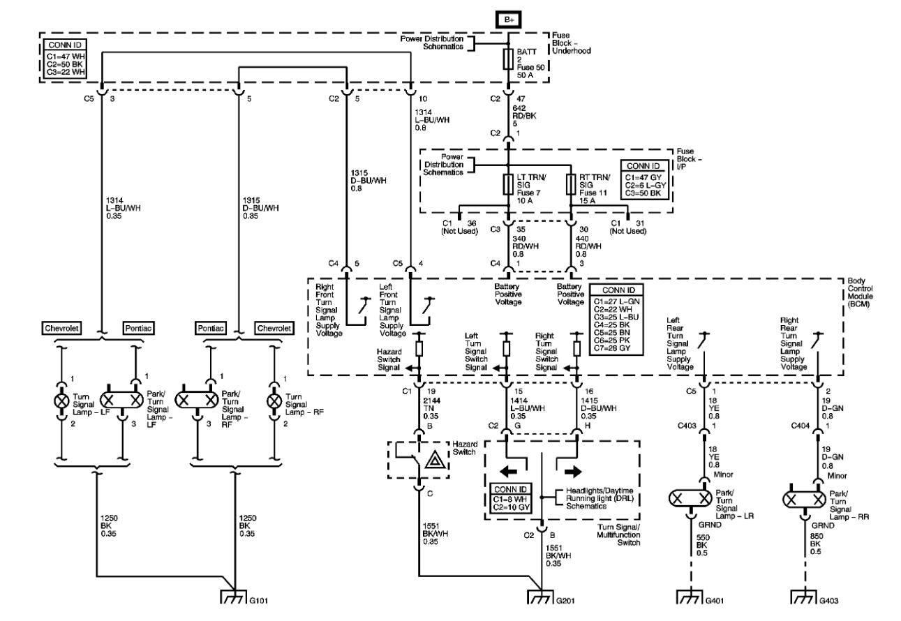
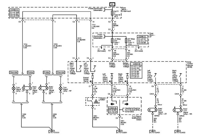
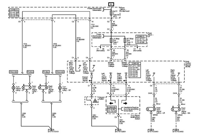
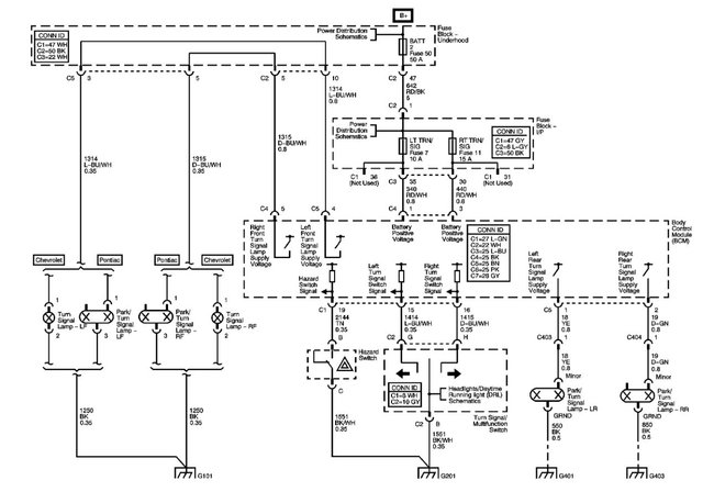
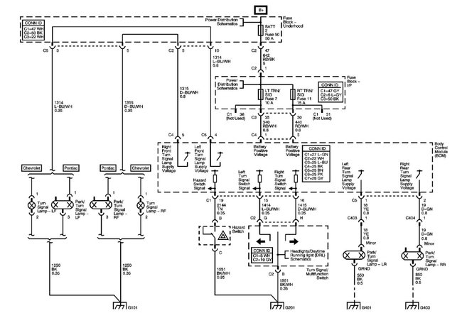
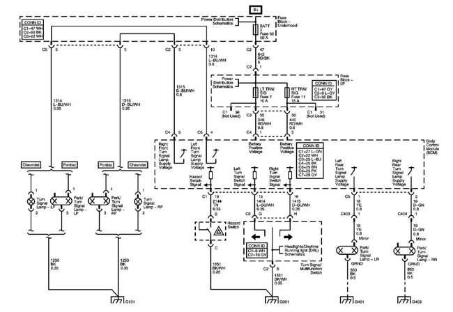
Okay, that points to either the switch or the body control module having a bad input from the switch. The easiest way to test it would be to remove the steering column covers and get to the wiring connector for the switch. The switch simply grounds either the left or right input to the body module. If you were to ground the input to the left turn signal (the light blue wire with white stripe) and they start working the issue is in the switch. If they don't work then the body module is the suspect part. The switch is a plug and play item, the body module isn't. It requires programming to work.
Was this
answer
helpful?
Yes
No
Sunday, September 27th, 2020 AT 5:17 PM

Please login or register to post a reply.