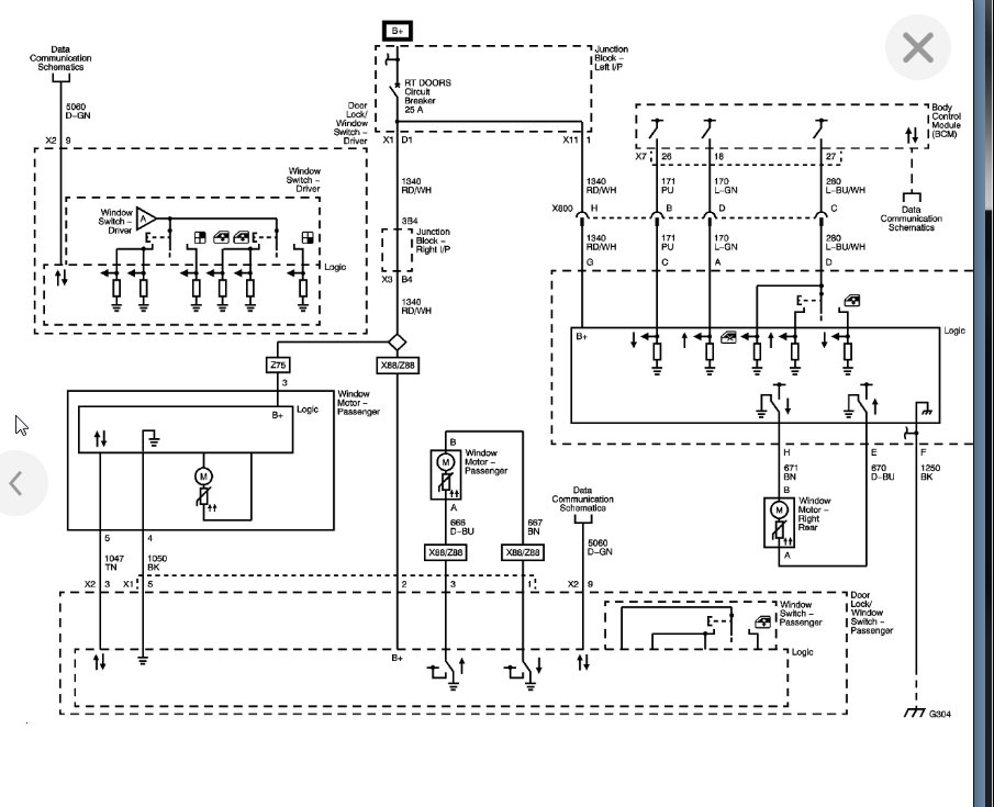
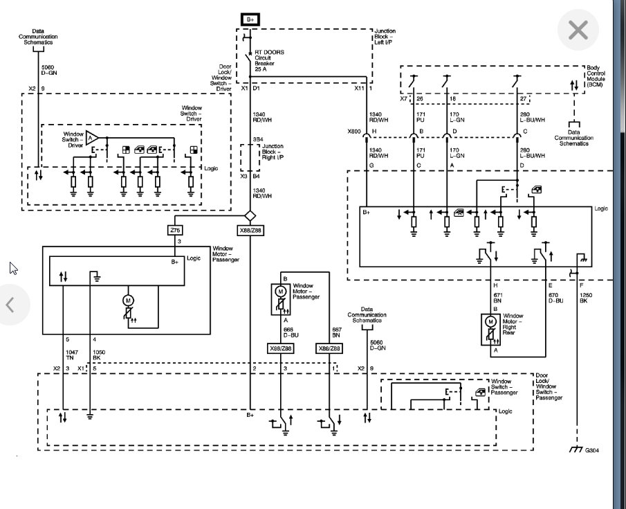
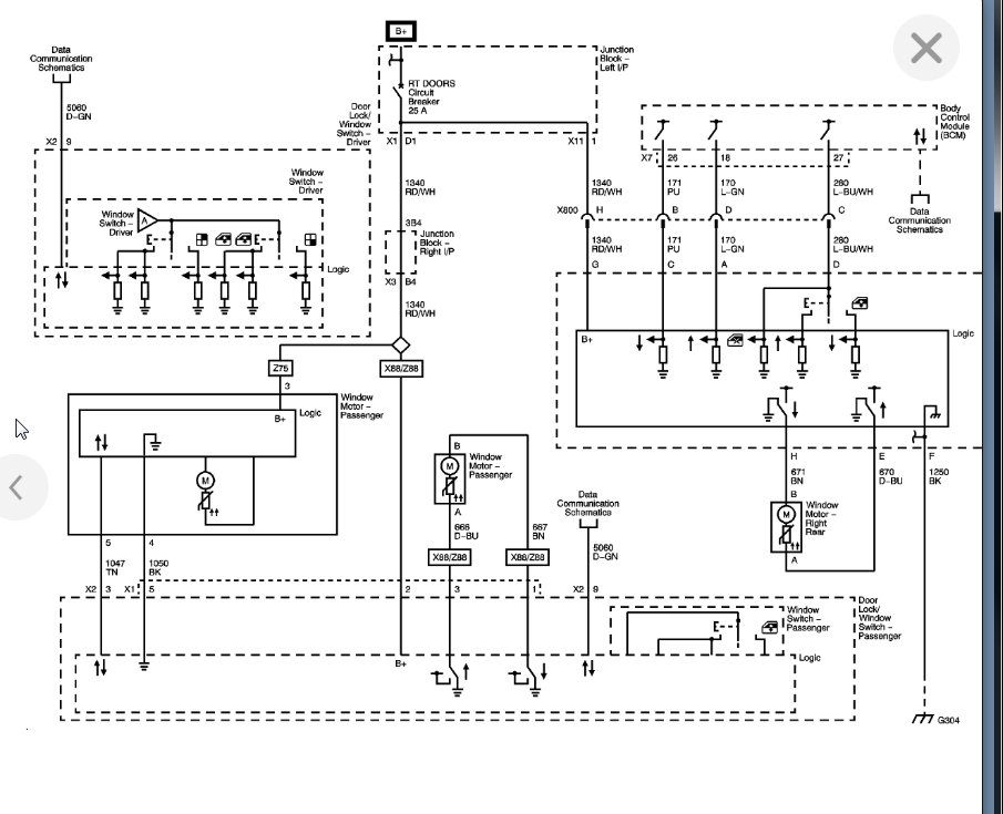
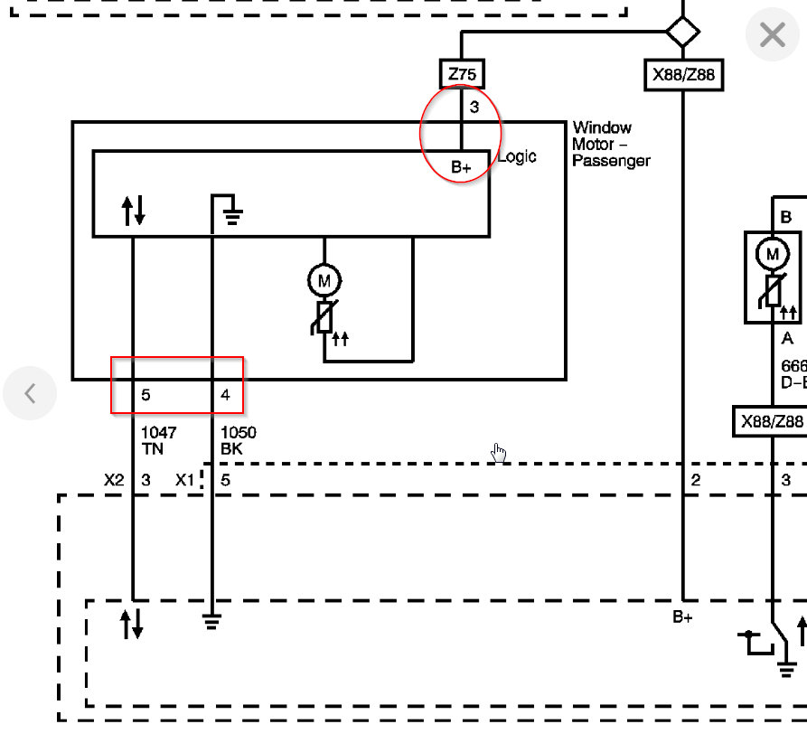
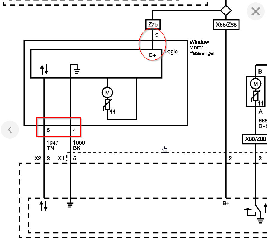
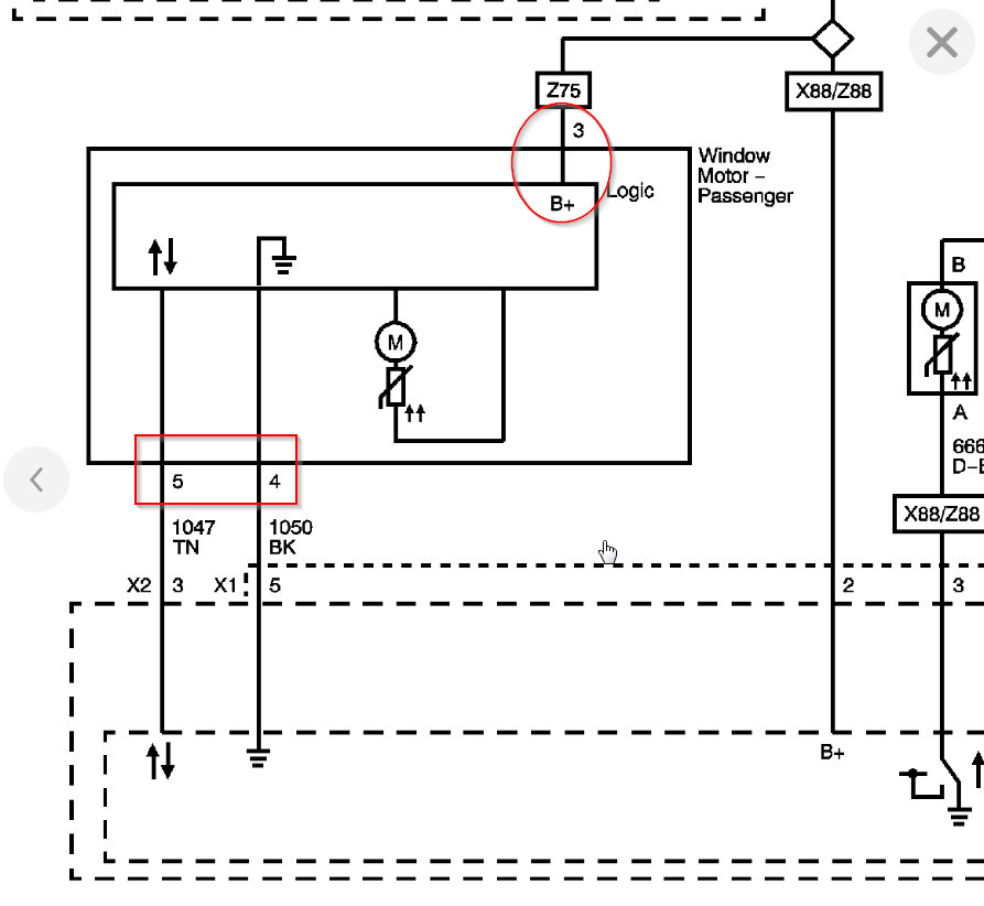
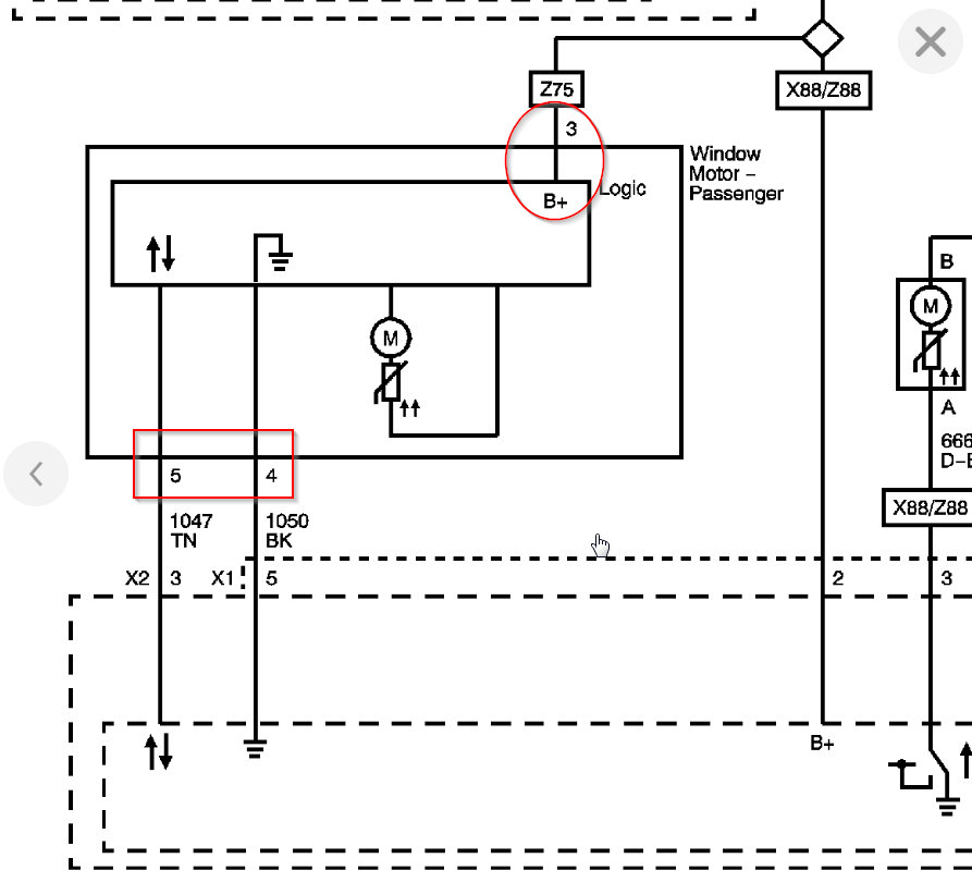
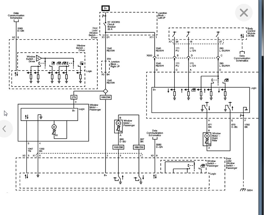
Saturday, December 21st, 2019 AT 5:43 PM
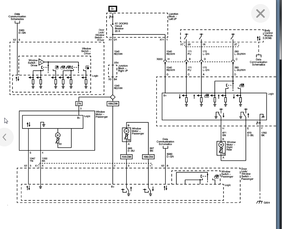
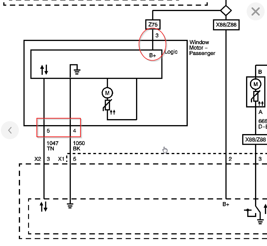
Passenger window does not go up or down will not lock with switch control from drivers side or passenger. I replace the switch on right side and still nothing.


