Thursday, March 21st, 2019 AT 8:16 AM
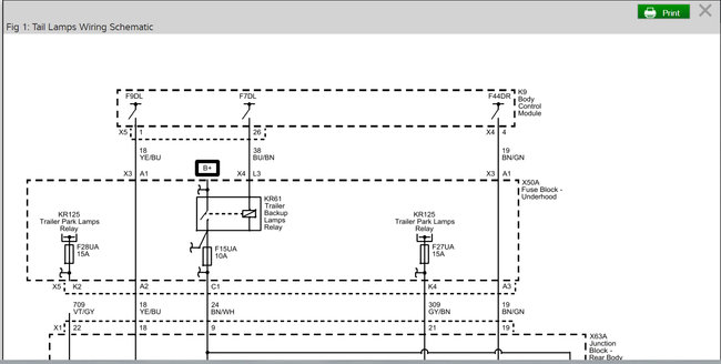
Right turn signal will blink normal three to four times then will begin blinking fast (as if one of the bulbs were out), and a message pops up on my dash display saying that the right rear turn indicator failed. This happens more often than not; meaning there are a few times where the right turn signal will work properly. There have been a few times that I was at a stop when this problem has happened and got out to check if any of the bulbs were not working, but all them were each time. I finally switched out the turn signal bulb in the right rear lens to see if perhaps it was a defective bulb, but the problem still exists. I've had the truck for about two years now and this just started a couple of months ago. Not sure what changed or what my next troubleshooting step would be. Any help would be appreciated.












