Friday, October 9th, 2020 AT 9:20 AM
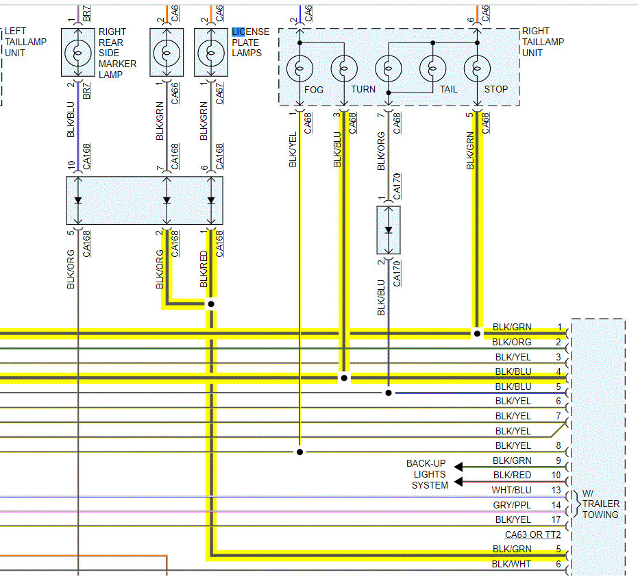
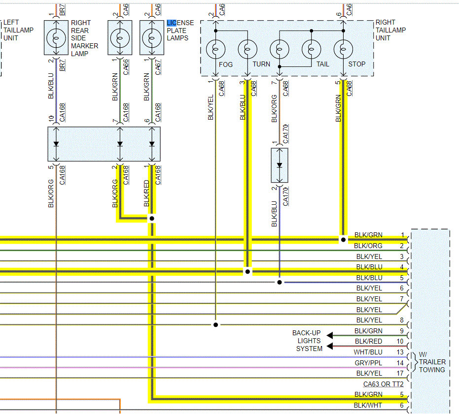
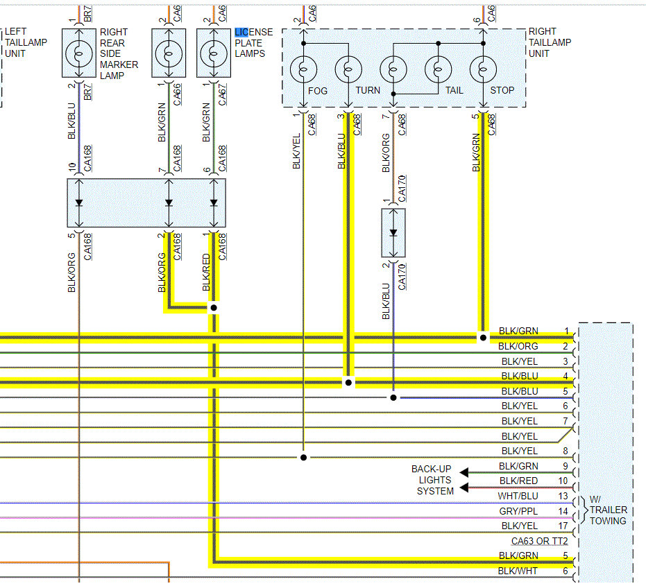
The brake light when stopping goes off, when I turn blinker on right upper turn signal and backup lights and license light and driver side blinked and back up light blinked. When operating drivers side taillight only works perfect.


