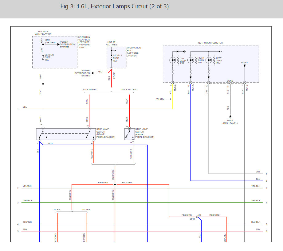
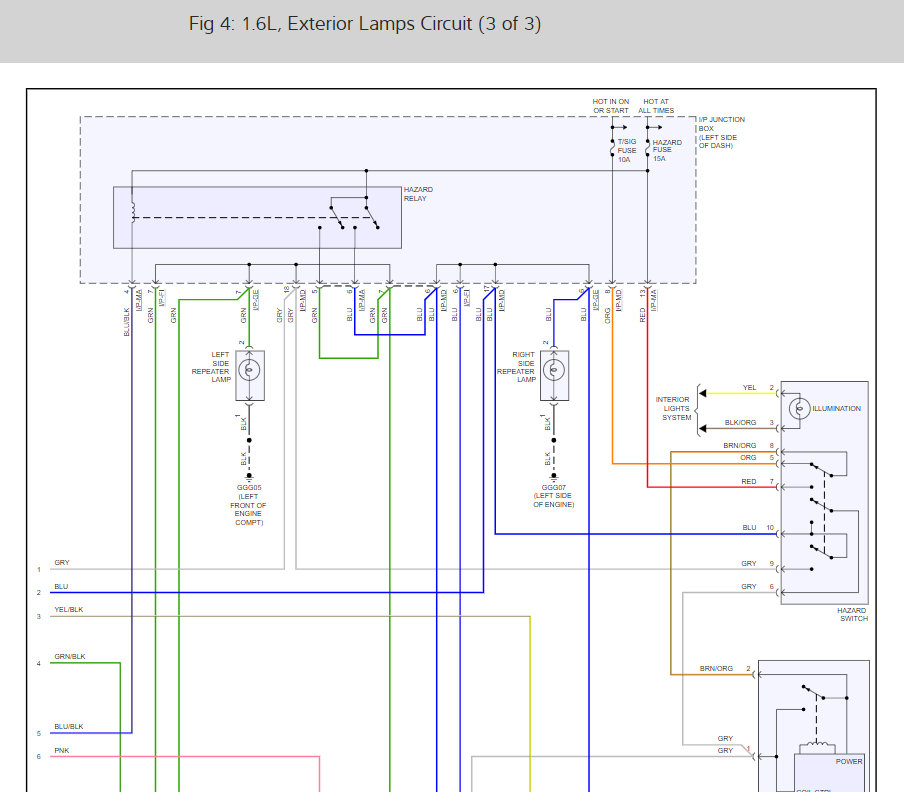
Friday, August 9th, 2019 AT 11:51 AM
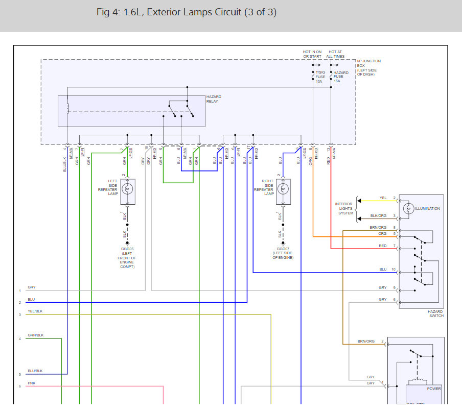
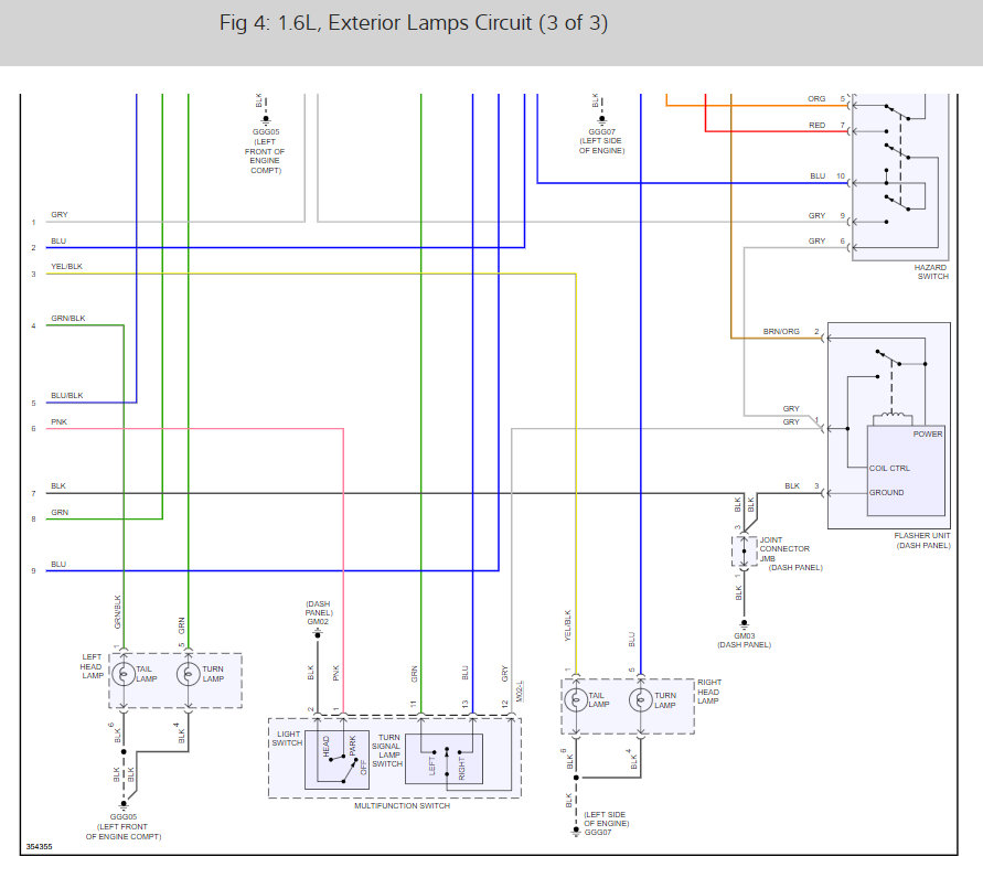
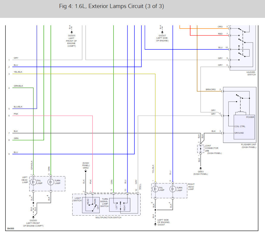
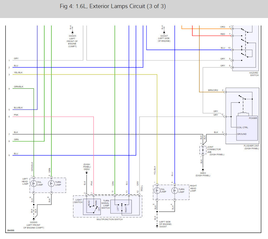
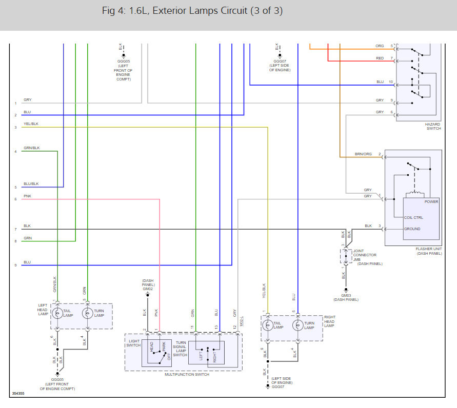
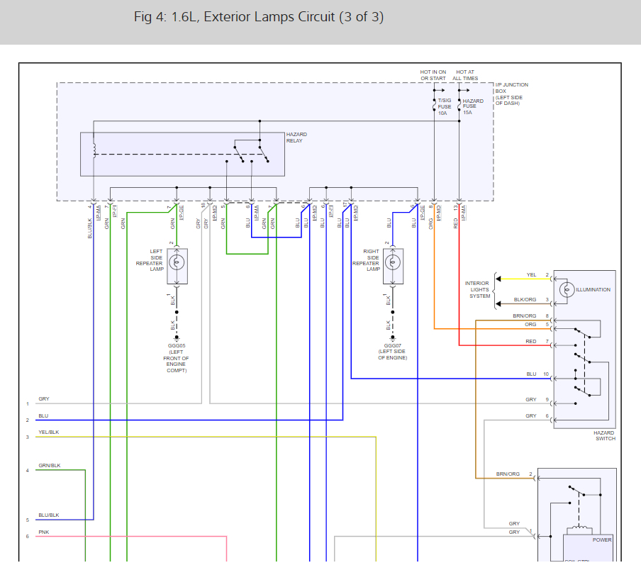
I live in Texas and the right blinker randomly stops working when it is hot outside. This starts in the Spring time and stops when it starts getting cold outside. It'll also stop working during the summer if the car sits idle for 5-10 minutes. Oddly enough, it'll start working again once I hit around 60 mph. It will start working again if I turn the car off and let it sit for a couple of hours. It only happens with the right blinker.







