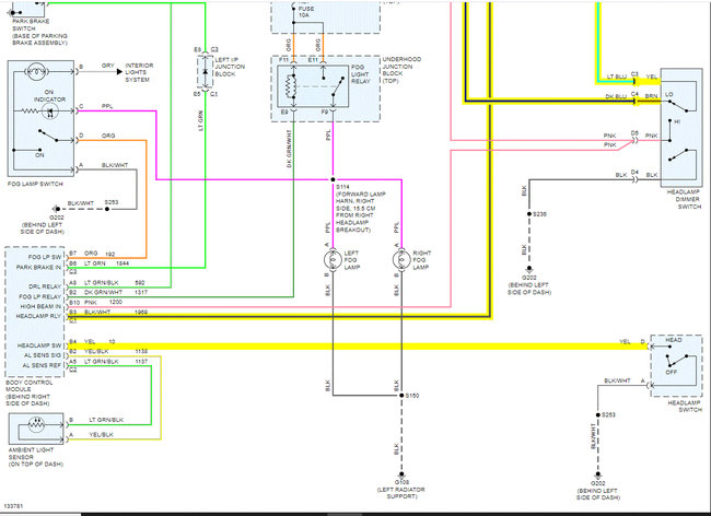
Monday, September 27th, 2021 AT 9:39 AM
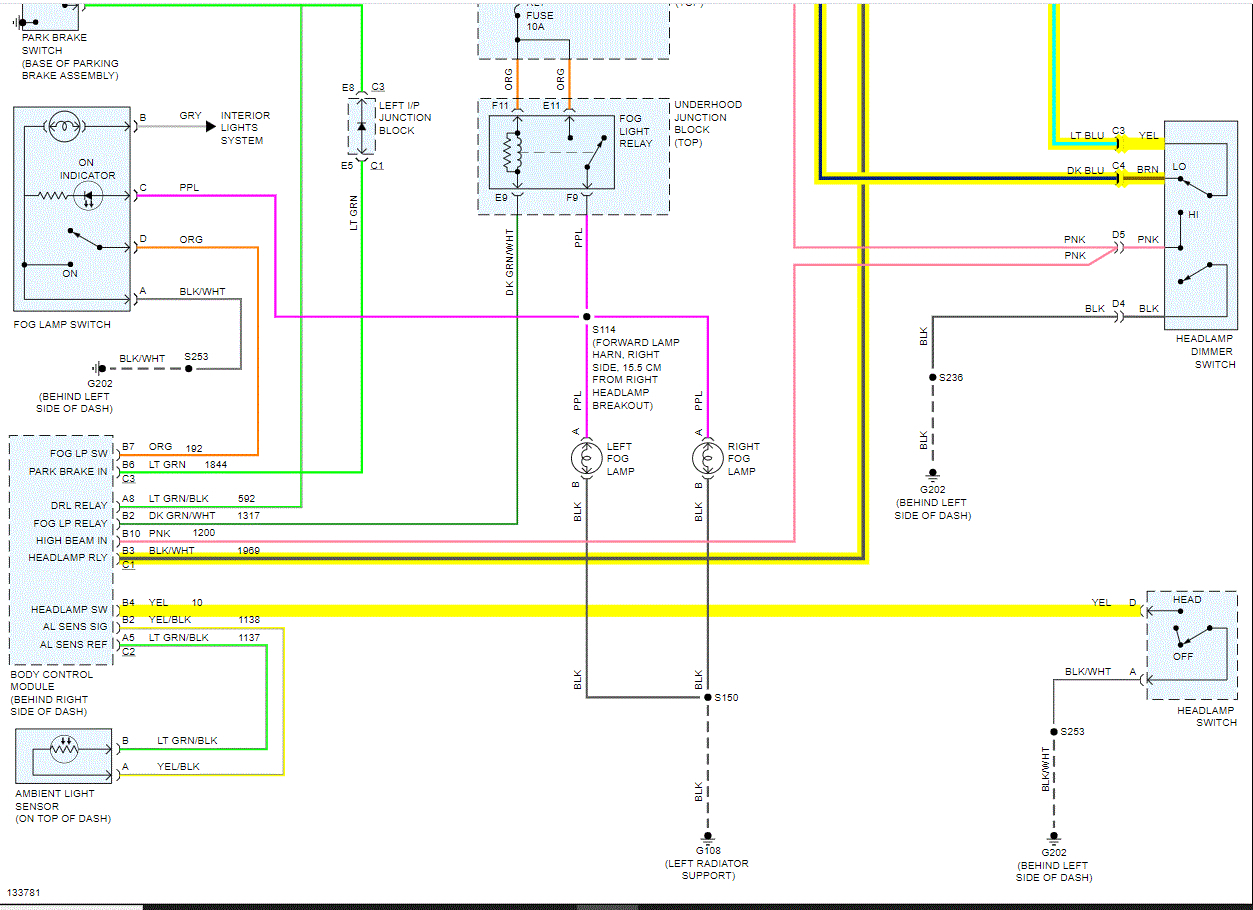
Only high beams are working. I have replaced the turn signal switch and am in the process of replacing the hazard/turn switch relay in the dash. Could this be the issue for all of the problems or could it possibly be somewhere else?






