Right axle not connected properly

1999 ISUZU TROOPER
181,000 MILES • 3.2L • 6 CYL • 4WD • AUTOMATIC
Avatar
DUWHOP31
  • MEMBER
  • 151 POSTS
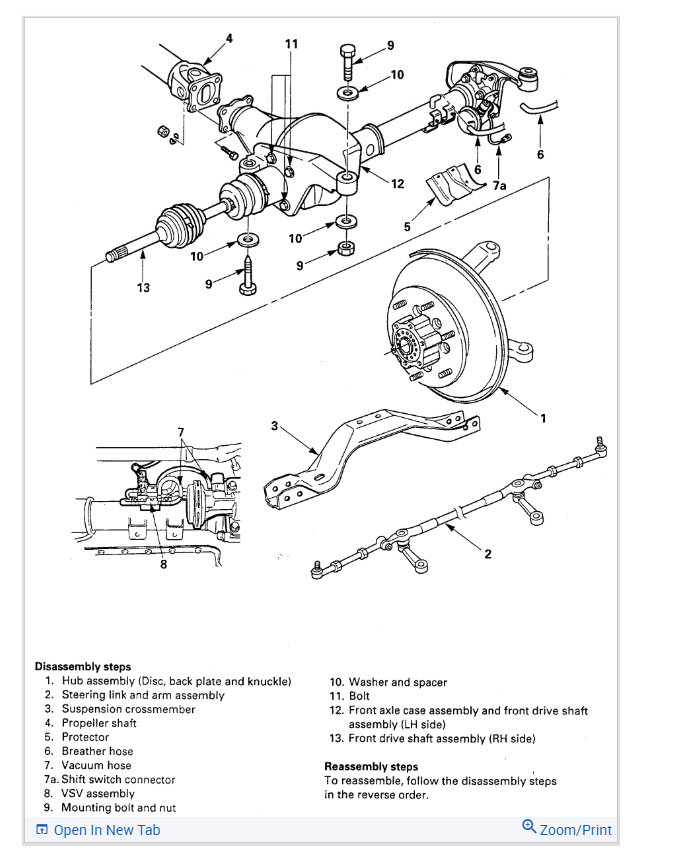
Why is my right front axle boot not all the way connected to the back of the knuckle spindle?
Apr 3, 2020 at 9:39 AM
Advertisement
Avatar
KASEKENNY
  • CAR REPAIR CONTRIBUTOR
  • 18,907 POSTS
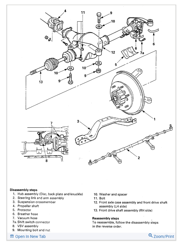
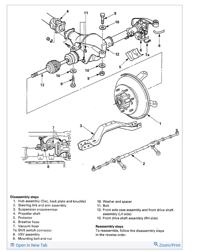
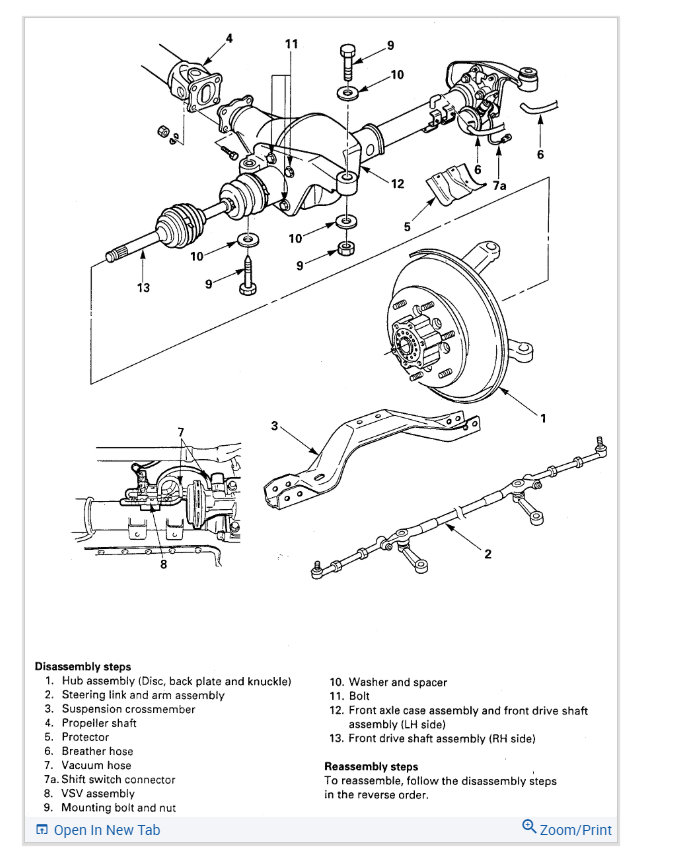
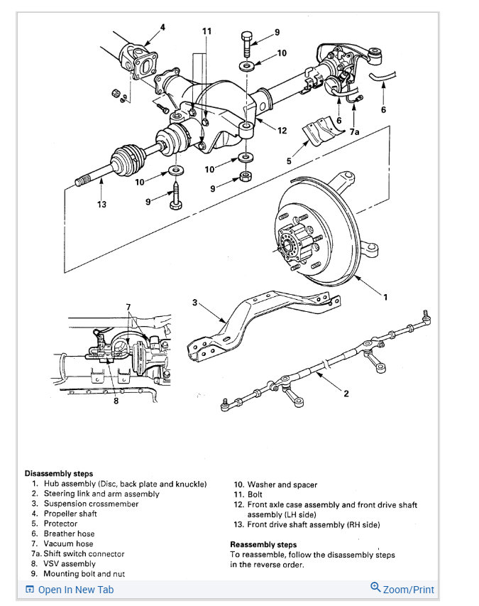
It appears as though the boot is separating. I would suggest comparing it to the other side which I assume you did, and if it is pulling away, you will need to plan to replace it.

It does appear to have grease around it so the boot is probably failed.

https://www.2carpros.com/articles/symptoms-of-a-bad-cv-axle-joint

I attached the info to do this. Let me know if you have questions. Thanks
Apr 3, 2020 at 10:39 AM
Advertisement
Avatar
STEVE W.
  • CAR REPAIR CONTRIBUTOR
  • 15,152 POSTS
If you are asking why the boot isn't farther on, IE back in the area I marked with orange stripes. It doesn't go that far back. The boot sets in a shallow recess under the metal clamp with the green squiggle line. The clamp retains it at that area. Being there seems to be grease on the exterior of the boot I would take a rag and some brake cleaner and wipe the rubber boot off and inspect it for any cracks or splits. Be sure to check it with the folds opened by turning the steering wheel, it is easy to miss a small crack if it is in one of the folds. If you find no cracks or damage it is likely okay.
Apr 3, 2020 at 1:06 PM
Repair Safety Notice: This information is for general instructional purposes only. Vehicle repair can be dangerous. Verify all information, follow manufacturer service procedures, use proper tools and safety equipment, and consult a qualified repair shop when needed.