Right hand low beam is not working

Tiny
DRAGONSCULLFIRELORD
  • MEMBER
  • 2006 GMC SIERRA
  • 5.3L
  • V8
  • 4WD
  • AUTOMATIC
  • 208,000 MILES
My left hand low beam is working. All my fuses are good, my ground wire is getting power from the plug, but I have no power to the to the power wire. Where do I need to go from here?
Monday, March 22nd, 2021 AT 7:23 PM

3 Replies

Tiny
JACOBANDNICKOLAS
  • MECHANIC
  • 110,192 POSTS
Hi,

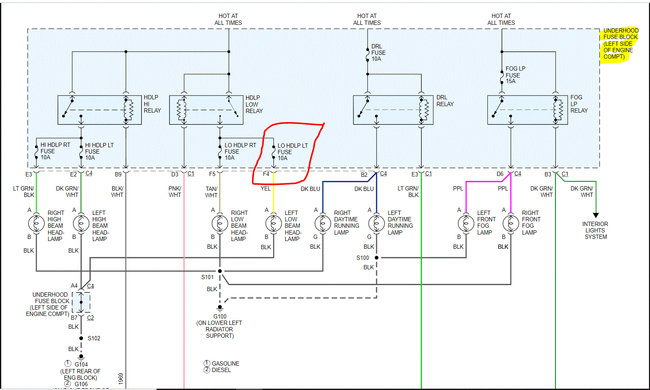
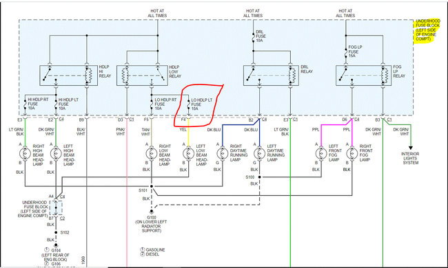
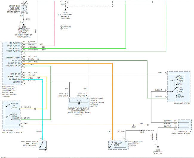
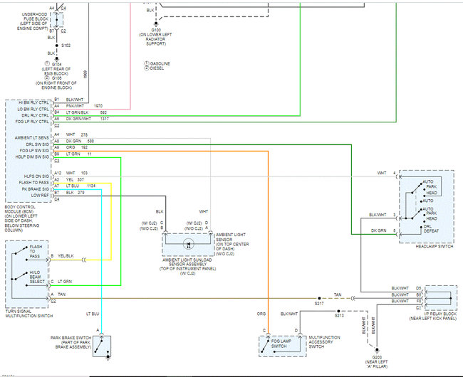
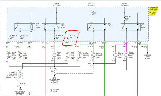
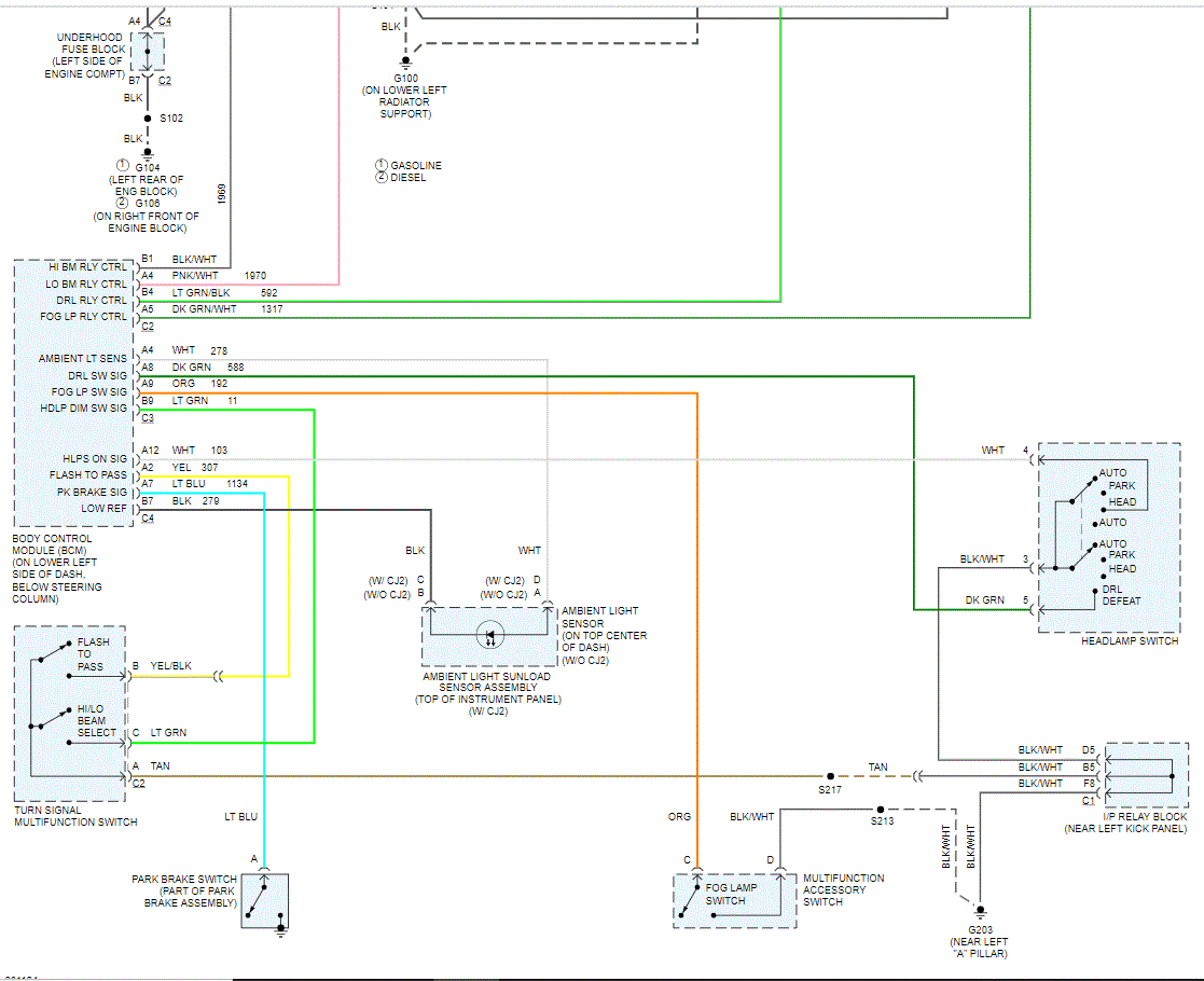
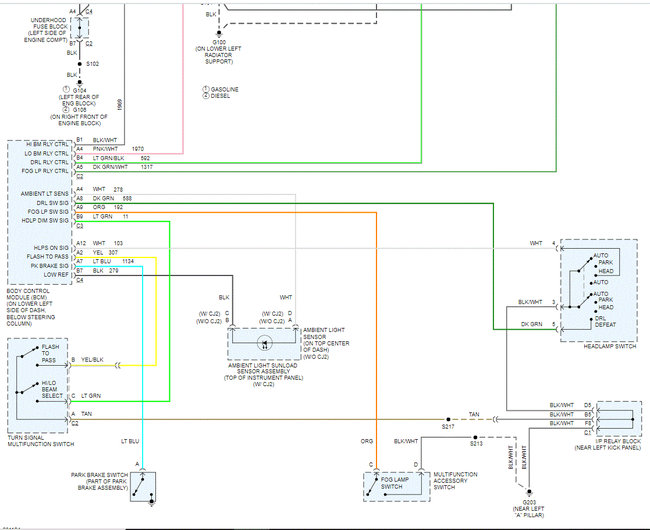
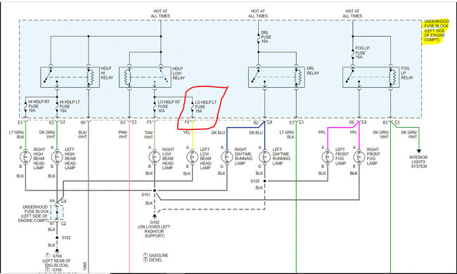
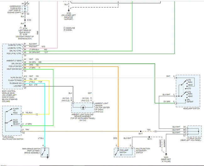
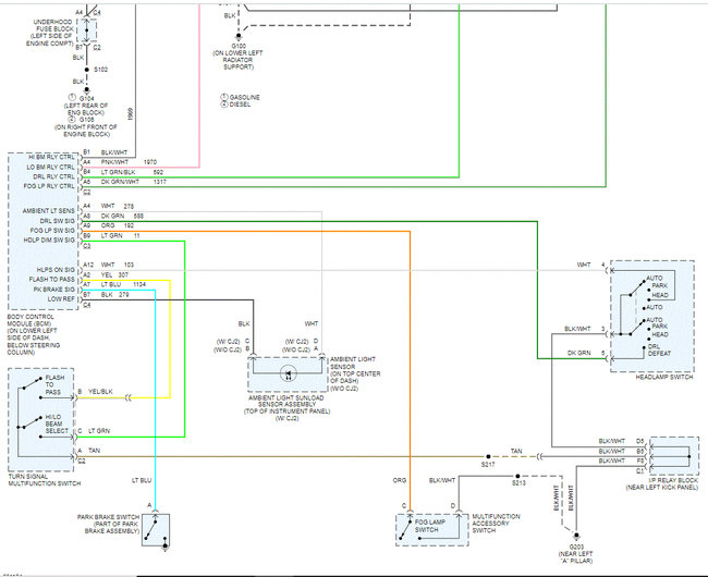
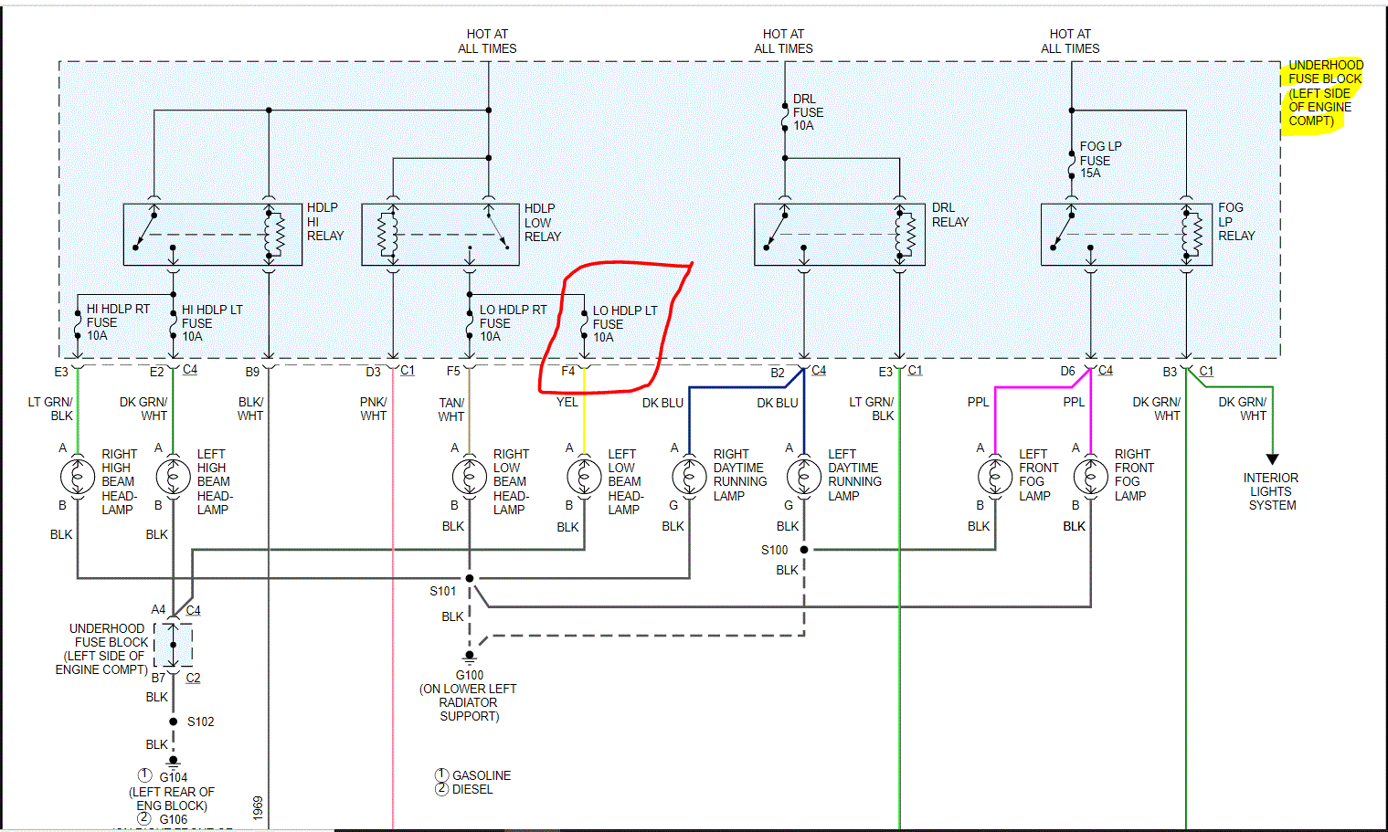
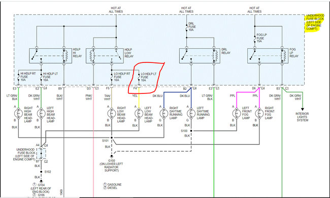
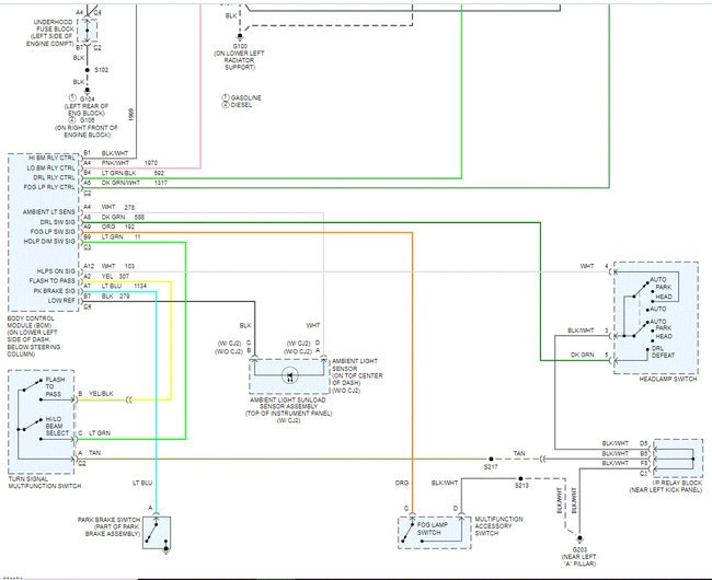
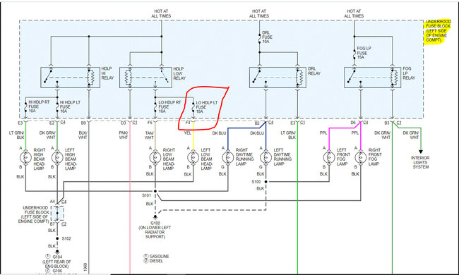
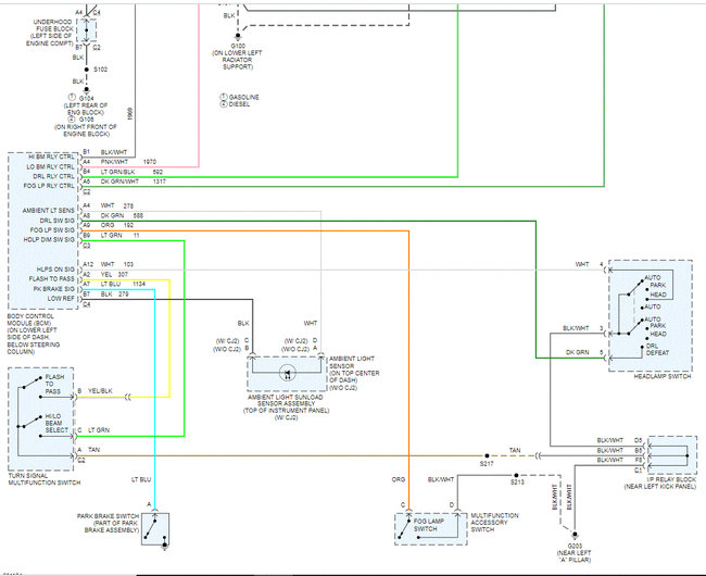
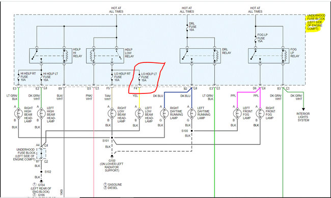
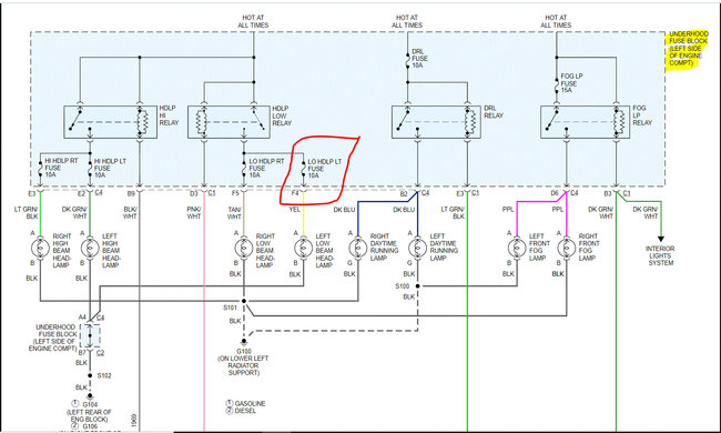
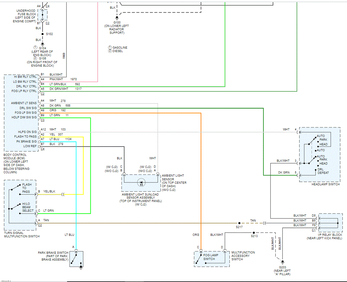
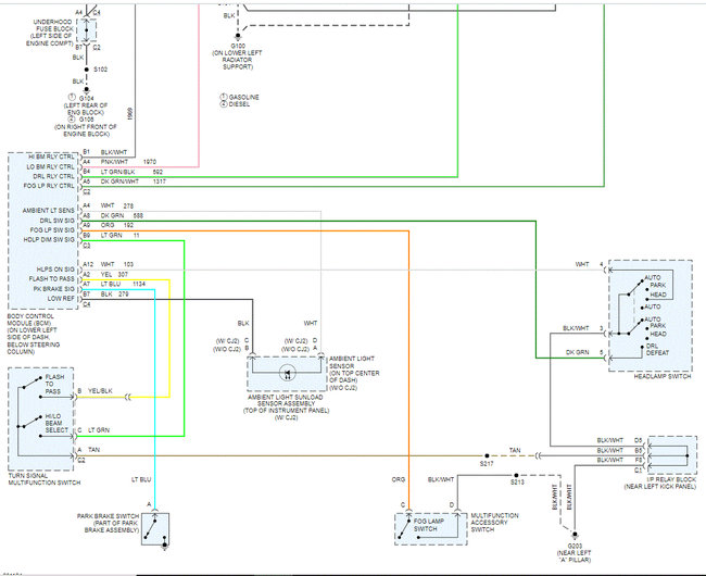
I attached the entire wiring schematic for the headlamp system. I had to cut the pic in half to make it readable, but I did overlap them.

I need you to first look at pic 1. It shows the fuse box under the hood. Confirm the highlighted fuse is the one you checked. If it is, then I need you to confirm there is power both to it and from it. Here is a link that shows how it is done:

https://www.2carpros.com/articles/how-to-check-a-car-fuse

Now, I have a question for you. You indicated there was power to the ground wire but not the power supply wire. You shouldn't have power to the ground. Please confirm that the black wire doesn't provide power. You should only have continuity to ground via the black wire. The yellow wire should have power (12v). Here is a link you may find helpful:

https://www.2carpros.com/articles/how-to-check-wiring

Now, if you have power from the fuse I highlighted and it isn't at the connector, there has to be an open in the wire (damaged or shorted).

Do these checks and let me know what you find.

Take care,
Joe
Was this
answer
helpful?
Yes
No
Monday, March 22nd, 2021 AT 8:03 PM
Tiny
DRAGONSCULLFIRELORD
  • MEMBER
  • 5 POSTS
Hey, thank you for the information! I’ve tested that exact fuse and it does in fact have power. I tested the ground by connecting my test light to the positive of my battery and then prodding the ground wire at the plug and my test light lit up. The only thing I can think of now is that I have a open wire. I was hoping that there might be a weak spot in the power wire that I can get into and check rather then tracing it all the way back from the plug. Thank you for the information.
Was this
answer
helpful?
Yes
No
Monday, March 22nd, 2021 AT 8:49 PM
Tiny
JACOBANDNICKOLAS
  • MECHANIC
  • 110,192 POSTS
Hi,

The best thing to do is start at the light socket. Make sure there isn't damage there. If I was doing it, I would simply connect to the power supply wire and start moving the wiring around to see if you get power at any point. It could be anywhere. However, if you have power out from the fuse, there is a disconnection at some point.

Wiring can be difficult. If your test light can pierce the wire's insulation, start at the fuse and follow it until you lose power. Then you will know approximately where the problem is located.

I hope this helps. Let me know if you have other questions and what you find.

Take care,
Joe
Was this
answer
helpful?
Yes
No
Tuesday, March 23rd, 2021 AT 5:54 PM

Please login or register to post a reply.