HOME
ASK A QUESTION
REPAIR GUIDES
BECOME A MEMBER
LOG IN
Login with Facebook
OR
Remember me
NOT A MEMBER?
FORGOT PASSWORD?
CONTACT US
PRIVACY POLICY
TERMS AND CONDITIONS
☰
Home
Chevrolet
Tahoe
Exterior Light
Running Light
Rewiring blinker switch and head light and exterior lights, diagram needed?
CHUCK DOUGHERTY
MEMBER
2001 CHEVROLET TAHOE
V8
2WD
100,000 MILES
Rewiring a blinker and headlight switches and all exterior lighting.
Tuesday, May 2nd, 2023 AT 9:52 AM
1 Reply
KEN L
MASTER CERTIFIED MECHANIC
55,538 POSTS
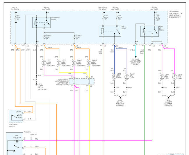
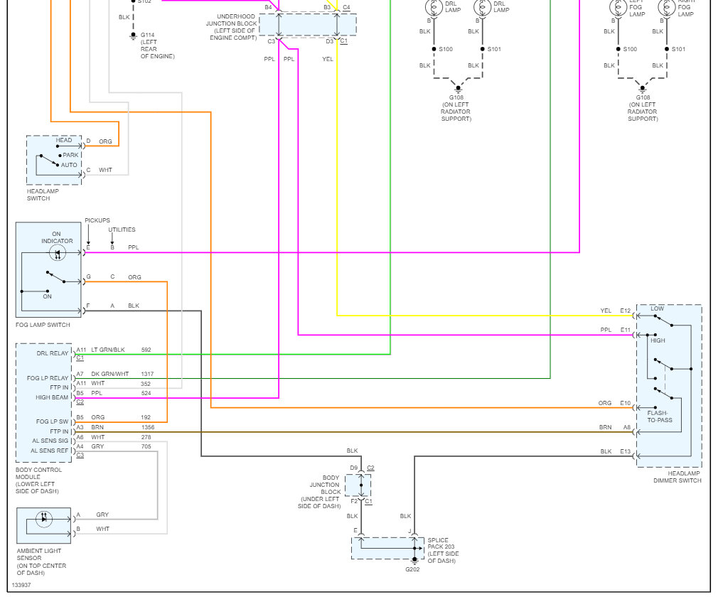
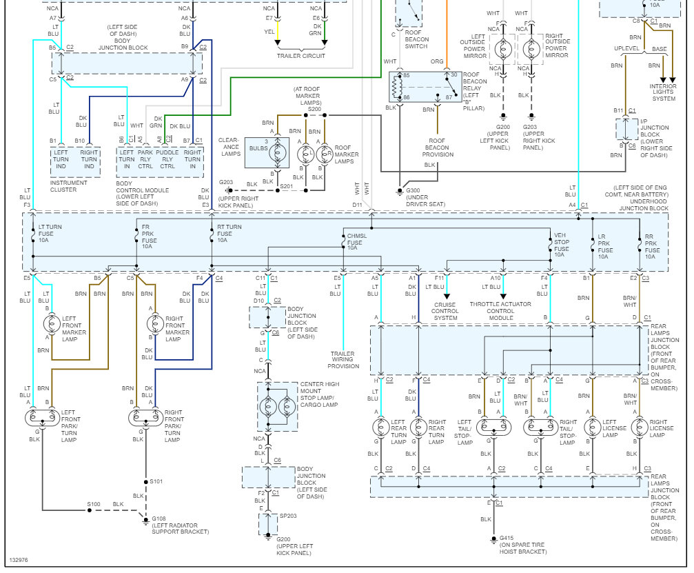
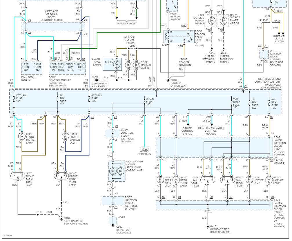
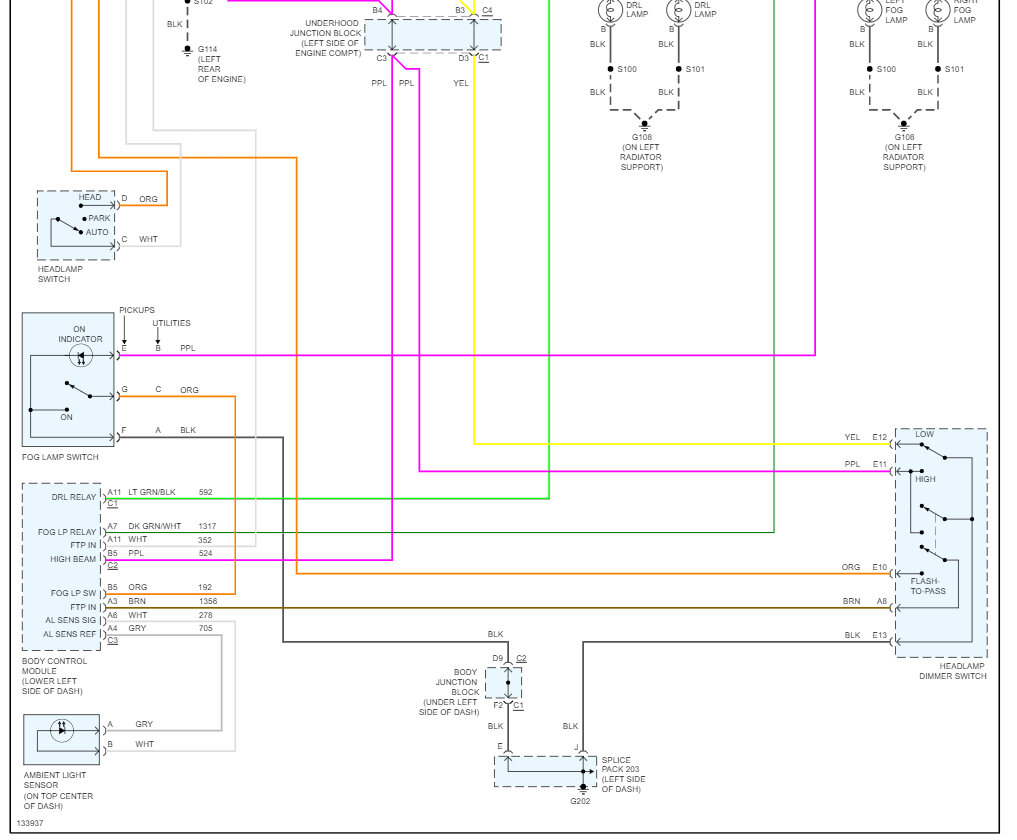
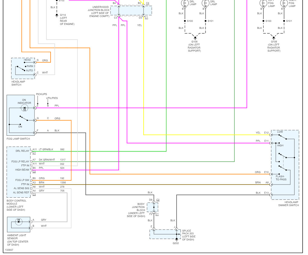
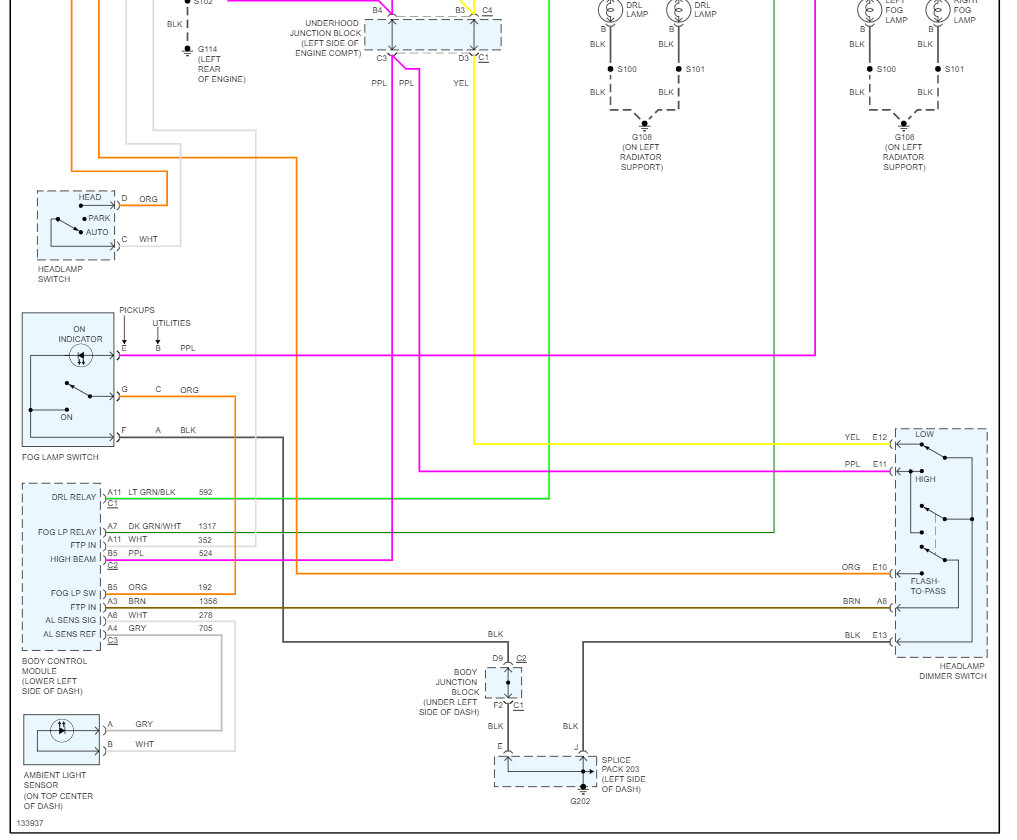
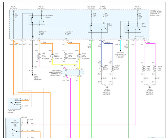
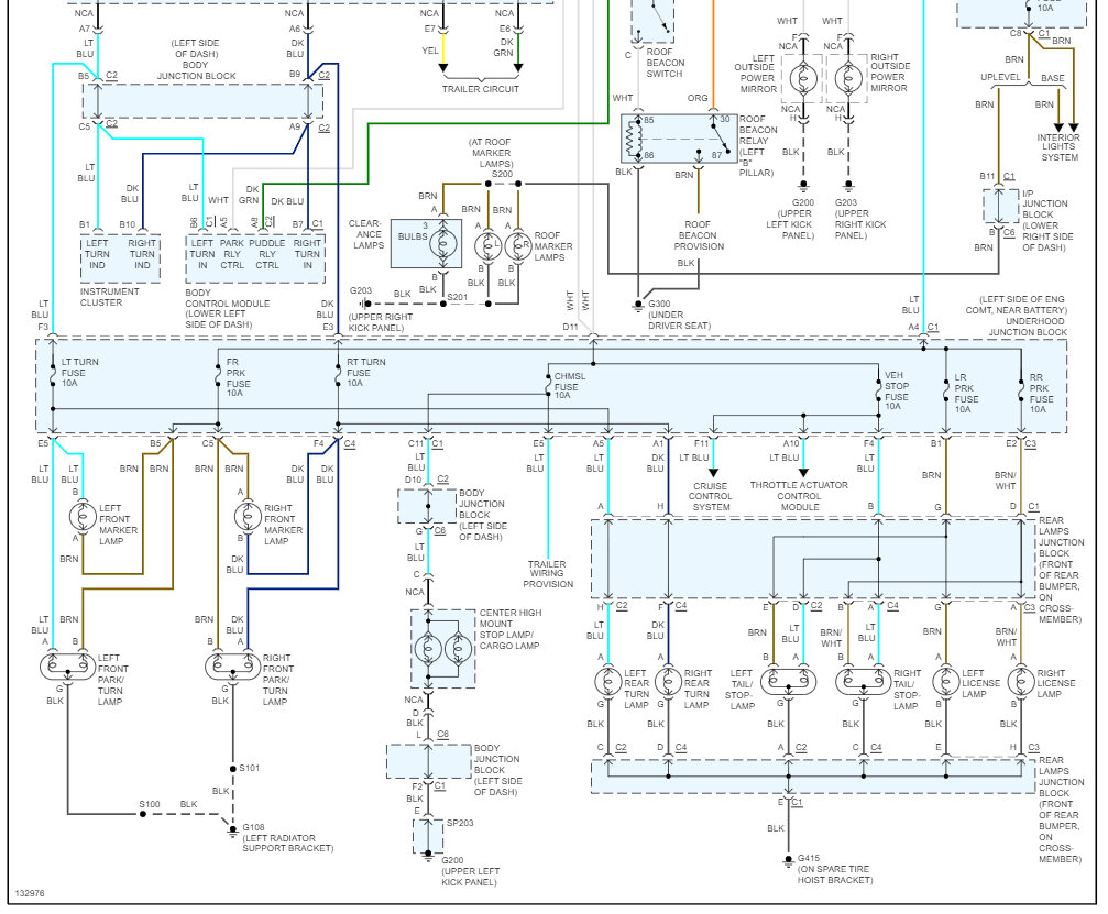
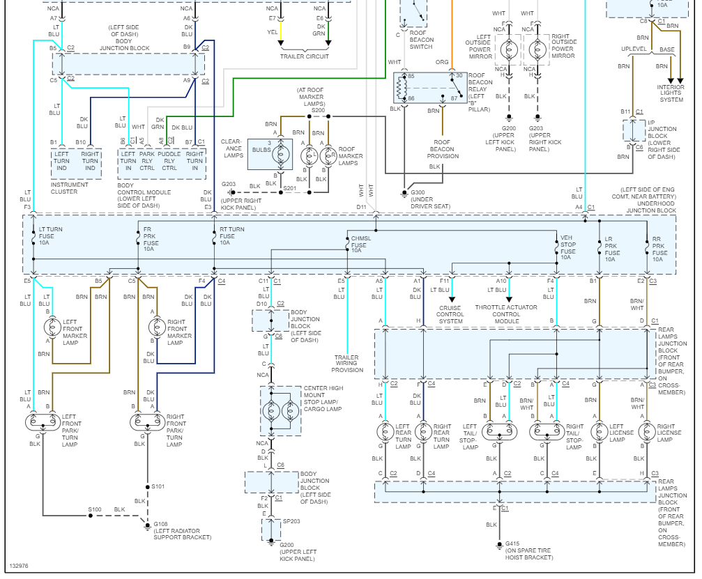
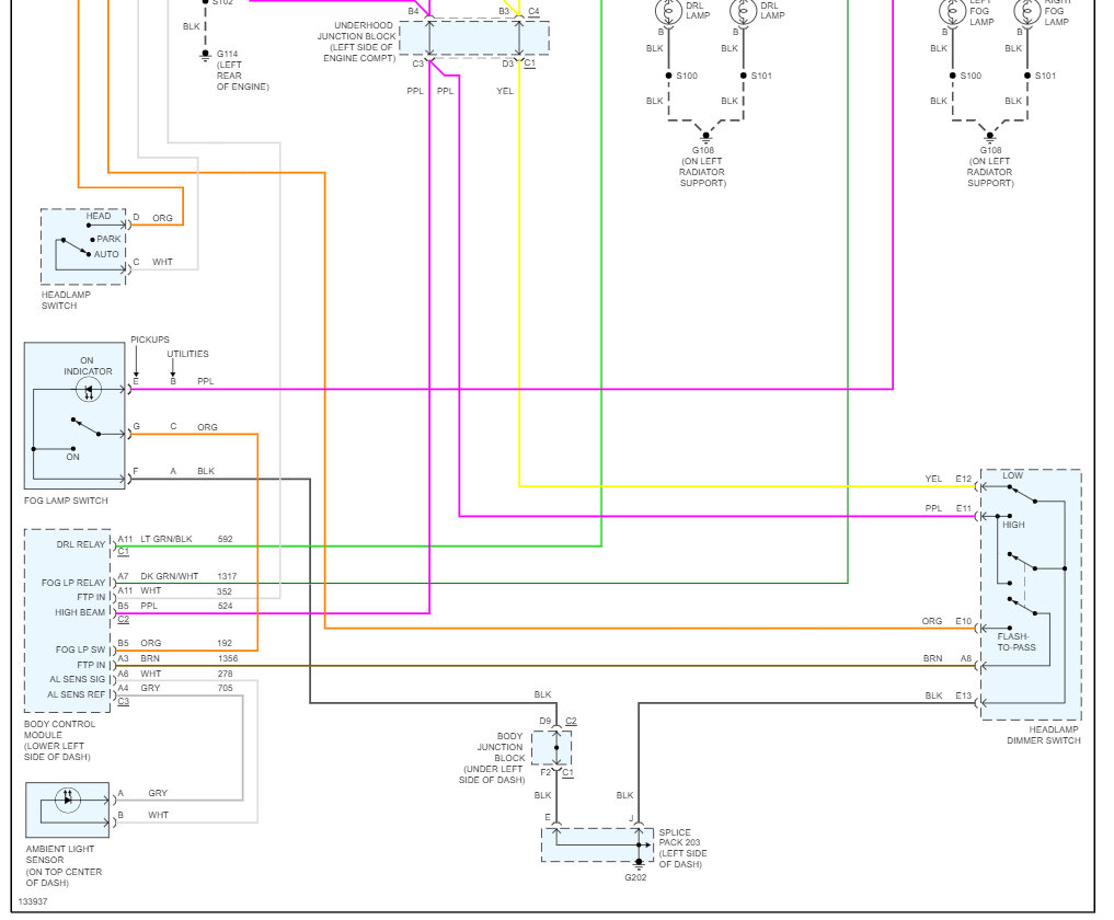
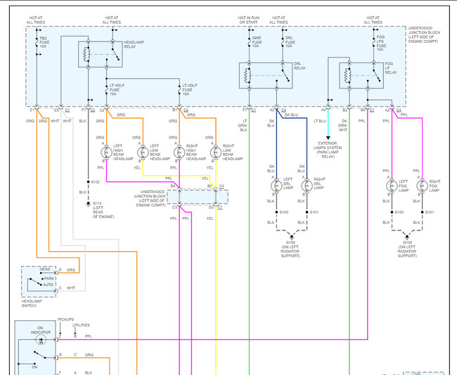
Yep, good job, here are the wiring diagrams and a guide to help you with the repair:
https://www.2carpros.com/articles/how-to-check-wiring
The first wiring diagram is for the headlights and the second is for the exterior lights. Check out the images (below). Please let us know what happens.
Images (Click to make bigger)
Was this
answer
helpful?
Yes
No
Tuesday, May 2nd, 2023 AT 12:06 PM
Please
login
or
register
to post a reply.
Related Running Light Content
97 Chevy Tahoe
I Have A Tahoe And The Head Lights, Signals Work, Basically All Lights Work Except The Running Lights That U Need To Use In The Night So...
Asked by
tanniaah
·
1 ANSWER
1 IMAGE
1997
CHEVROLET TAHOE
VIDEO
Running Light Bulb Replacement - Front
Instructional repair video
GUIDE
Running Light Problems
The running light circuit is controlled electrically through a basic switch, BCM (body control module) or a LCM (lighting control module). These computer controllers are...
2001 Chevy Tahoe Constant Turn Signal Sound
The Turn Signal Indicator Sound Is Always On Even Though I Don't Have The Turn Signals Or Hazard Lights Engaged. The Click, Click, Click...
Asked by
Freebird20
·
3 ANSWERS
2001
CHEVROLET TAHOE
Help 2001 Chevy Tahoe
Have No Driving Or Low Beams Tried Everything Now No Intering Lights!
Asked by
JOE001
·
2 ANSWERS
2001
CHEVROLET TAHOE
1999 Chevy Tahoe Brake Lights Only On When Pedal...
Brakes Problem 1999 Chevy Tahoe V8 Four Wheel Drive Automatic My Brake Lights Only Come On When I Press The Pedal As Hard As I Can To...
Asked by
kan4club
·
5 ANSWERS
1999
CHEVROLET TAHOE
Turn Signal Lights
Cause Of Moisture In Turn Signal Light
Asked by
roubre
·
3 ANSWERS
2004
CHEVROLET TAHOE
VIEW MORE
Ask a Car Question. It's Free!
Running Light Bulb Replacement - Front
How to Use a Test Light
Have a Dim Headlight? - Try Replacing This!