Sunday, January 2nd, 2022 AT 2:33 PM
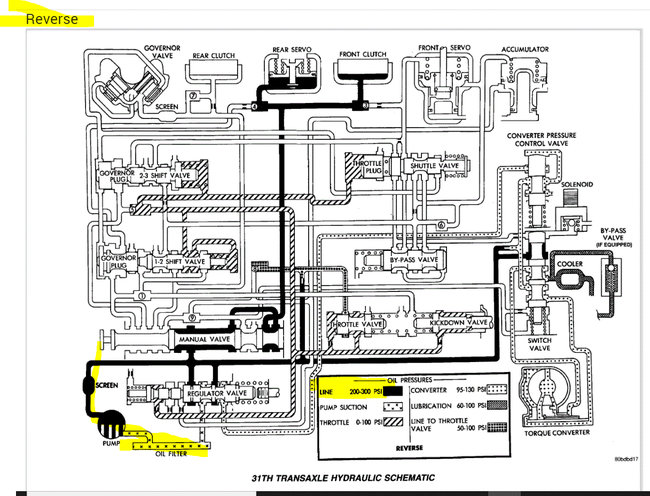
Hello, at first it was hesitant when I put my foot on the gas and wouldn't make it up my hill in driveway. But then we noticed there was no transmission fluid, so we got some and now the car runs fine but now the car won't go back (reverse). I'm not sure why but it just doesn't reverse there's no check engine lights on or anything. So i'm just trying to figure out what the problem could be and if it could be a major issue.




