Reverse lights not working, the fuse is good?

Tiny
B.LUV
  • MEMBER
  • 2006 CHEVROLET SILVERADO
  • 4.3L
  • 6 CYL
  • 4WD
  • MANUAL
  • 200,000 MILES
My reverse lights aren't working. Where is the reverse light switch located on my truck listed above manual 4x4 wt?
Tuesday, October 11th, 2022 AT 3:10 PM

1 Reply

Tiny
KEN L
  • MASTER CERTIFIED MECHANIC
  • 55,522 POSTS
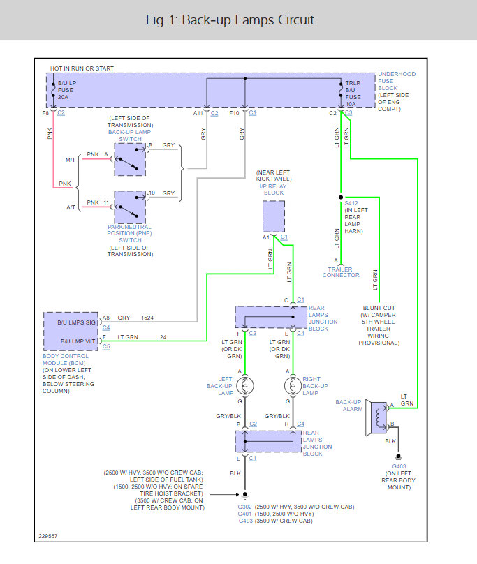
It sounds like the gear range sensor is not working but to be sure here is the reverse light wiring diagrams so you can see how the system works and which wires to test for power, I did notice the BCM is involved so there is an outside change that is the issue.

https://www.2carpros.com/articles/how-to-use-a-test-light-circuit-tester

Here is how to change out the gear range sensor/reverse light switch in the images below. Let us know what happens and please upload pictures or videos of the problem.

Was this
answer
helpful?
Yes
No
Wednesday, October 12th, 2022 AT 11:41 AM

Please login or register to post a reply.