Wednesday, February 27th, 2019 AT 8:28 AM
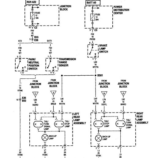
Reverse lights are not working. I have checked transmission switch and bulb all okay. I have continuity between transmission switch and rear clusters l/r and earth seems okay. Power through transmission switch but lights still not working.


