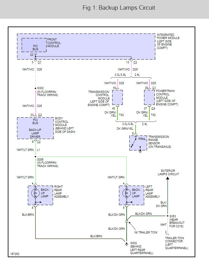
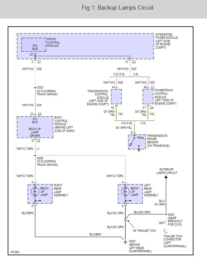
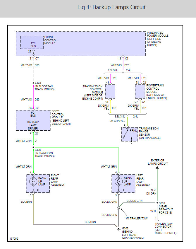
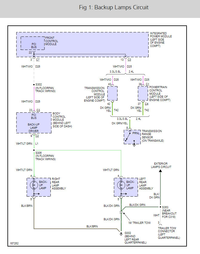
My reversing lights do not illuminate when I am in reverse gear. Also, my reversing sensors do not work. I have checked all the bulbs and they still work, I have also checked the fuses in the fuse panel and they are all okay. Any advice you could give would be great.
Thanks
Sunday, August 30th, 2009 AT 8:15 AM



