Reverse lights not working

Tiny
CEDIGER
  • MEMBER
  • 1997 DODGE RAM
  • 5.2L
  • V8
  • 4WD
  • AUTOMATIC
  • 167,000 MILES
All my reverse lights including my trailer reverse lights went out. Both fuses and relays are good. Any help appreciated.
Sunday, January 31st, 2021 AT 4:35 PM

2 Replies

Tiny
CARADIODOC
  • MECHANIC
  • 34,489 POSTS
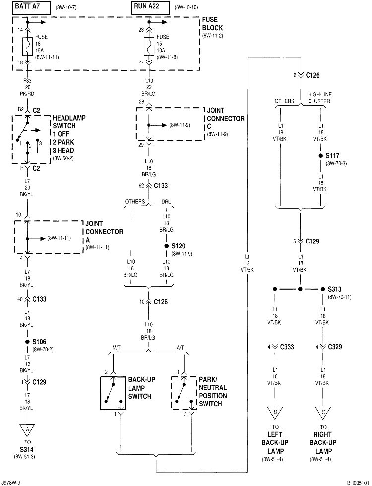
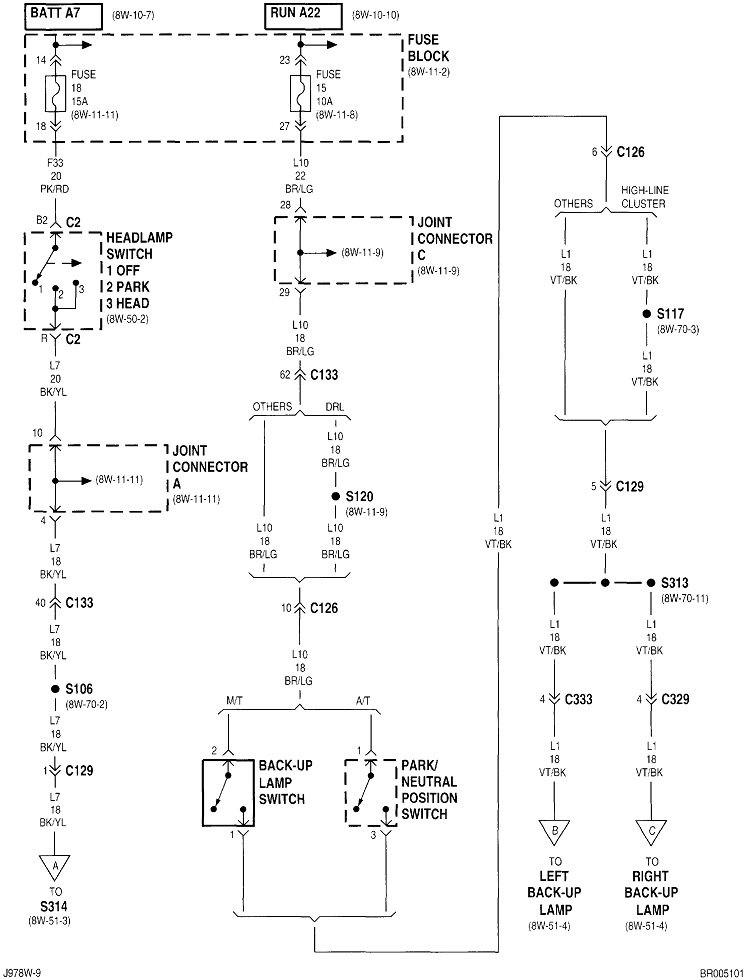
The next best suspect is a defective neutral safety switch. It's shown in the first photo. You'll find it on the left rear corner of the transmission, right above the pan. A fast way to identify this is to turn the ignition switch to the "run" position, crawl underneath and unplug the connector, then use a stretched-out paper clip to connect the two outer terminals. If it's somewhat dark, and you look real closely, you'll see a tiny spark when you make that connection. That's proof current is flowing now. If you can't see that little spark, you'll have to check if the back-up lights are on. If they are, replace that switch. If they still are not on, here's the diagram for the circuit. Start by checking for 12 volts on the brown / light green wire in the plug. Let me know what you find, then we'll go from there.
Was this
answer
helpful?
Yes
No
Sunday, January 31st, 2021 AT 4:59 PM
Tiny
CEDIGER
  • MEMBER
  • 2 POSTS
Thanks for the quick reply! I'll try jumping that wire like you said and see what it does. I keep you updated.
Was this
answer
helpful?
Yes
No
Sunday, January 31st, 2021 AT 5:12 PM

Please login or register to post a reply.