Wednesday, September 25th, 2013 AT 9:31 AM
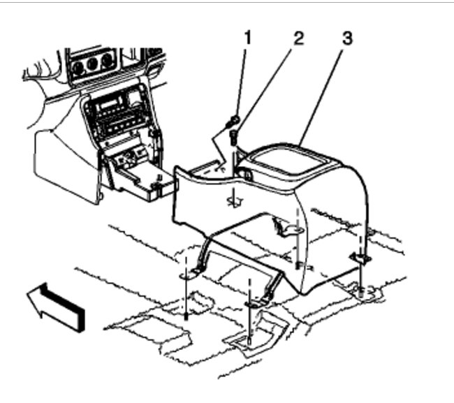
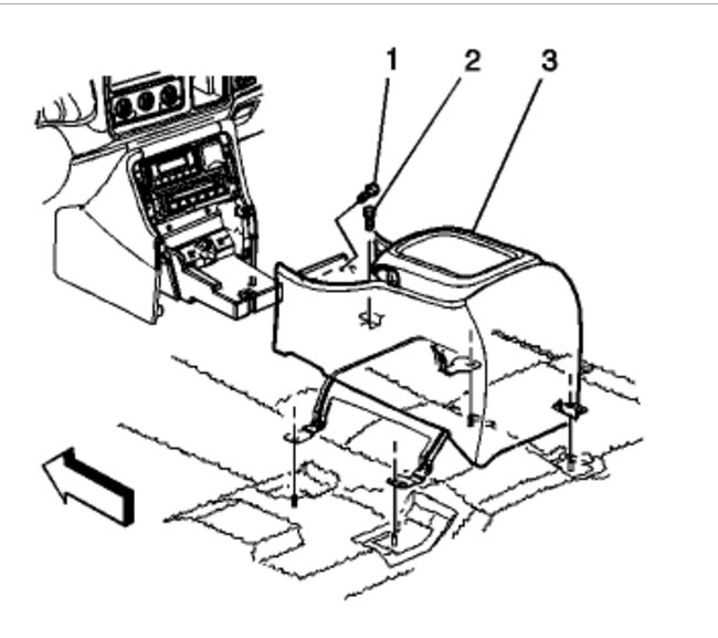
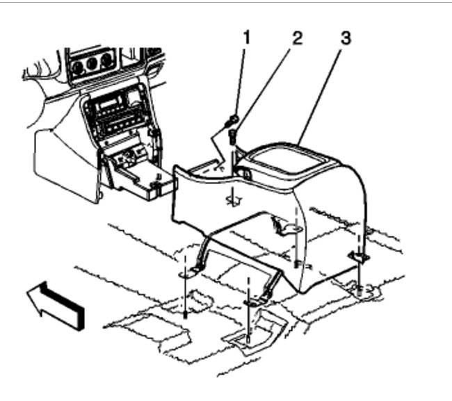
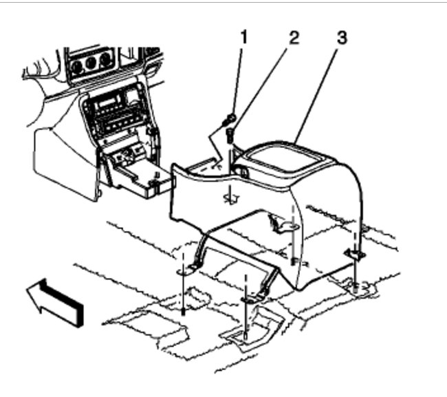
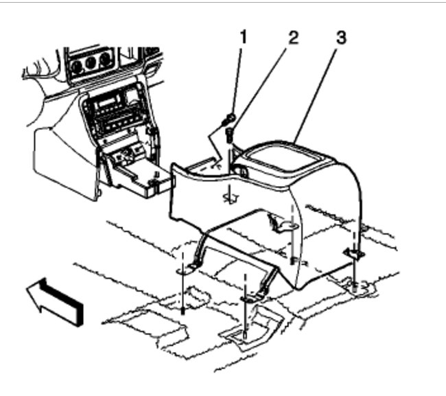
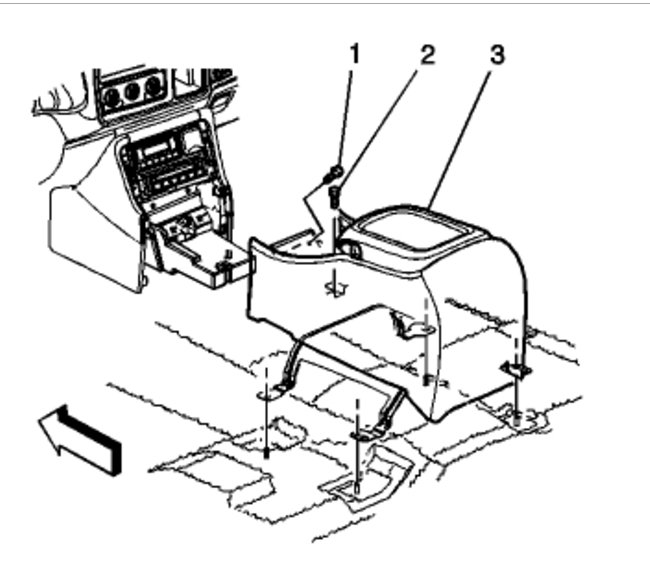
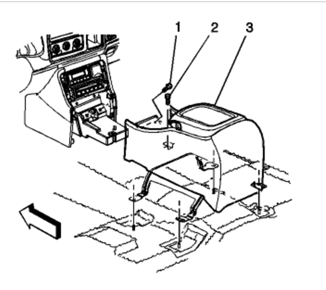
How do I remove and replace the clip that retains the center console rear cup holder closed. The clip appears to be in a tapered slot, but without applying what may be damaging force the old clip can not be removed












