Replaced Servo, Solenoids and harness

Tiny
REBOOTED10
  • MEMBER
  • 2008 FORD F-150
  • 5.4L
  • V8
  • 2WD
  • AUTOMATIC
  • 183,000 MILES
4R75W Transmission.
Rebuilt valve body replaced two solenoids and OD Servo. Now the truck won't do anything, and new battery drains immediately. Also replaced internal wiring harness.
Rebooted by disconnecting Battery. Seems like dead short.
Could solenoids, harness or Servo be bad and how to tell?
Saturday, October 16th, 2021 AT 6:28 PM

1 Reply

Tiny
JACOBANDNICKOLAS
  • MECHANIC
  • 110,194 POSTS
Have you disconnected things to see if the draw goes away? Have you checked to make sure none of the wires are pinched?

If it is drawing the battery down that fast, it has to be a dead short. I'm surprised it isn't blowing a fuse.

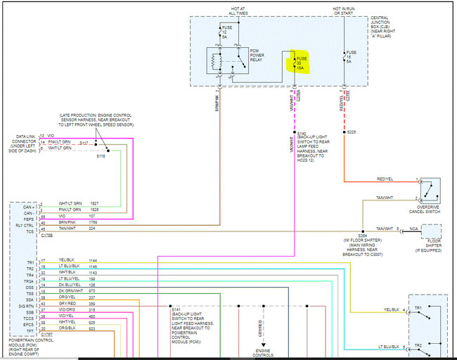
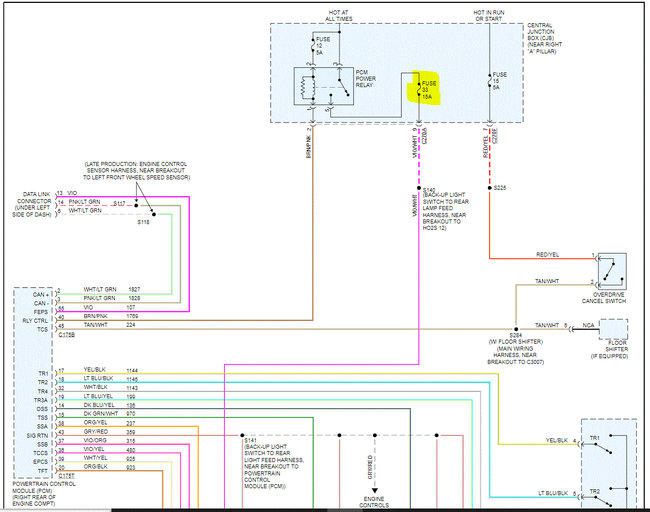
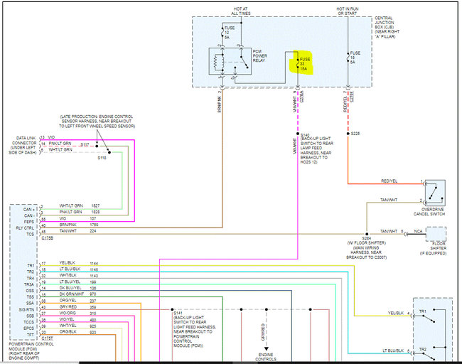
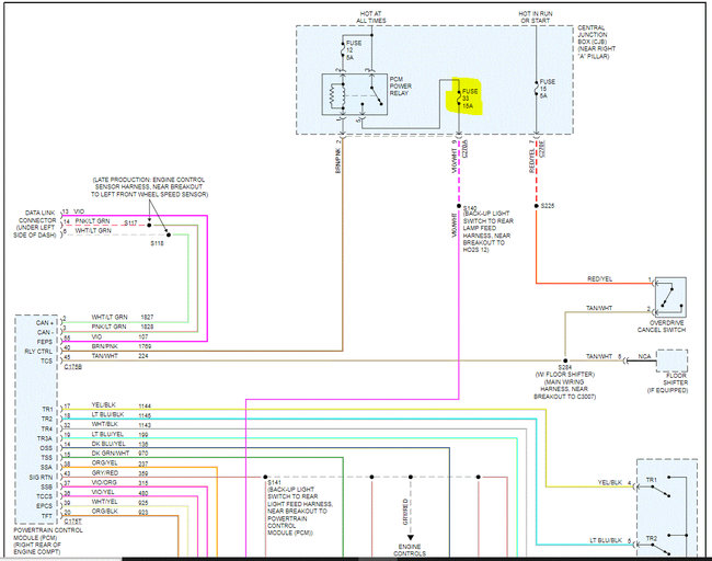
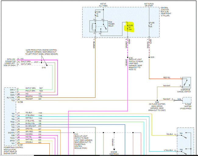
Do me a favor. Pull fuse 33 in the central junction box and see if the draw stops. If it does, then go to the connector at the transmission and locate the violet wire with a white tracer. With the fuse out, check that wire to see if there is continuity to ground. Do this with the connector disconnected.

Let me know what you find. Also, here is a link that you may find helpful:

https://www.2carpros.com/articles/how-to-check-wiring

Take care,

Joe

See pic below. I had to cut the schematic in half to make it readable. (pics 1 and 2) Pic 3 shows the fuse location.
Was this
answer
helpful?
Yes
No
Saturday, October 16th, 2021 AT 11:15 PM

Please login or register to post a reply.