Starter replacement instructions needed

Tiny
KENNY E BOSTIC
  • MEMBER
  • 1994 MAZDA 626
  • 2.0L
  • 4 CYL
  • 2WD
  • AUTOMATIC
  • 200,000 MILES
Engine won’t crank. Son replaced starter. It clicks but nothing else. How do I remove the starter?
Sunday, November 8th, 2020 AT 1:48 PM

1 Reply

Tiny
ASEMASTER6371
  • MECHANIC
  • 52,796 POSTS
Good afternoon,

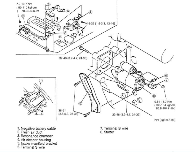
I attached a picture and a procedure for you to follow.

https://www.2carpros.com/articles/how-to-replace-a-starter-motor

I also found a YouTube video of the procedure as well.

https://www.youtube.com/watch?v=e3A-tGl7_M0

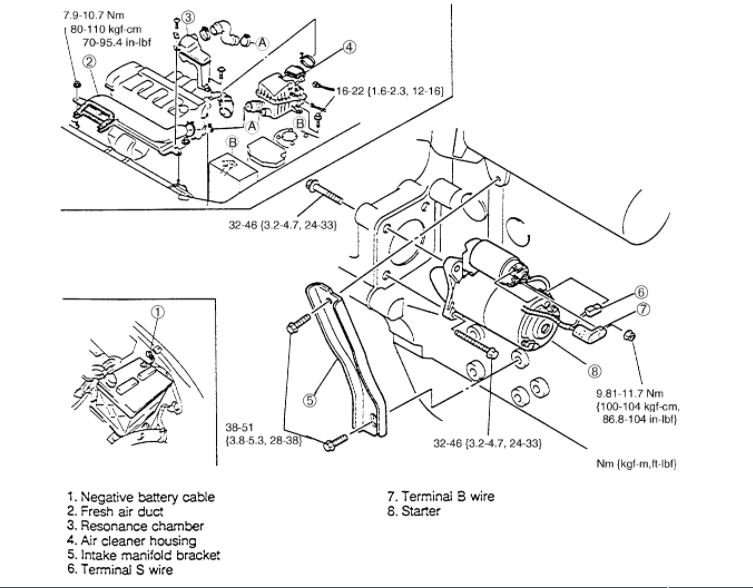
NOTE: Deactivate audio anti-theft function, as outlined under Technician Safety Information before disconnecting battery.

1. Disconnect battery ground cable.
2. Remove or disconnect components in order, Fig. 2.
3. Reverse procedure to install.
4. Reactivate audio anti-theft function as outlined under Technician Safety Information.
Was this
answer
helpful?
Yes
No
Sunday, November 8th, 2020 AT 2:17 PM

Please login or register to post a reply.