Replaced positive battery cable

2009 MITSUBISHI GALANT
100,000 MILES • 4.0L • 4 CYL • 2WD • AUTOMATIC
Avatar
LILLARD
  • MEMBER
  • 1 POST
How to connect the wires to the fuse?
Sep 25, 2018 at 6:54 PM
Advertisement
Repair Safety Notice: This information is for general instructional purposes only. Vehicle repair can be dangerous. Verify all information, follow manufacturer service procedures, use proper tools and safety equipment, and consult a qualified repair shop when needed.
Avatar
DANNY L
  • AUTOMOTIVE REPAIR CONTRIBUTOR
  • 5,648 POSTS
Hello, I am Danny.

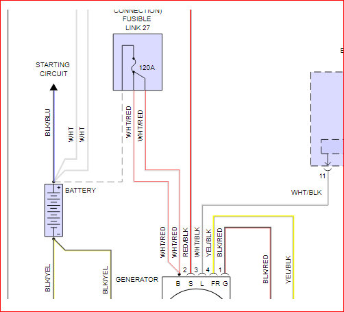
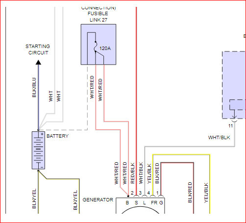
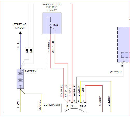
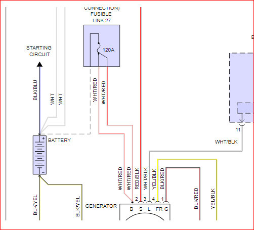
I have attached a wiring diagram picture showing the battery and fusible link including alternator. I have attached a tutorial showing how electrical systems work and wiring. Hope this helps and feel free to ask any questions if needed. Thanks for using 2CarPros.
Danny-

https://www.2carpros.com/articles/how-a-car-electrical-system-works

https://www.2carpros.com/articles/how-to-check-wiring
Sep 25, 2018 at 10:35 PM