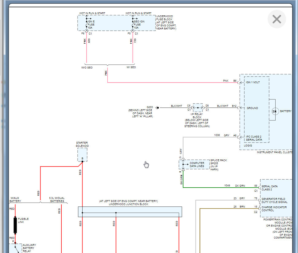
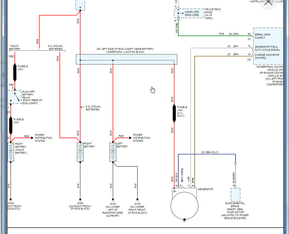
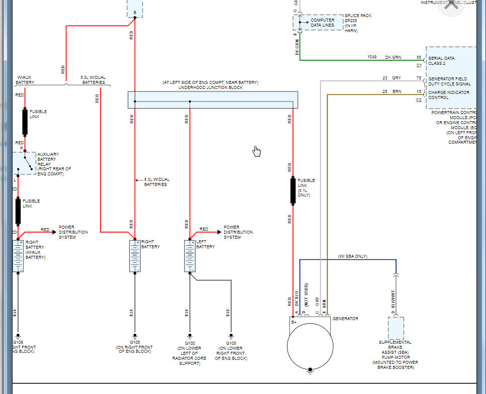
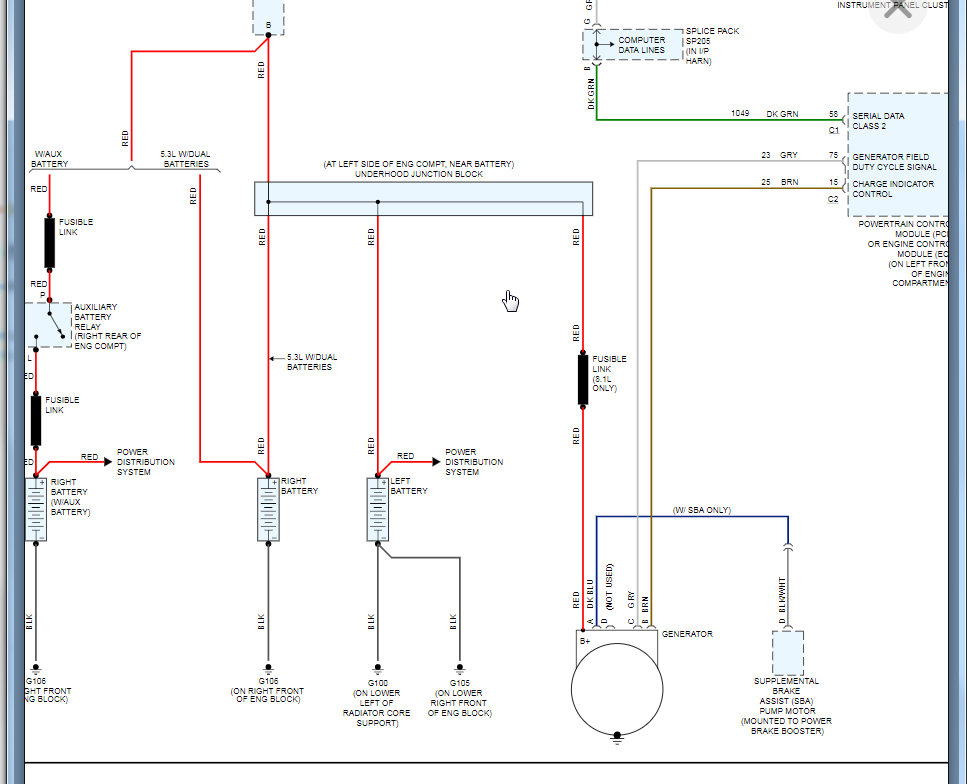
Friday, October 16th, 2020 AT 8:03 PM
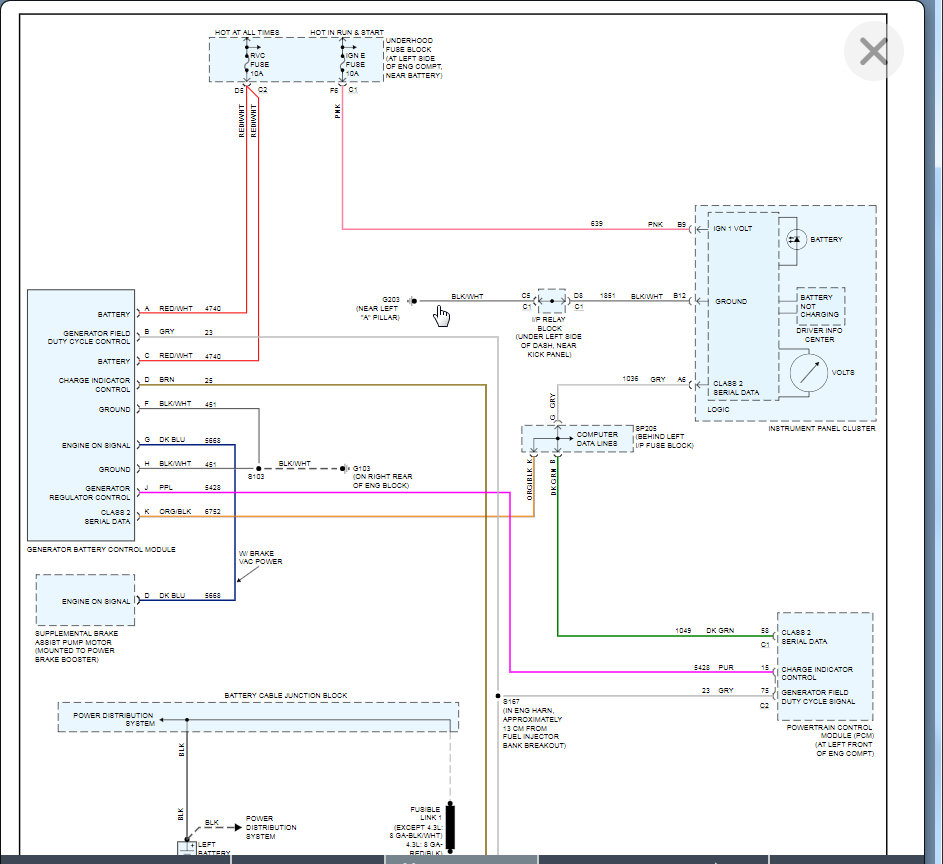
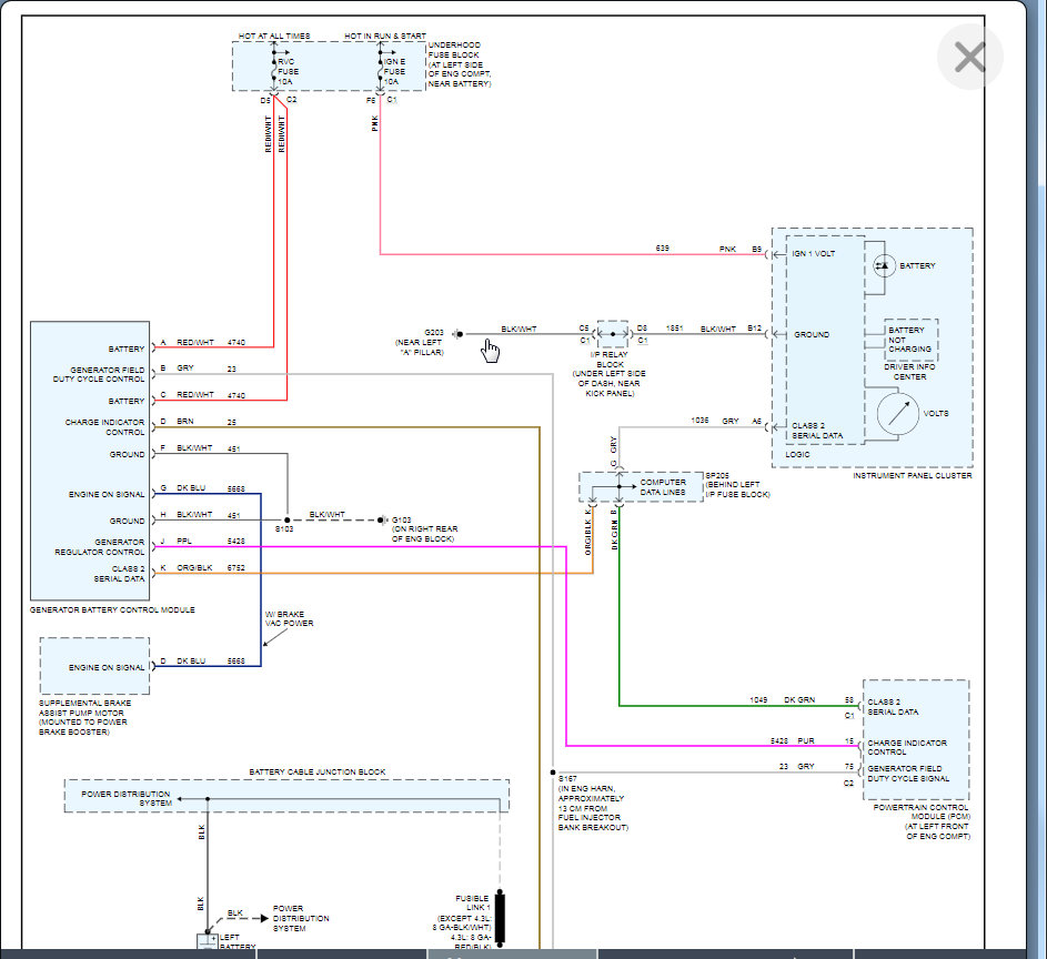
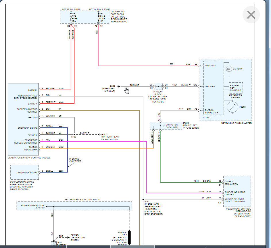
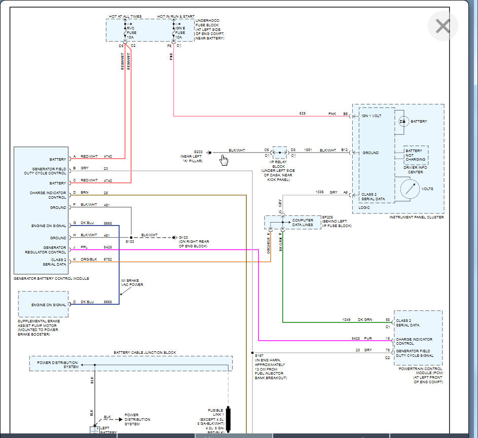
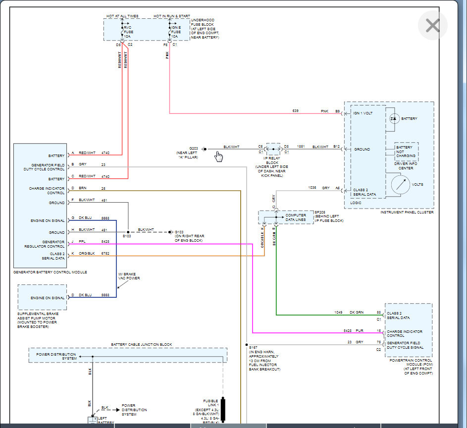
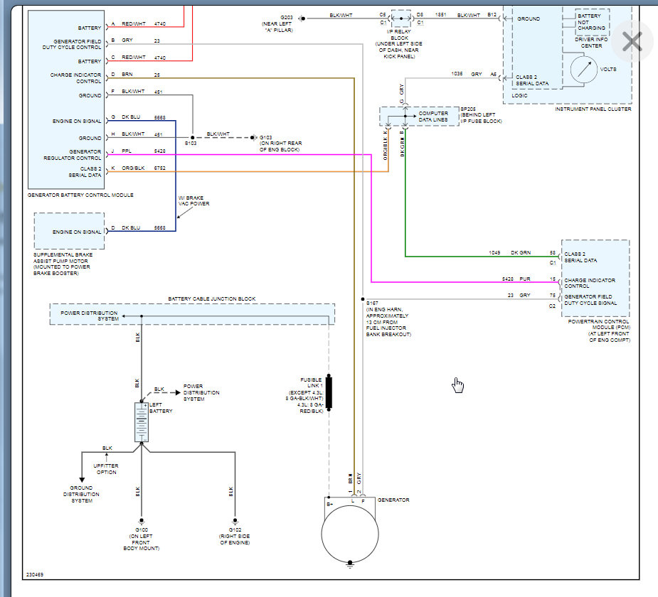
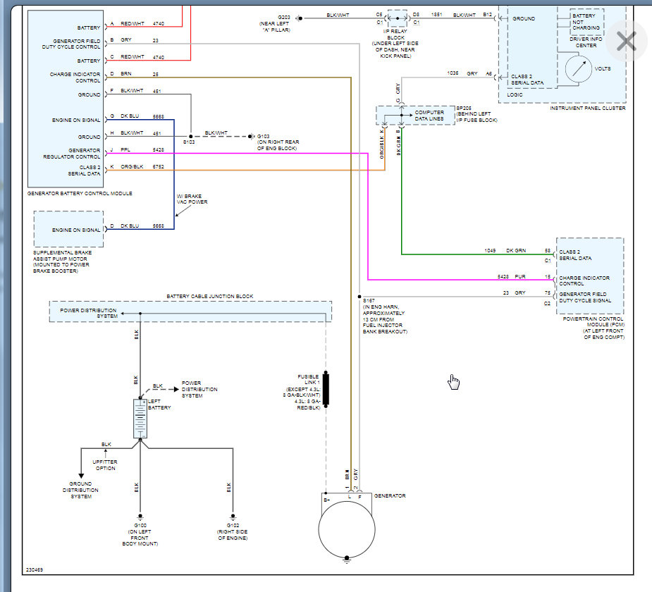
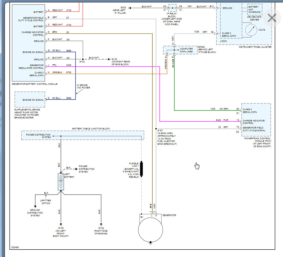
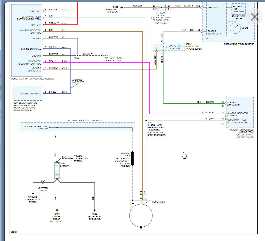
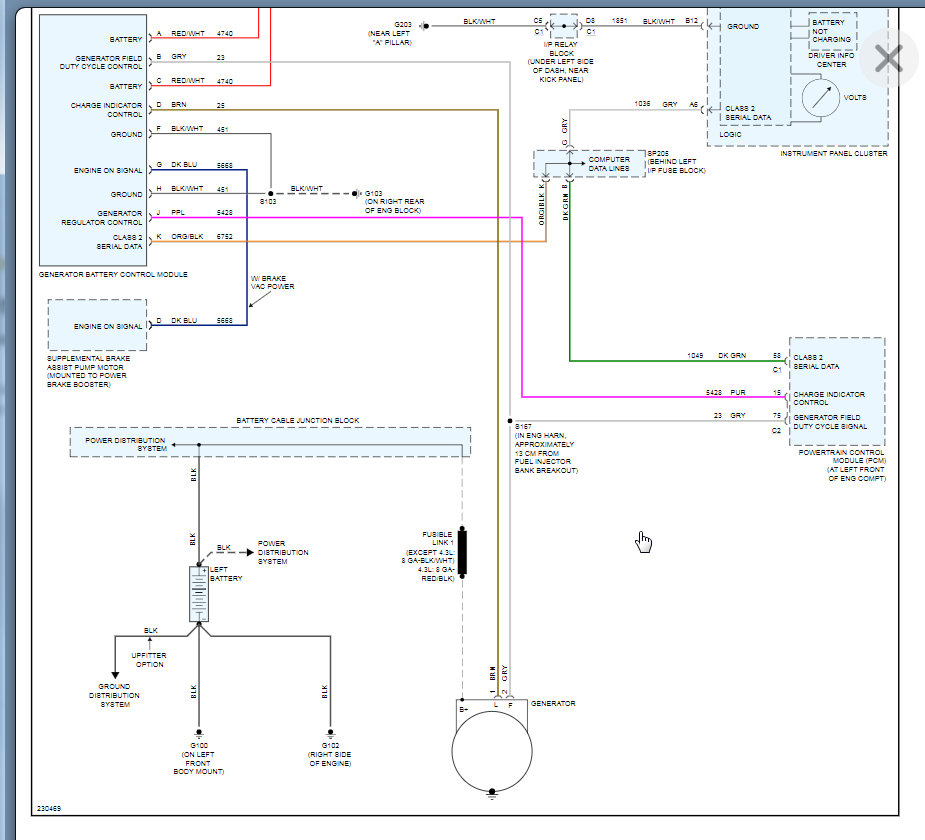
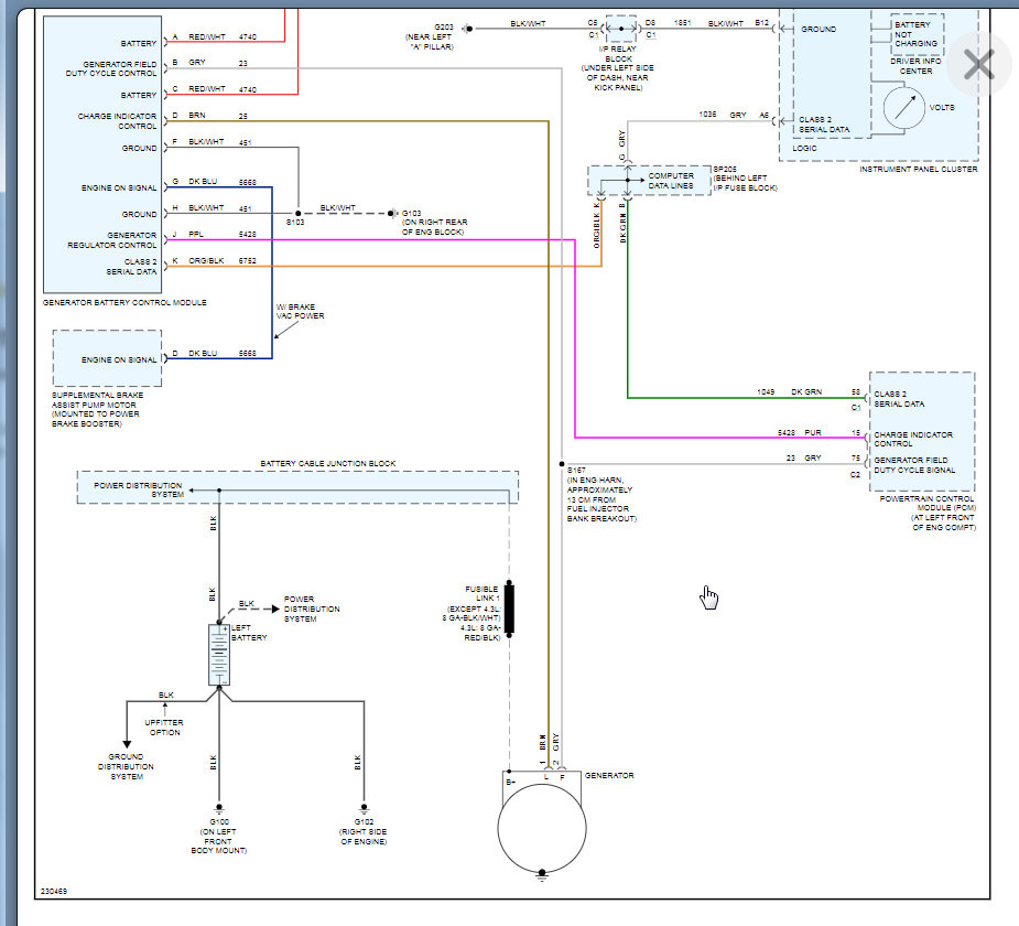
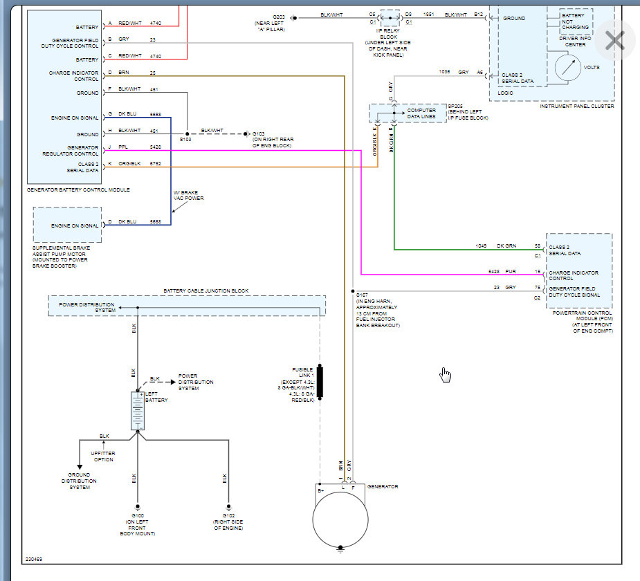
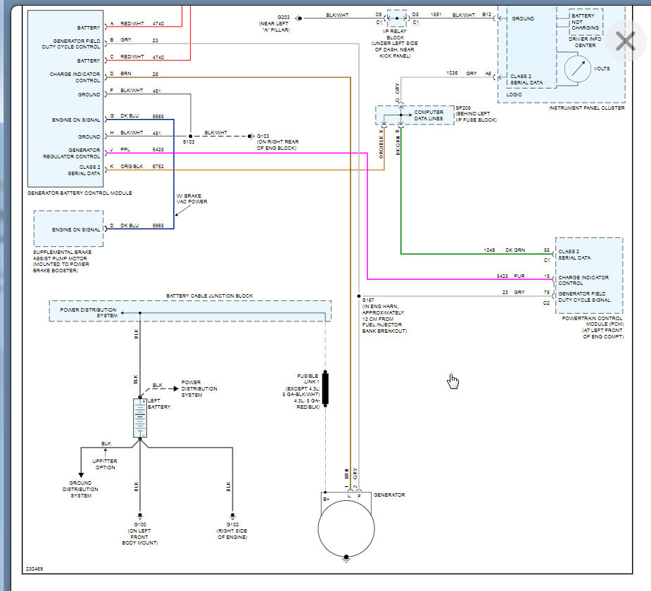
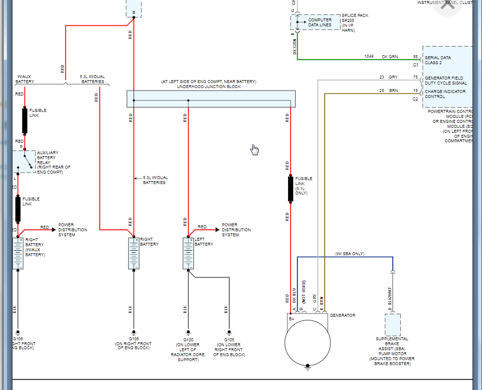
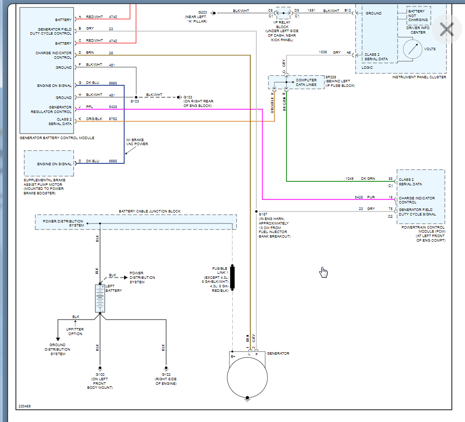
Hello sir, out of desperation I picked up an engine harness off of EBAY. It was out of a 2006 but was suppose to be the same as 2003 but when I looked at it I discovered it has the newer charging system on it, it has the module attached to battery cables to monitor voltage, and from what I have read I’m not sure if it’s going through ECM. I have not compared the harnesses side by side yet. So, do you know if it will swap with just some minor work are no? I’m out $200.00 if not. It's one of those you buy it no returns. Thanks for any input.







