Removing the seats?

Tiny
BMCATEE
  • MEMBER
  • 2006 CADILLAC STS
  • V6
  • 2WD
  • 101,000 MILES
I am trying to remove the front driver seat from the car listed above and have removed the two rear bolts. The seat seems to be free on the outside but the inside of the seat seems to be connected to something. The seat can tip forward but will not pull back.
Thursday, January 11th, 2018 AT 8:29 AM

6 Replies

Tiny
HARRY P
  • MECHANIC
  • 2,296 POSTS
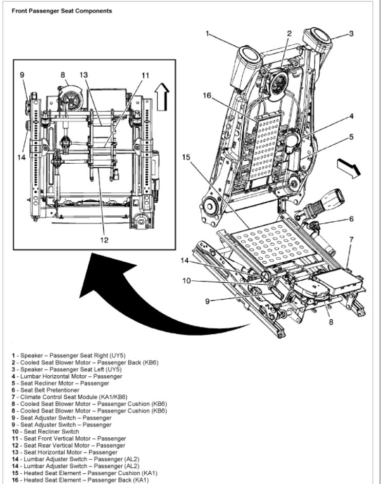
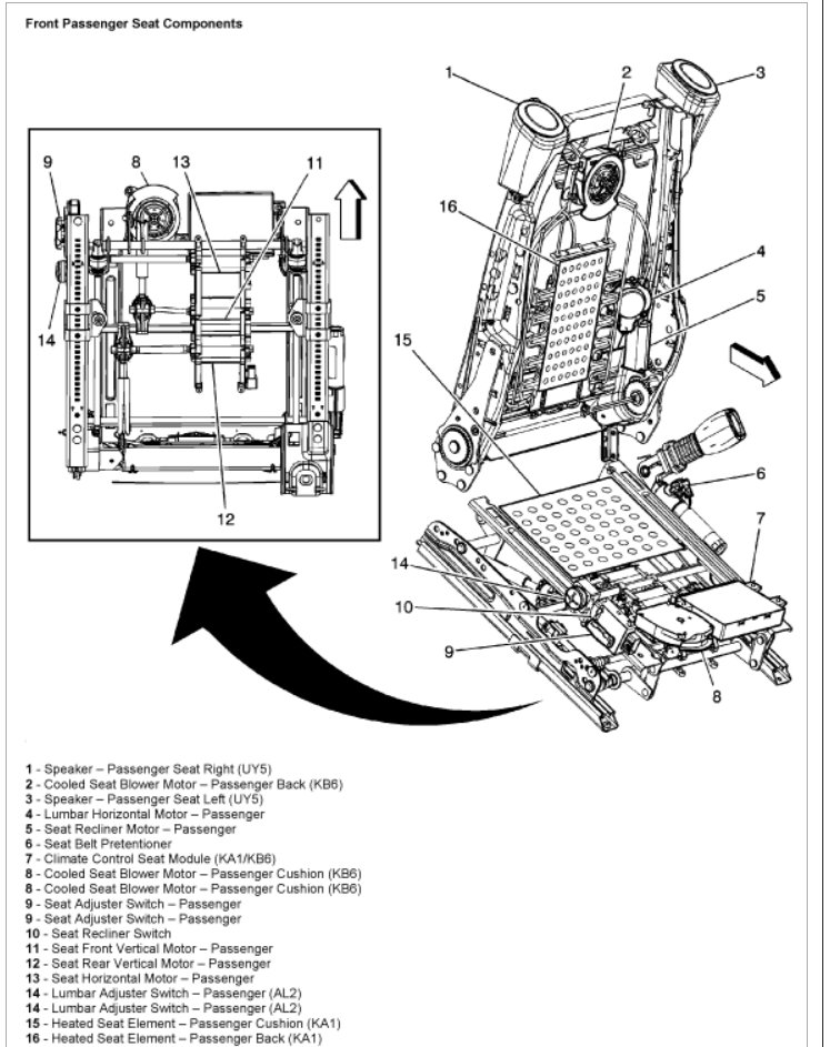
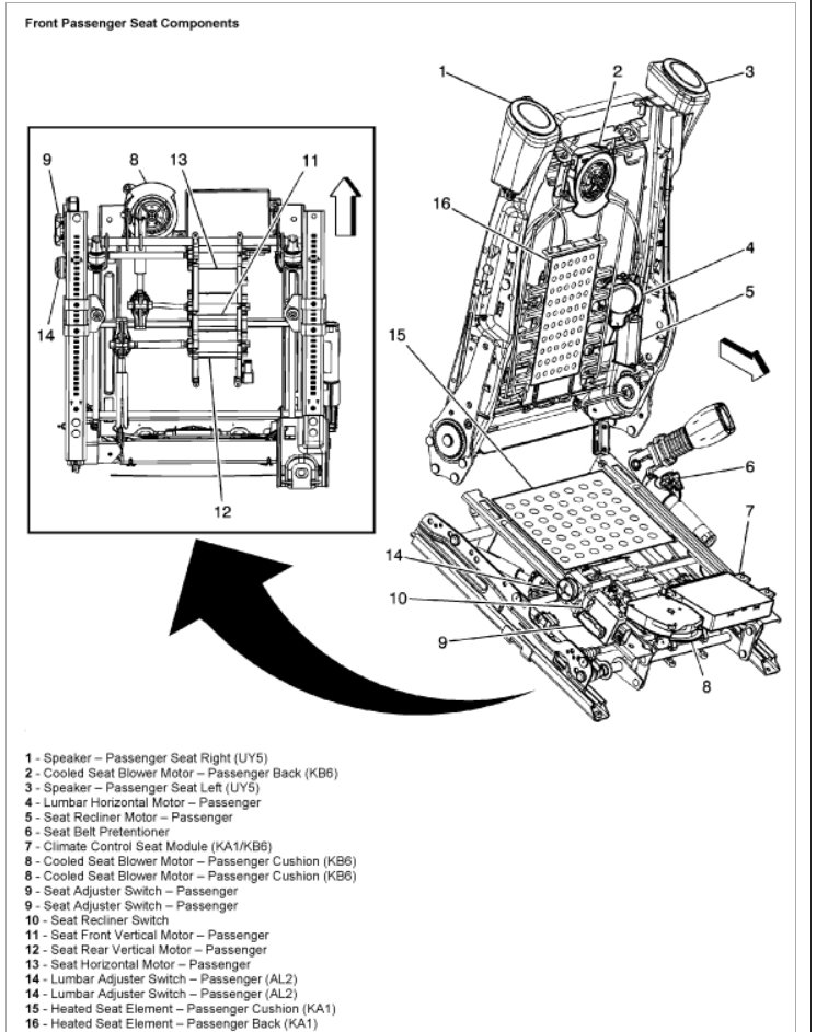
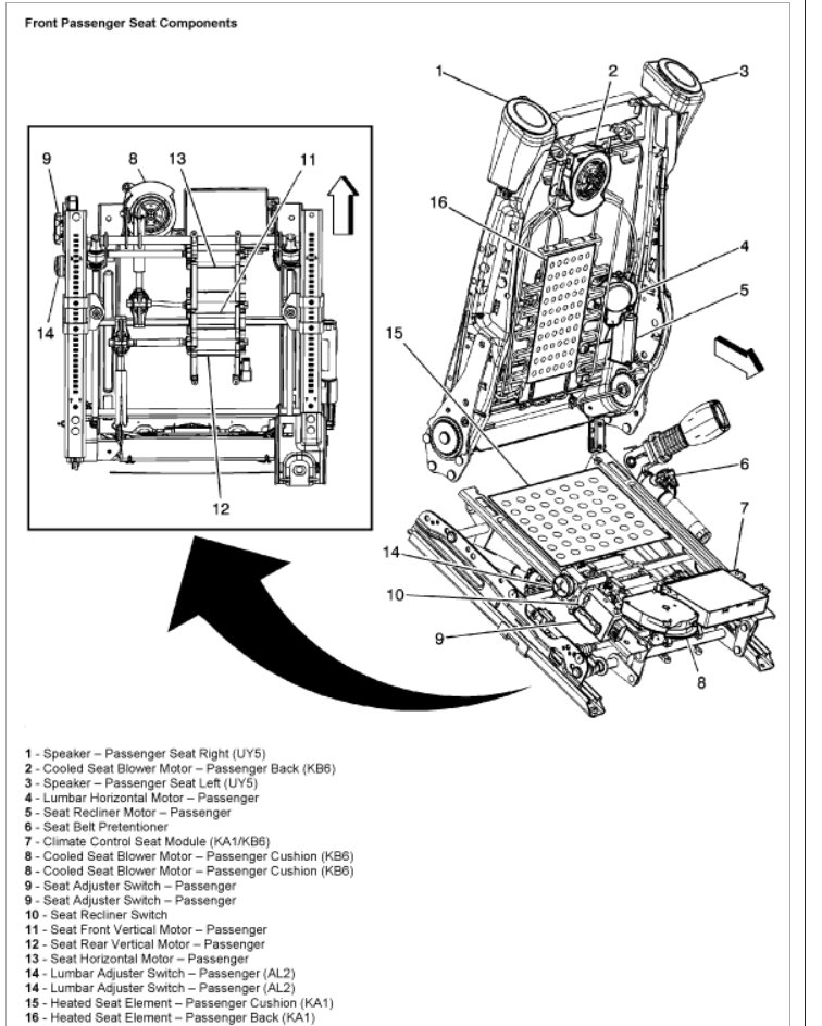
There are probably two bolts on the front of the seat as well. Slide the seat all the way back and look you might need to pull the carpet back and there might be a bolt coming up from under the car here is a diagram of the front of the seat.

Check out the diagrams (Below)

Please let us know if you need anything else to get the problem fixed.

Cheers
Was this
answer
helpful?
Yes
No
Thursday, January 11th, 2018 AT 10:20 AM
Tiny
CURTIS51
  • MEMBER
  • 1 POST
  • 2005 CADILLAC STS
  • 6 CYL
  • AWD
  • AUTOMATIC
  • 60,000 MILES
I have a 2005 STS cadillac. One day last week the tele adjustment on the steering wheel went out. The next day the tilt adjustment and the drivers' side power seat adjustment switches went out. I have checked the fuses and cannot find any that have blown. I can hear a clicking noise under the drivers' seat went anyone of the switch buttons are pressed. Am I overlooking some kind of reset?
Was this
answer
helpful?
Yes
No
Friday, February 5th, 2021 AT 9:31 AM (Merged)
Tiny
JACOBANDNICKOLAS
  • MECHANIC
  • 110,194 POSTS
Hi,

Here are the directions for the removal and replacement of the front seats. The attached pictures correlate with the directions.

2005 Cadillac STS V6-3.6L VIN 7
Seat Replacement - Bucket
Vehicle Body and Frame Seats Service and Repair Removal and Replacement Seat Replacement - Bucket
SEAT REPLACEMENT - BUCKET
Seat Replacement - Bucket

Removal Procedure

Caution: Refer to SIR Caution in Cautions and Notices.
1. Disable the SIR System. Refer to SIR Disabling and Enabling Zone 7 for driver's seat or SIR Disabling and Enabling Zone 9 for passenger seat in SIR.

Pic 1

2. Move the front seat forward in order to access the front seat track trim cover (1).
3. Remove the seat track trim cover (1) from the seat track.

Pic 2

4. Remove the seat track fasteners from the seat track.

Pic 3

5. Disconnect the seat electrical connectors (1).
6. With the aid of an assistant, remove the seat from the vehicle.

Installation Procedure

1. With the aid of an assistant, install the seat into the vehicle.

Pic 4

2. Insert the front tabs (1) on the seat track into the floor.

Pic 5

3. Connect the electrical connectors (1).

Pic 6

Notice: Refer to Fastener Notice in Cautions and Notices.

4. Install the seat track fasteners.

Tighten the seat track fasteners to 30 N.M (22 lb ft).

Pic 7

5. Install the seat track trim covers (1).
6. Enable the SIR System. Refer to SIR Disabling and Enabling Zone 7 for driver's seat or SIR Disabling and Enabling Zone 9 for passenger seat in SIR.

____________________________

I hope this helps. Let me know if you have other questions.

Take care and God Bless,

Joe
Was this
answer
helpful?
Yes
No
+1
Friday, February 5th, 2021 AT 9:31 AM (Merged)
Tiny
RAGTOP00
  • MEMBER
  • 2 POSTS
  • 1998 CADILLAC STS
  • V8
  • FWD
  • AUTOMATIC
  • 92,000 MILES
Occasionally, my power driver seat doesn't work. I can get it to work by wiggling the wire bundle from the rear of the seat. I haven't been able to isolate the exact wire(or connection) that is faulty. Is it possible(easy) to remove the seat to analyze or do I have air bag or other issues to worry about. If it is possible, what is the removal sequence.
Thanks
Was this
answer
helpful?
Yes
No
Friday, February 5th, 2021 AT 9:31 AM (Merged)
Tiny
FACTORYJACK
  • MECHANIC
  • 4,159 POSTS
Her are two bolts under trim covers at rear only. The front disengages when the rear is lifted and pulled rearward. You may have to recline the seatback to get enough lift to disengage the front. The seat is very heavy on this vehicle, you may choose just to leave it in the car and tilt it back.
Was this
answer
helpful?
Yes
No
+3
Friday, February 5th, 2021 AT 9:31 AM (Merged)
Tiny
RAGTOP00
  • MEMBER
  • 2 POSTS
Thanks for the information!
Was this
answer
helpful?
Yes
No
Friday, February 5th, 2021 AT 9:31 AM (Merged)

Please login or register to post a reply.