Thursday, July 31st, 2025 AT 6:26 AM
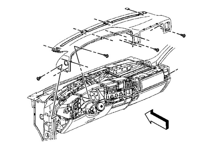
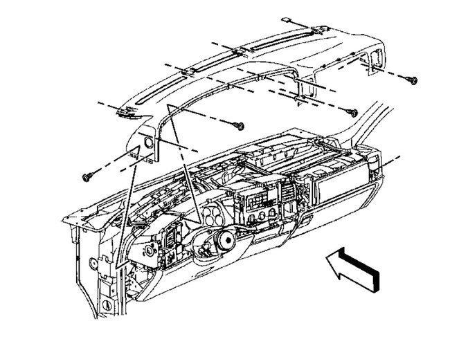
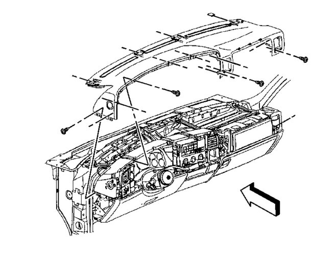
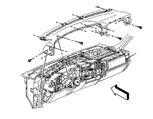
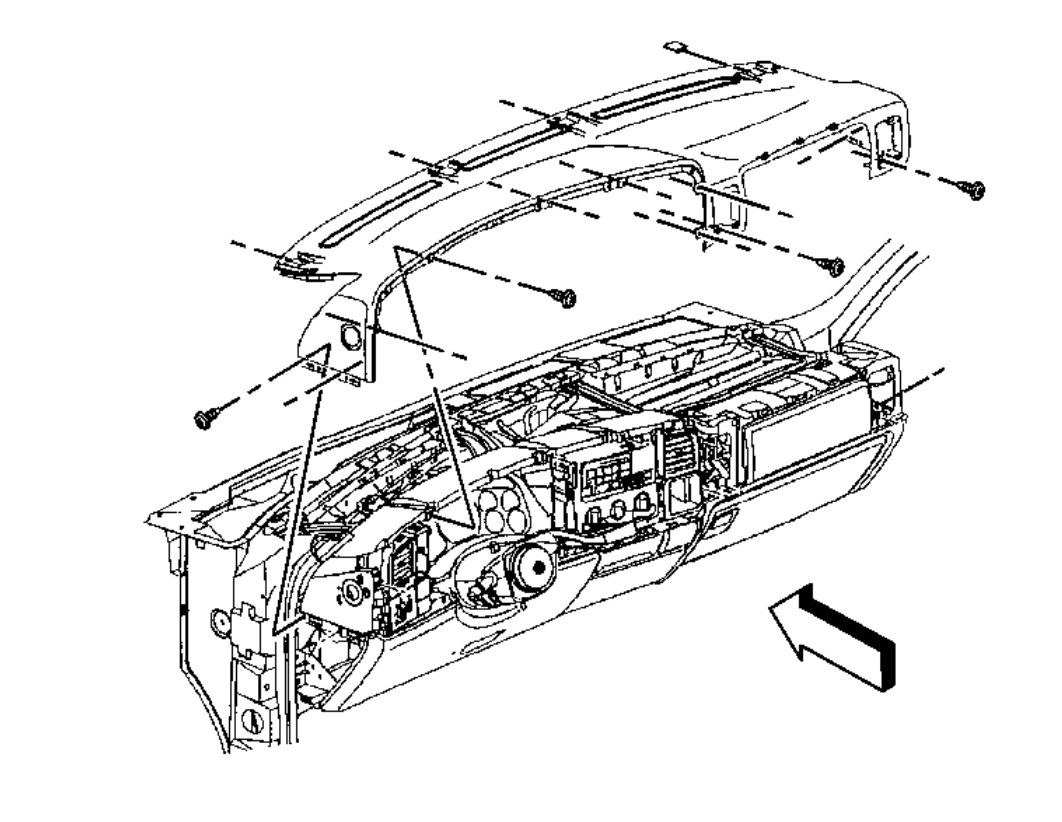
Removing dash and stuck near passenger airbag. All 4 10mm bolts were removed from the airbag unit and unit unplugged from harness with battery disconnect. My question is should the entire airbag unit slide out towards the passenger seat? There are two pillars that go inside I am assuming for the grab handle over the airbag area. Do I need to somehow remove those to get the airbag out? I have followed instructions from many sources and can't seem to find the solution so I can remove the rest of the dash cover. Any input or insight is truly humbly appreciated. I try not to cry out for help without due diligence, but this has me in a bad way. Thank you so very much.




