Remove drivers side power window switch panel

Tiny
SCP1SCP
  • MEMBER
  • 2008 KIA SORENTO
  • 6 CYL
  • 4WD
  • AUTOMATIC
  • 143,000 MILES
The side mirrors do not work and I have purchased a new switch. I found screw in bottom of door handle but the switch panel does not lift off.
Wednesday, April 4th, 2018 AT 5:24 PM

2 Replies

Tiny
STEVE W.
  • MECHANIC
  • 15,676 POSTS
No screws holding it in. Get a flat tool like a narrow plastic scraper or plastic knife. Gently lift the rear edge of the switch trim panel up and insert the tool into the gap and press in on the tab in the middle of the trim and release the switch.

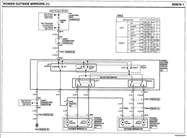
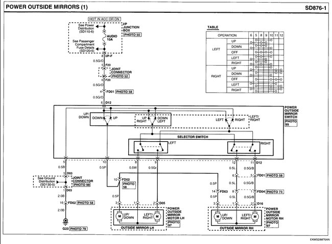
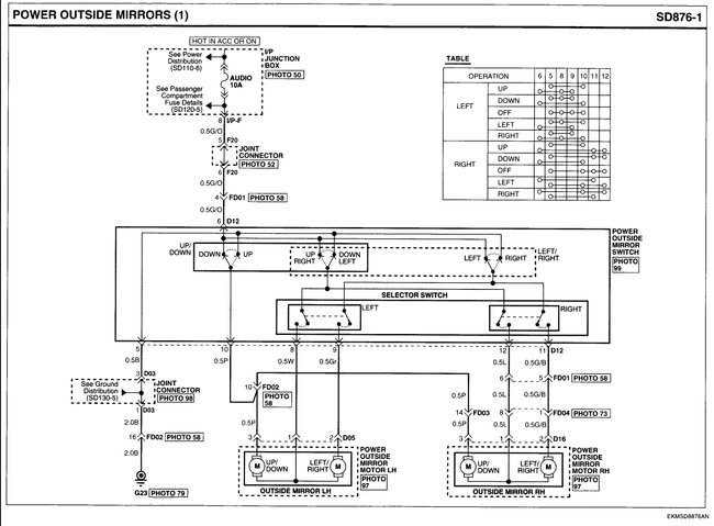
The charts show the terminals and how they connect for each mirror motor. Use a simple continuity tester or a meter with that function to test the switch.

Pins 5 and 6 in the plug carry the power and ground to the switch. If your power window and lock works on the drivers door the ground is okay, but you could still be missing power in. That is on the green wire with orange stripe. It should have battery power. It gets power from the audio fuse which also powers the clock and radio.

Let us know if changing the switch fixes the problem.
Was this
answer
helpful?
Yes
No
+1
Wednesday, April 4th, 2018 AT 9:36 PM
Tiny
SCP1SCP
  • MEMBER
  • 2 POSTS
I am not home now but that is exactly what I need. Thanks for the prompt response.
Was this
answer
helpful?
Yes
No
Thursday, April 5th, 2018 AT 6:01 AM

Please login or register to post a reply.