Saturday, November 10th, 2018 AT 11:08 AM
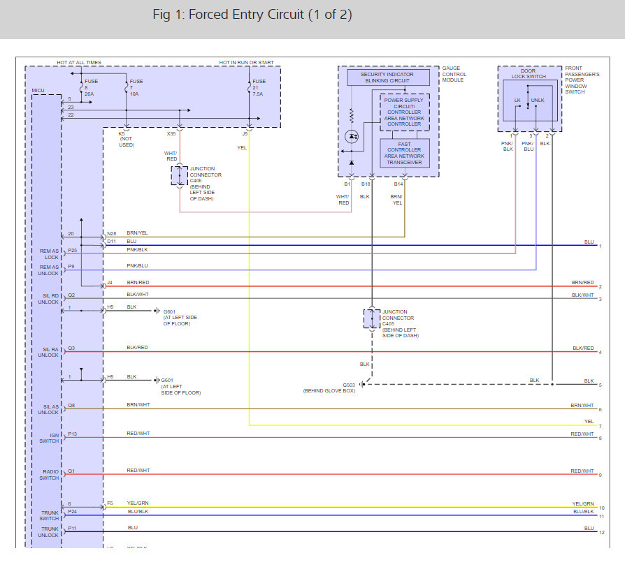
I have a power lock problem when only using the key fobs. I changed the batteries in both my key fobs and I am still not getting good reactions corresponding with the key fobs. All locks work fine while operating system from the driver door panel switches. Since both key fobs do not want to work precisely what they are supposed to do, even after I changed the batteries in both of them. Is there a brain box that works with the system which is usually the suspect of the problem? How does the key-less entry system work on this factory equipped system?














