HOME
ASK A QUESTION
REPAIR GUIDES
BECOME A MEMBER
LOG IN
Login with Facebook
OR
Remember me
NOT A MEMBER?
FORGOT PASSWORD?
CONTACT US
PRIVACY POLICY
TERMS AND CONDITIONS
☰
Home
Toyota
Sienna
Electrical
Fuse Panel
Location
Relay fuse pump location needed
JRHOBB
MEMBER
2002 TOYOTA SIENNA
6 CYL
178,000 MILES
Where is the location and how to replace relay fuse?
Sunday, January 15th, 2017 AT 1:28 PM
1 Reply
KEN L
MASTER CERTIFIED MECHANIC
55,090 POSTS
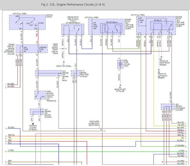
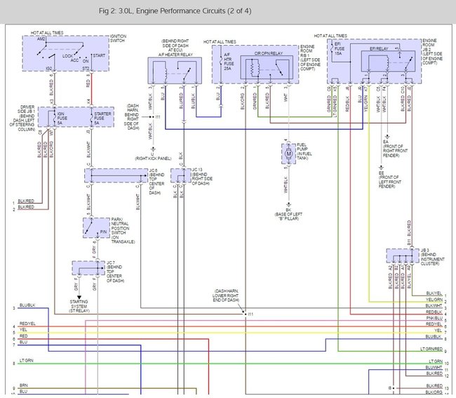
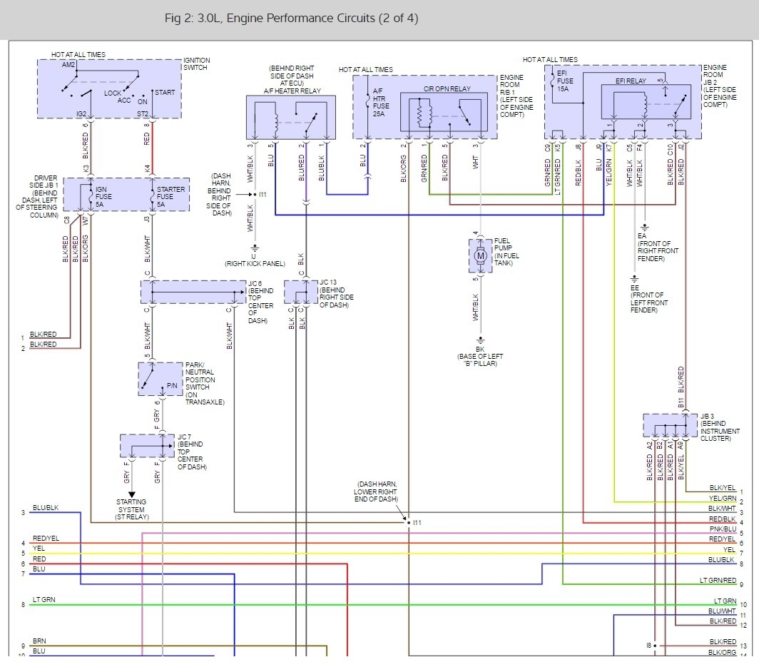
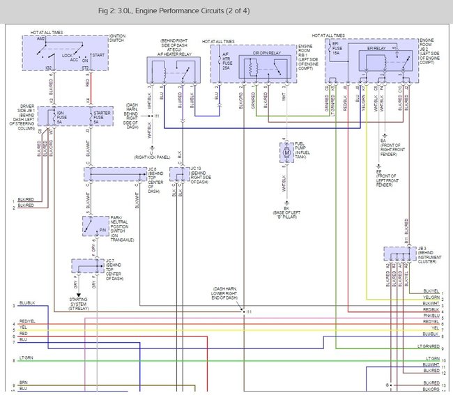
Hey JRHOBB,
it is called a circuit open relay, here is a wiring diagram to show you where it is so you can fix the problem.
Here is a guide on how to check the relay.
https://www.2carpros.com/articles/how-to-check-an-electrical-relay-and-wiring-control-circuit
Please let me know what happens so it will help others.
Best, Ken
Image (Click to make bigger)
Was this
answer
helpful?
Yes
No
Thursday, January 19th, 2017 AT 1:43 AM
Please
login
or
register
to post a reply.
Related Fuse Panel Location Content
Fuse Box Location How Do I Replace Fuse # 38
How Do I Replace Fuse # 38 On The Sienna 2002. This Fuse Controls The Automatic Rear View Mirrors, Cigarette Lighter, Etc And Is Mentioned...
Asked by
azra2003
·
3 ANSWERS
10 IMAGES
2002
TOYOTA SIENNA
Fuse Panel Location What Does The Fuse Panel Look Like...
What Does The Fuse Panel Look Like And How Can I Check The Fuses?
Asked by
Anonymous
·
1 ANSWER
20 IMAGES
2007
TOYOTA SIENNA
Fuse Panel So Hard To Find
Why Is The Fuse Panel So Hard To Find I Need To Check The Fuses.
Asked by
Anonymous
·
1 ANSWER
18 IMAGES
2007
TOYOTA SIENNA
Shaking While Driving And I Put The Brakes On?
While I Was Driving I Would Stomp The Brakes And It Makes The Steering Wheel Shake?
Asked by
sjmona
·
1 ANSWER
12 IMAGES
2015
TOYOTA SIENNA
Broke Fuel Top
50 Amp Top Of The Fuse Box, Have No Power To Unlock Window Interior Light And Door Lock. Try To Rock Fuse Out, The Fuse At The Beginning...
Asked by
Jrhobb
·
3 ANSWERS
2002
TOYOTA SIENNA
VIEW MORE
Ask a Car Question. It's Free!
How to Use a Test Light
Code Read Retrieval/Clear - Dodge Stratus
Starter Motor Replacement