Saturday, April 27th, 2019 AT 10:15 AM
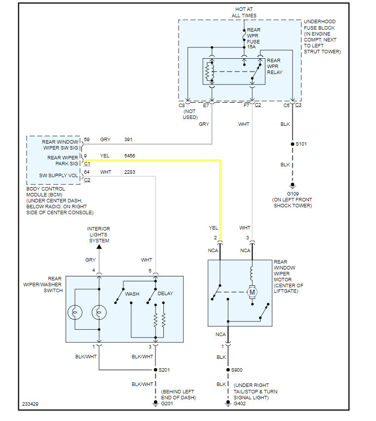
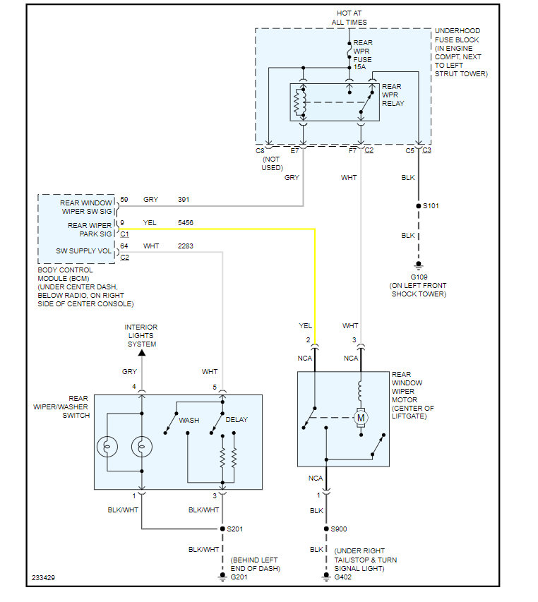
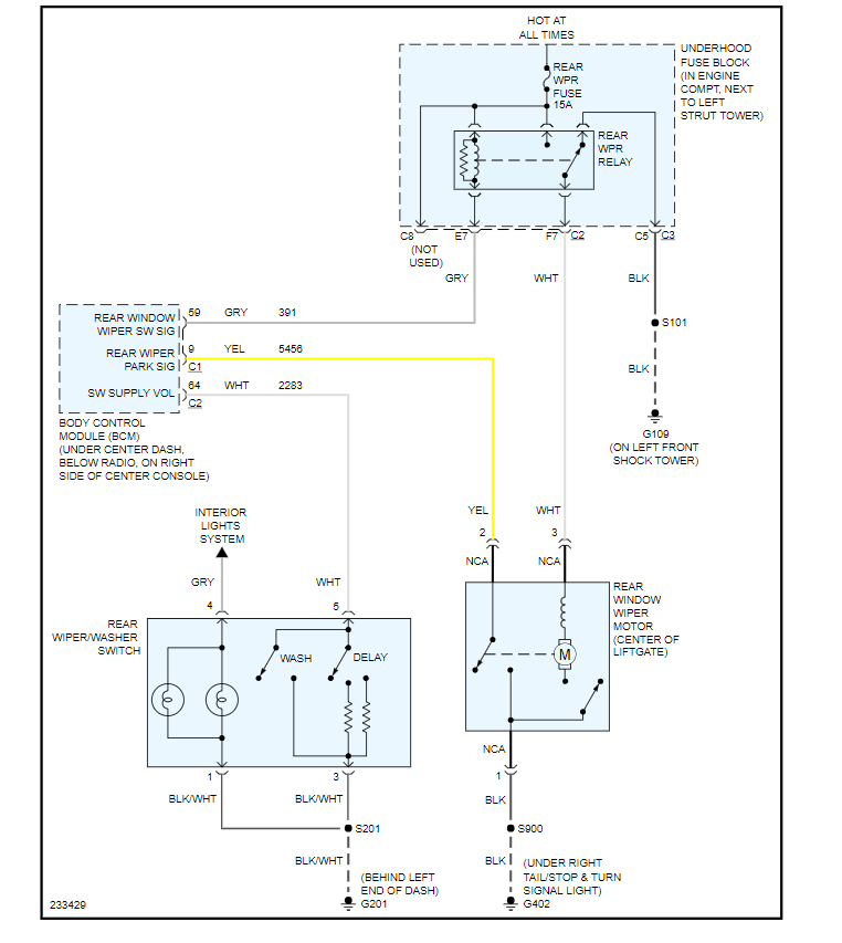
Car started fine, I backed up, realized my wiper was on but not by my switch. I hit button anyway to shut it off and it shut my car down. Wouldn't start without a jump. I drove 15 miles, turned my heat on and the car shut off. Wouldn't start without a jump. After that jump, my car has started every time. I can't turn anything on though. And that rear wiper is running without out being told to. My battery is good, my alternator is reading good, my fuse box seems fine and the fuses. Would you have any idea of why this can happen?




