Sunday, November 19th, 2023 AT 7:53 PM
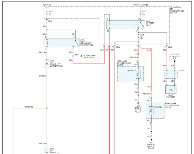
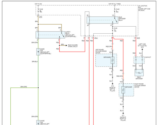
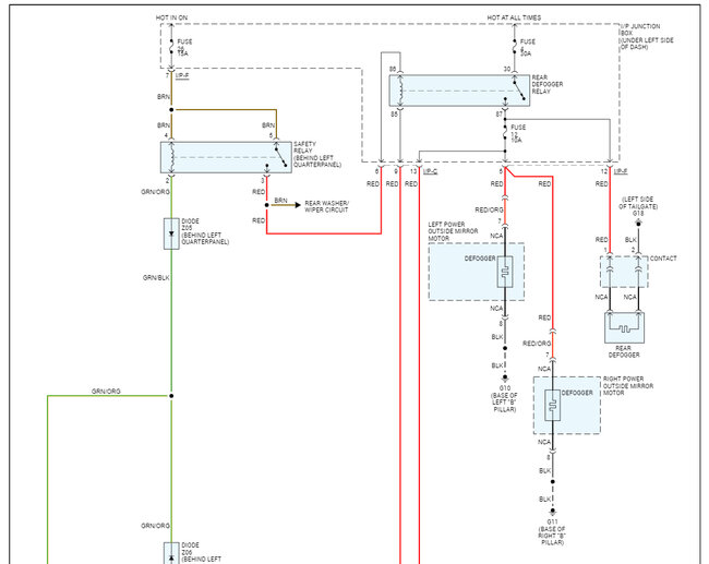
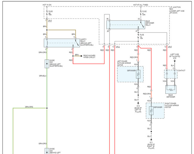
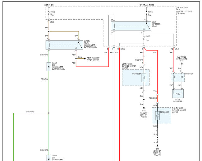
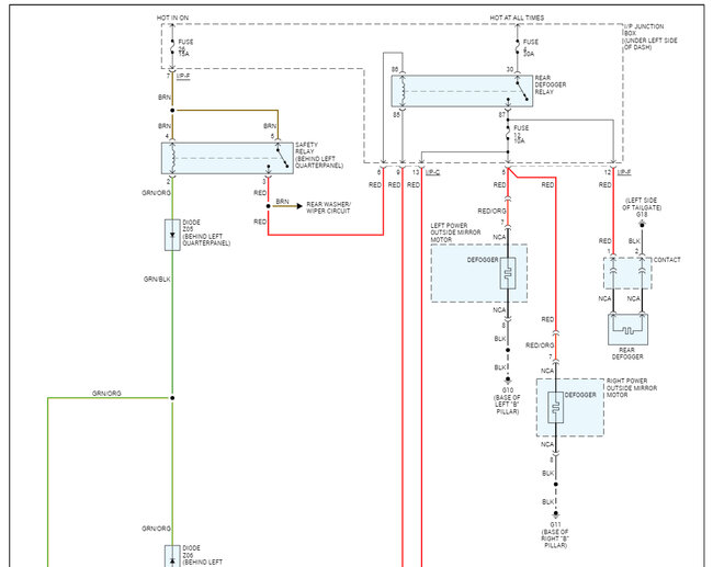
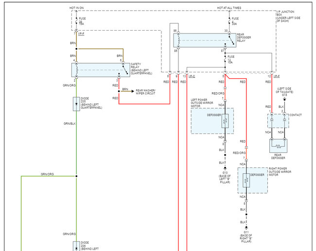
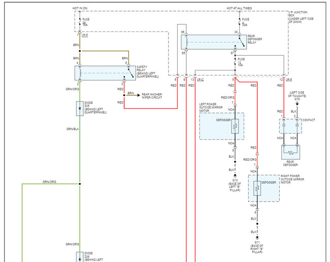
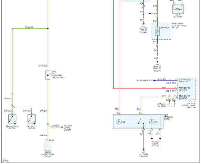
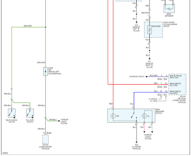
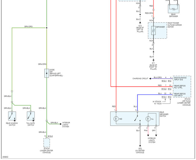
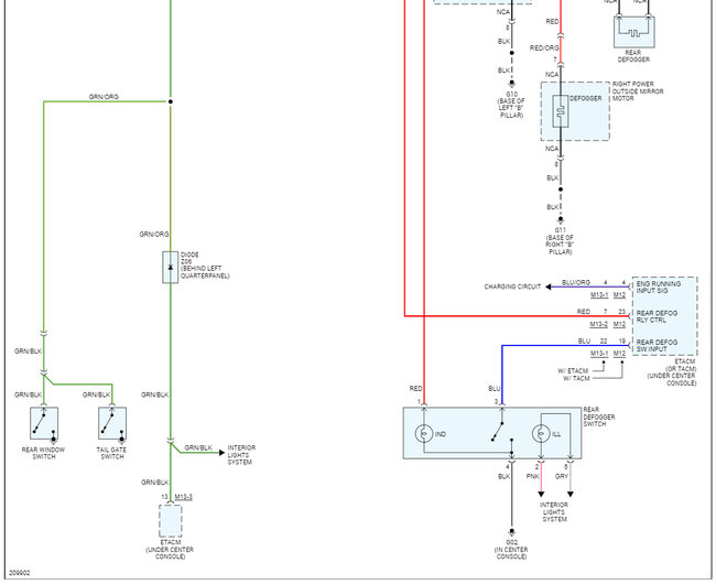
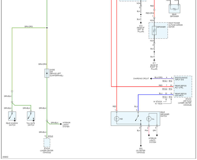
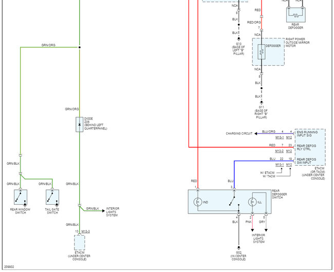
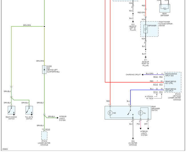
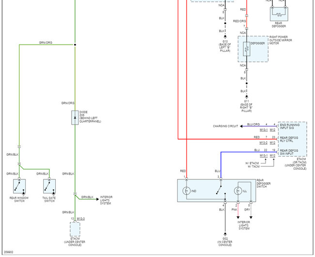
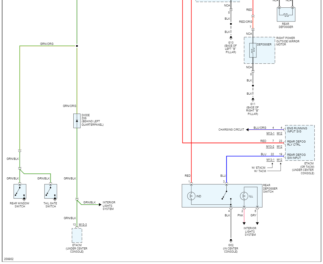
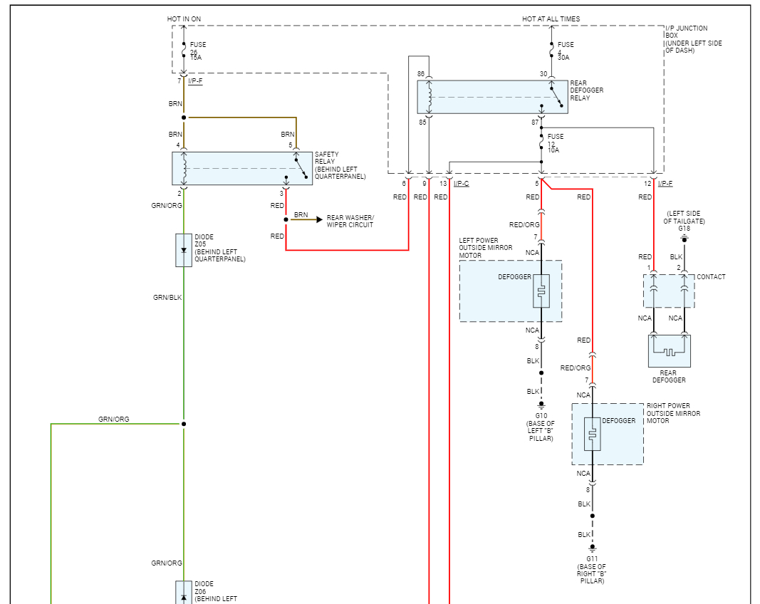
I have an issue with the rear defogger not working. If the button inside was pressed enough eventually it would turn on. Or so it seemed. I was certain the switch was bad, so I replaced it with a new OEM switch. After installing it I still can’t get it to activate. Well, the switch doesn’t illuminate so I assume it’s not working. I’ve checked all the fuses I can see that would relate to this and they all look fine. I couldn’t find a relay for the rear defogger. My shop manual says it has one located on the passenger side compartment. I’ve looked everywhere but don’t see what they are referring to. I do see one located on the driver side for the front windshield defogger. I pulled it and tested it. It worked fine and I have continuity when powered. So, I put that back in. I’ve searched everywhere and can’t find a solution. Other Tucson owners from 09-12 claim the relay for the rear defogger isn’t serviceable and soldered to the board. My manual begs to differ, but I can’t find the one they are referring to. So here I am hoping one of you geniuses can help me out. I really appreciate anything you can offer. I enclosed a photo of what my manual shows. Let me know if yours has anything different. Thank you.



