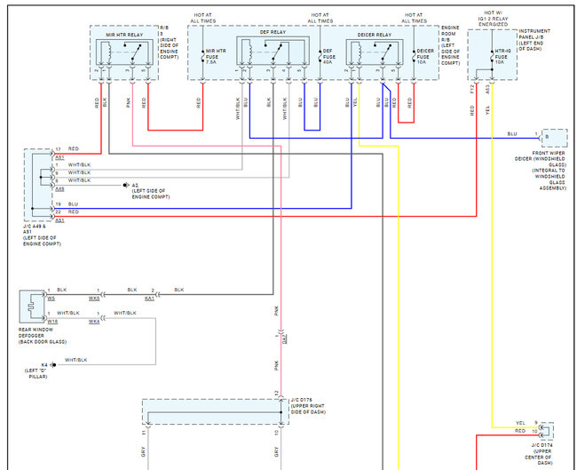
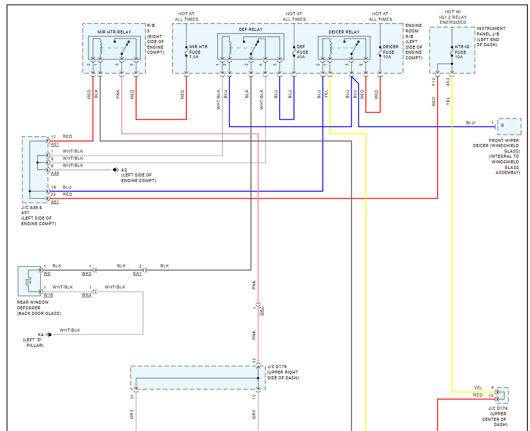
When the rear defogger button is pressed, it lights up, but I never see any defrost action at the rear window. The defrost grid seems to be intact. Tried looking for a fuse /relay diagram in my owners manual, but could not find anything. Checked the web but got some conflicting info as to which fuse and or relay controls the system. I am pretty good electronically, so if anyone can share insight or a schematic, it would be most helpful. Thanks!
Wednesday, December 31st, 2025 AT 12:02 PM

