Is there a separate fluid tank for the rear windshield washer?

Tiny
TED IRELAND
  • MEMBER
  • 2003 DODGE CARAVAN
  • 3.3L
  • 4 CYL
  • 2WD
  • AUTOMATIC
  • 230,000 MILES
If so, where is it located? Thank you.
Sunday, March 13th, 2022 AT 8:22 AM

3 Replies

Tiny
KASEKENNY
  • MECHANIC
  • 18,907 POSTS
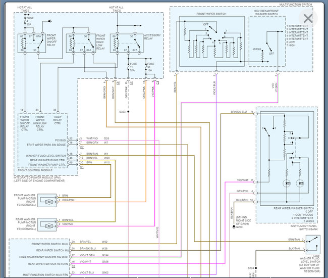
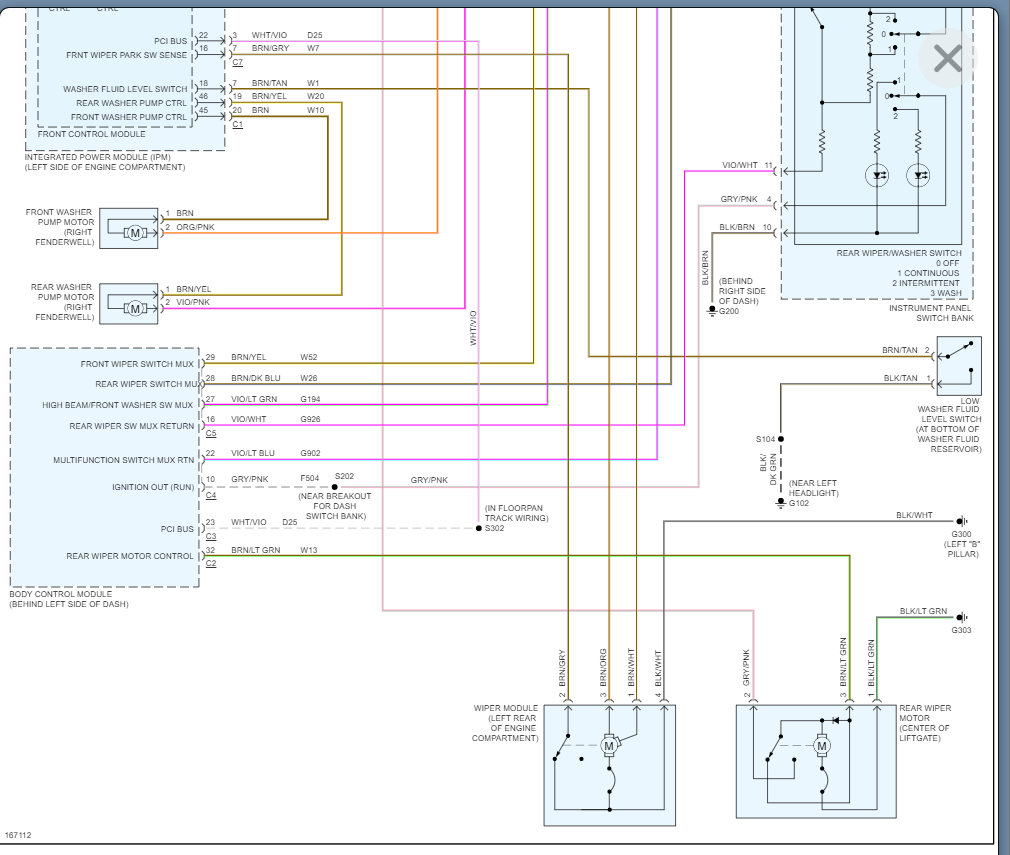
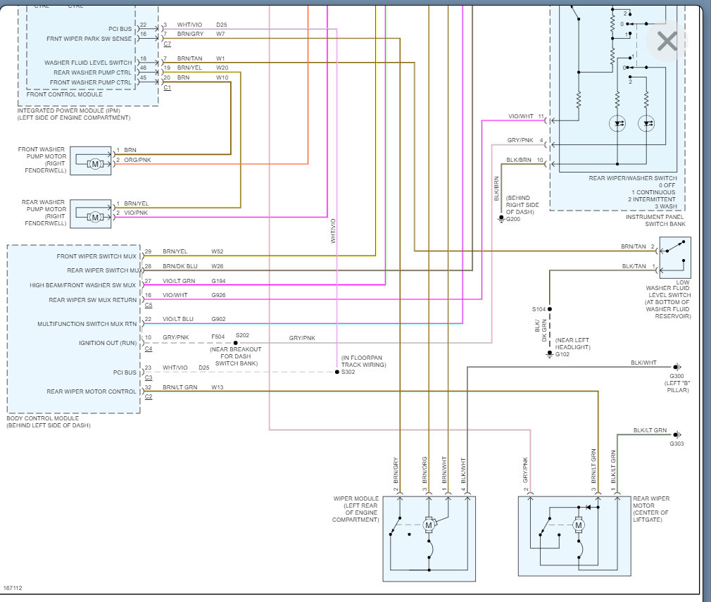
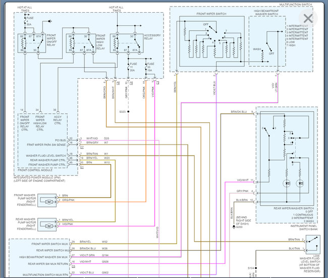
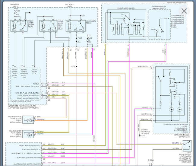
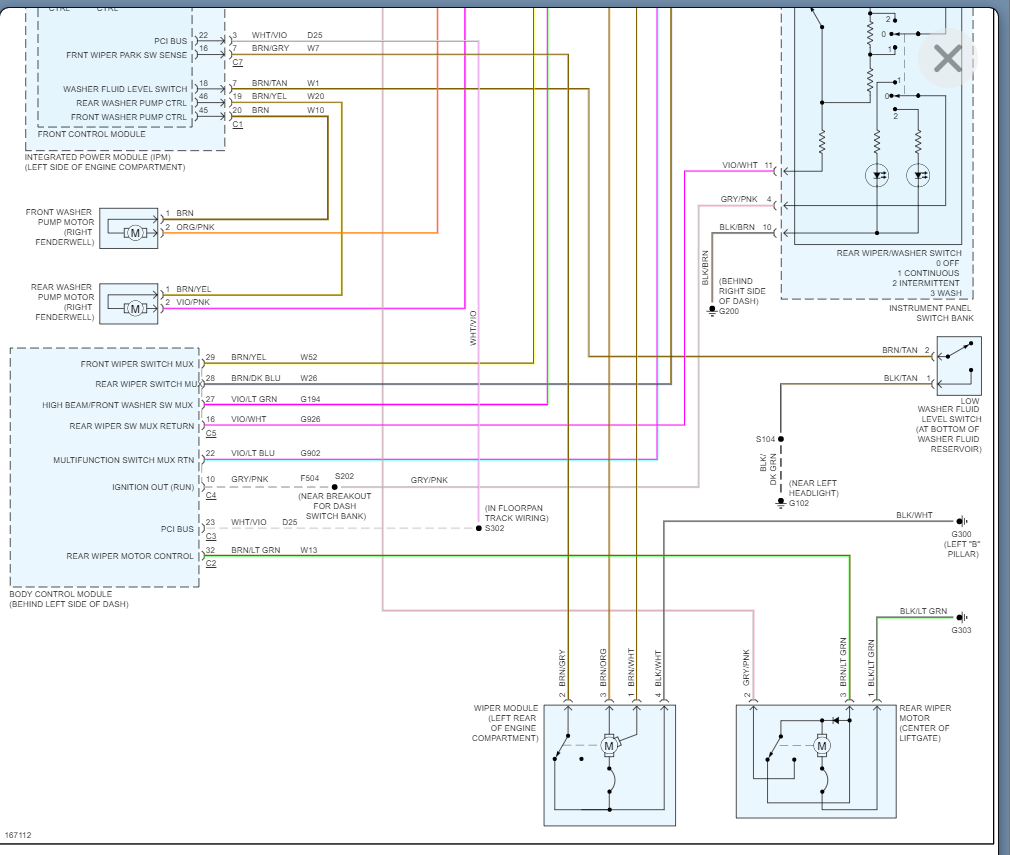
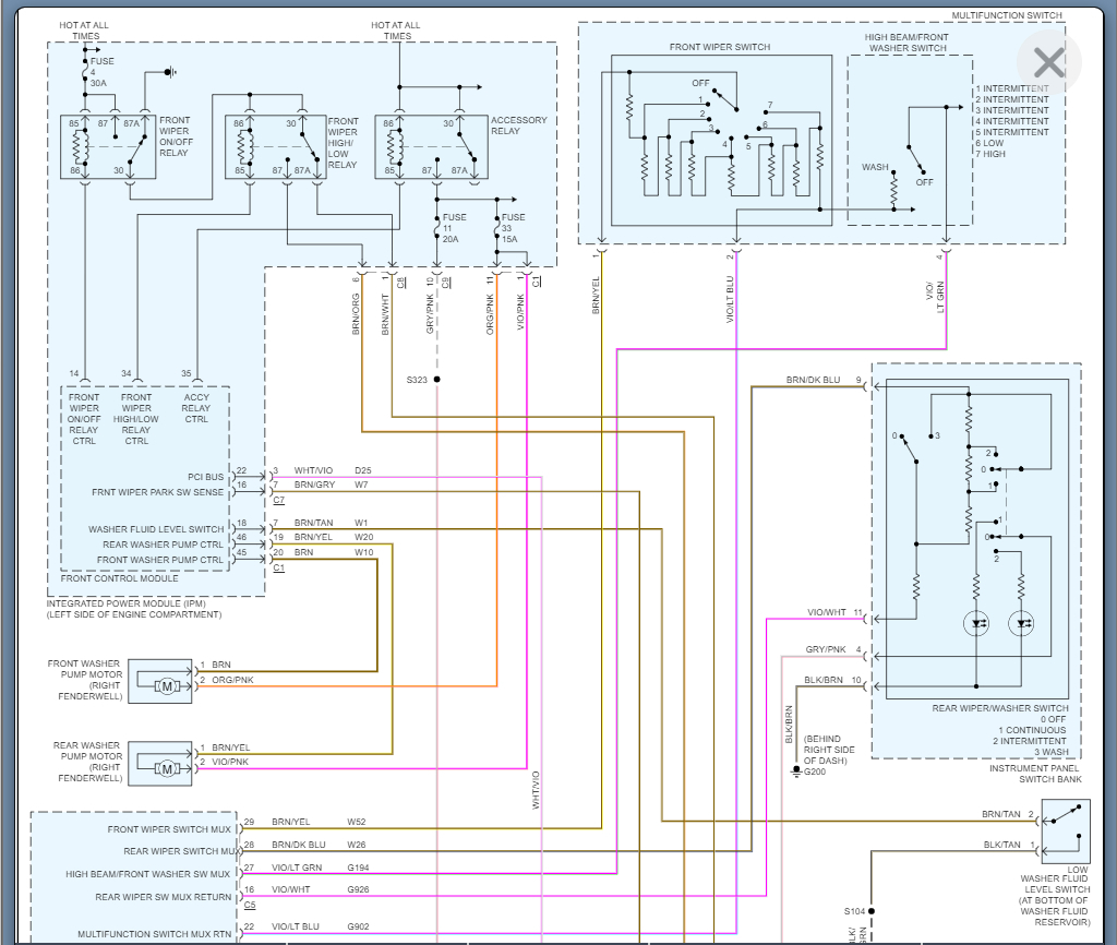
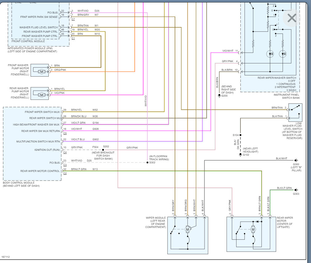
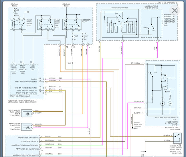
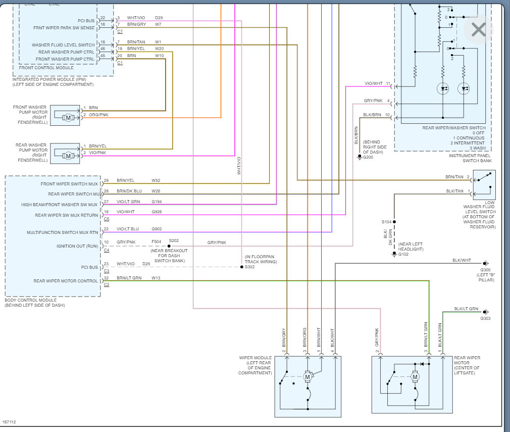
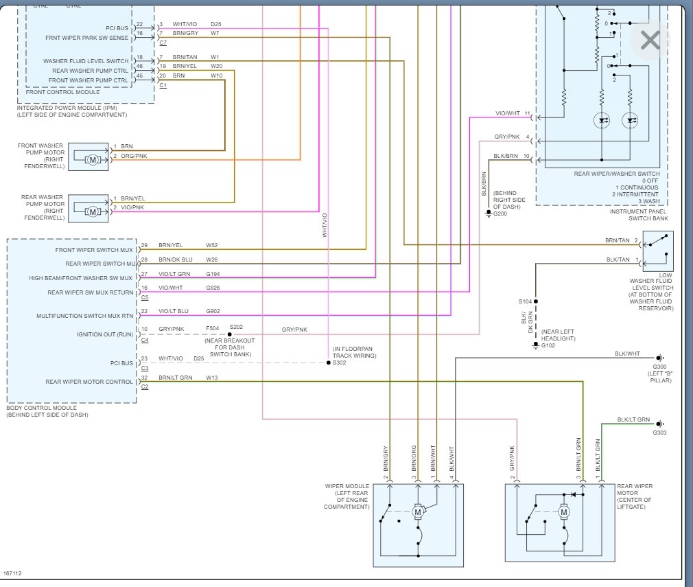
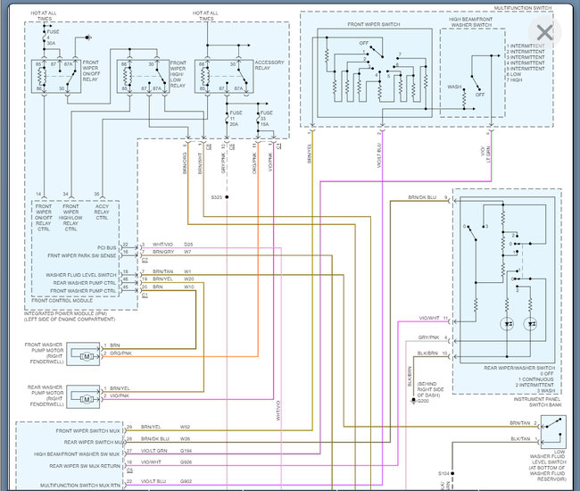
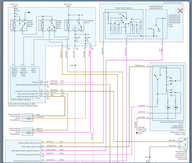
No. There is not a separate reservoir for the rear system. It is the same one for the front and just has a line running to the rear and a pump that pushes the fluid to the rear for the rear motor to spray it on the window.

I attached the info and the wiring diagram in case you need this info.

Here is a guide that will help with any testing that you need to do:

https://www.2carpros.com/articles/how-to-check-wiring

Please let us know what other questions you have on this.

Thanks
Was this
answer
helpful?
Yes
No
+1
Sunday, March 13th, 2022 AT 11:53 AM
Tiny
TED IRELAND
  • MEMBER
  • 2 POSTS
Thank you very much. I appreciate all the help. :)
Was this
answer
helpful?
Yes
No
Tuesday, March 15th, 2022 AT 11:23 AM
Tiny
KASEKENNY
  • MECHANIC
  • 18,907 POSTS
You are welcome. Please come back next time you need some info.

Thanks for using 2CarPros
Was this
answer
helpful?
Yes
No
Tuesday, March 15th, 2022 AT 6:30 PM

Please login or register to post a reply.