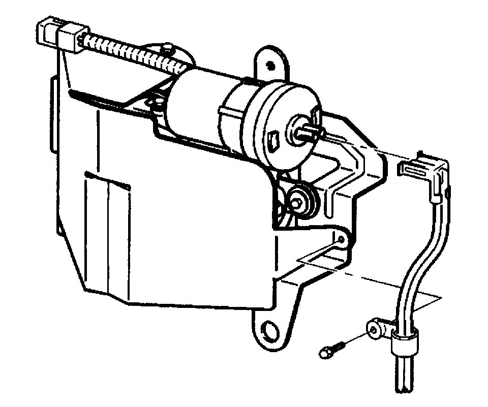
Rear self-leveling shock exhaust valve

Tiny
CHRISBLES
  • MEMBER
  • 2000 BUICK LESABRE
  • 125,000 MILES
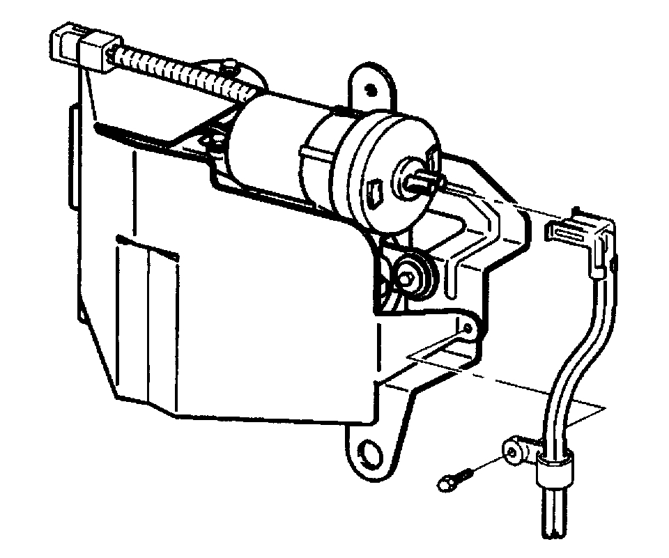
Stiff rear ride. Sill panels appear level to ground. Level sensor rod intact and connected. Pump not charging shocks for past several months. New rear air shocks and front shocks year ago, and pump worked then. Could this be a stuck or bad exhaust valve? Where is it located? How to test and replace? What activates the exhaust valve and could that be the problem?
Many thanks - Chris
Tuesday, September 24th, 2019 AT 5:08 PM

3 Replies

Tiny
STEVE W.
  • MECHANIC
  • 15,671 POSTS
Welcome to 2CarPros. Sounds like either the dump valve or the compressor isn't coming on. Do you hear the compressor coming on? If it is turning on you should hear the air leaking out of the valve when it is running if the valve is stuck open. If the compressor isn't coming on that would be the first place to look. The exhaust valve is part of the compressor head itself and to replace it you replace the entire compressor. The compressor is behind a shield behind the right rear wheel well under the car. The air drier on the compressor is also a piece that could fail and let the air leak back out through the compressor. It is replaceable on it's own if needed.
Was this
answer
helpful?
Yes
No
+1
Wednesday, September 25th, 2019 AT 8:23 PM
Tiny
CHRISBLES
  • MEMBER
  • 2 POSTS
Thanks Steve. No sound of compressor or air leak. Fittings all tight to compressor, shocks,
ALC sensor module. Sensor arm intact. Shocks remain stiff which suggests exhaust valve is holding tight and air drier valve is not letting air leak back, which would activate compressor. I replaced ALC relay 55. 30A ALC fuse 64 looks good. What activates the exhaust valve to dump, and could that be the source of the problem? I bumped the side of the compressor gently trying to free up any stuck items. How can that be tested without replacing parts randomly?
Was this
answer
helpful?
Yes
No
Monday, September 30th, 2019 AT 7:29 AM
Tiny
STEVE W.
  • MECHANIC
  • 15,671 POSTS
The exhaust valve only opens under excess pressure in the compressor, or if the system needs to lower the pressure in the bags. A simple test of the system is to add extra weight into the trunk. A couple hundred pounds should be enough to move the arm and trigger the compressor on to level the car. Then remove the weight and it should release the air to level it again.
Was this
answer
helpful?
Yes
No
+1
Monday, September 30th, 2019 AT 9:01 AM

Please login or register to post a reply.