Rear right parking light not working

Tiny
BLESSING EWOBOR
  • MEMBER
  • 2004 TOYOTA HIGHLANDER
  • 6 CYL
  • 2WD
  • AUTOMATIC
  • 137,856 MILES
Hello, with the switch at parking all the lights will come on except the right rear light. With the brake pedal pressed the light will come on. I have test for voltage at the terminals I could not find any.
Please could you help me the circuit diagram and what could be the fault?
Tuesday, May 4th, 2021 AT 4:28 PM

5 Replies

Tiny
JACOBANDNICKOLAS
  • MECHANIC
  • 110,192 POSTS
Hi,

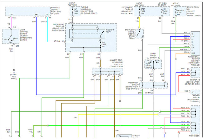
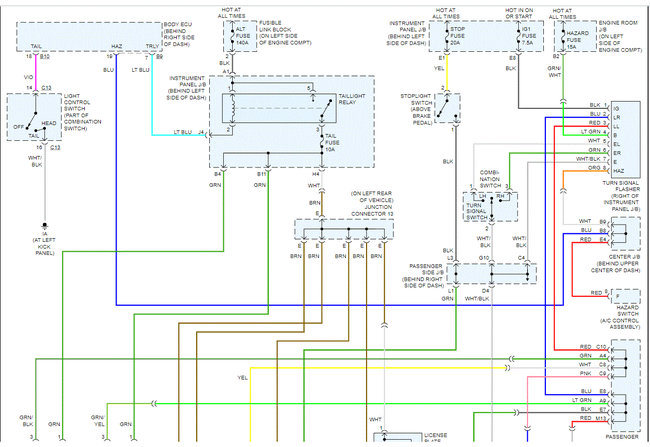
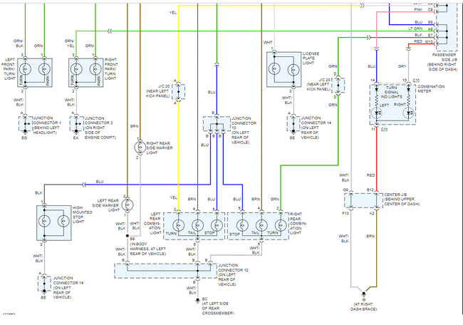
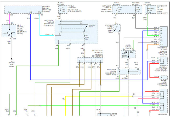
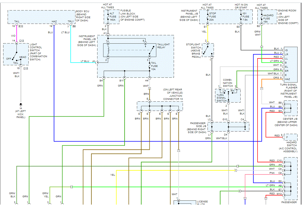
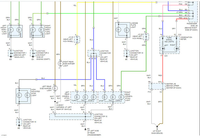
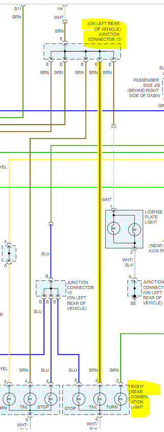
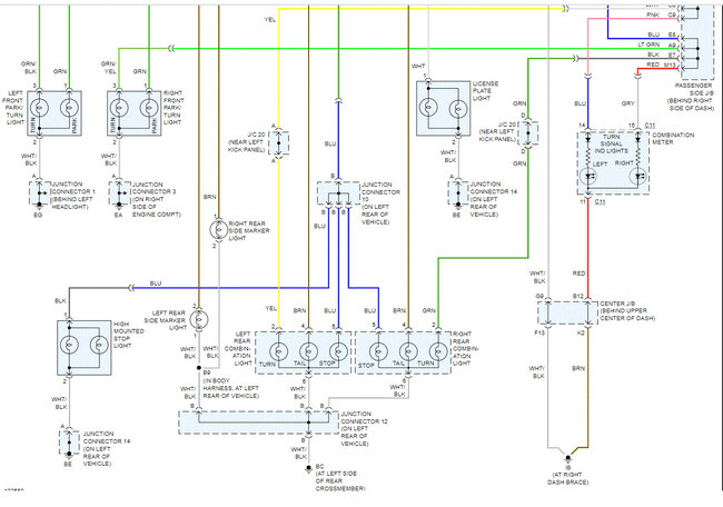
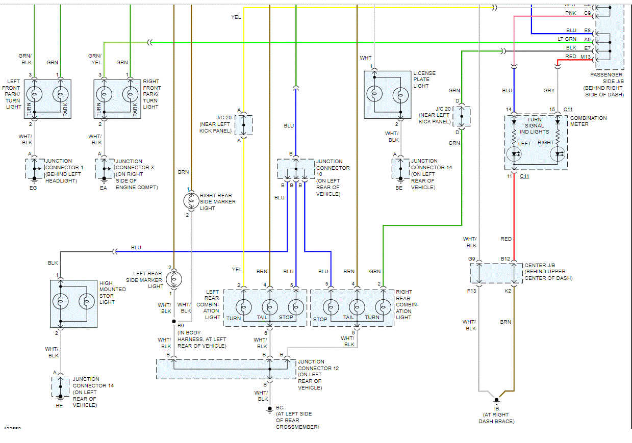
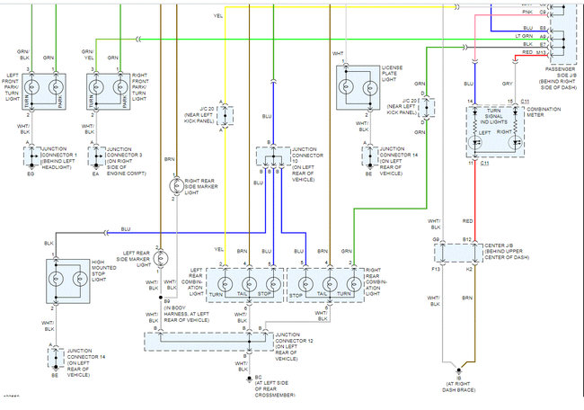
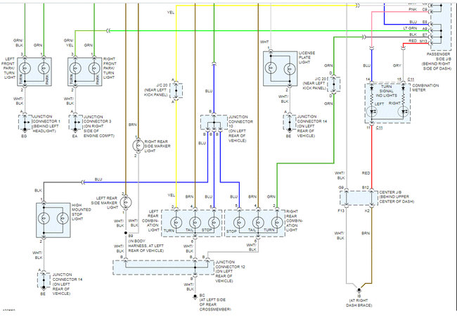
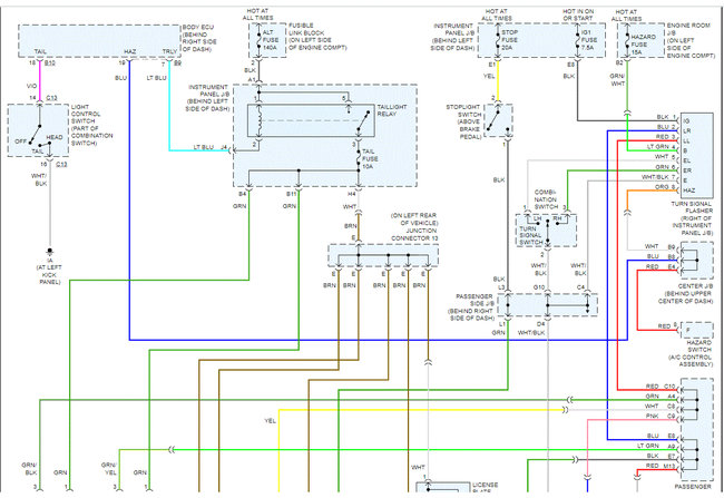
I would be happy to provide the schematic. If you look at the first two pics below, they include the entire schematic for exterior lighting. I had to cut the pic in half to make them readable. I did overlap them.

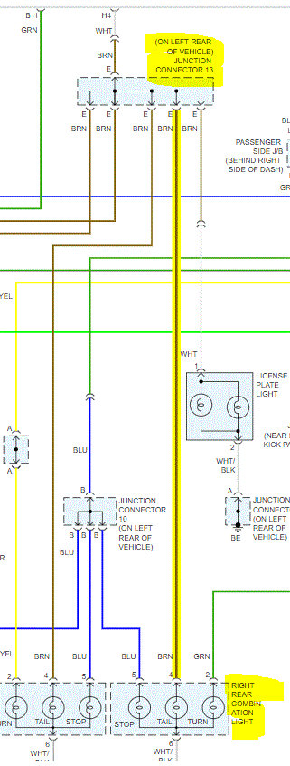
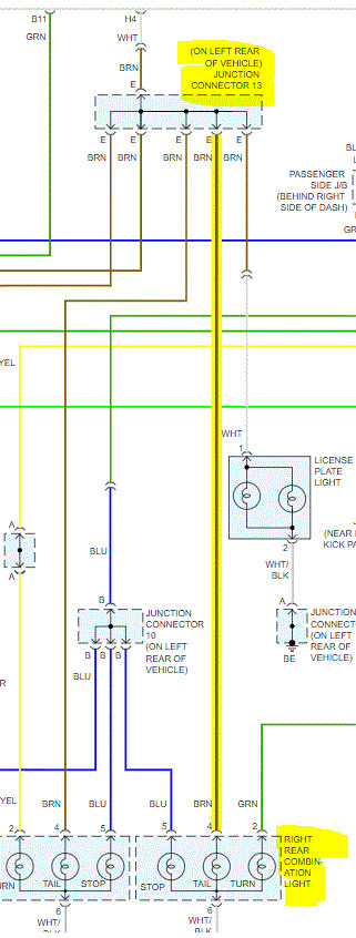
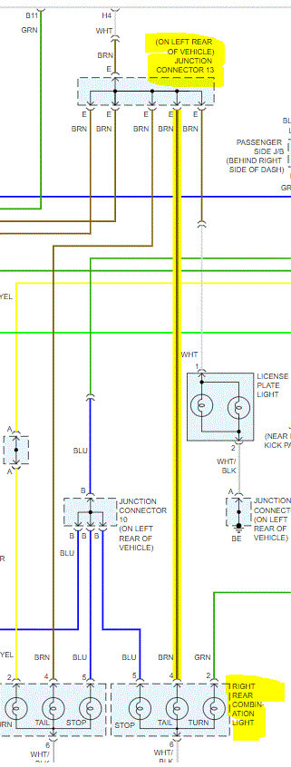
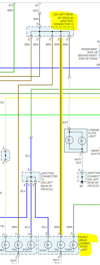
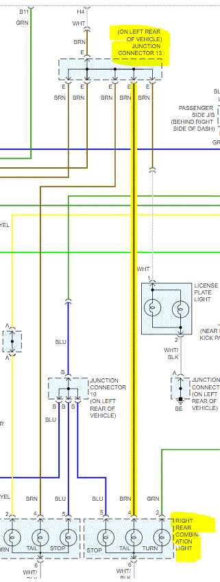
If you look at pic 3, I highlighted the right rear light, wire to it, and a junction connector (which I suspect is where the problem is) on the left rear.

Here is a link that you may find helpful:

https://www.2carpros.com/articles/how-to-check-wiring

Let me know what you find or if you have other questions

Take care,

Joe

See pics below.
Was this
answer
helpful?
Yes
No
Tuesday, May 4th, 2021 AT 9:07 PM
Tiny
BLESSING EWOBOR
  • MEMBER
  • 754 POSTS
Thank you very much.
Was this
answer
helpful?
Yes
No
Tuesday, May 4th, 2021 AT 10:19 PM
Tiny
JACOBANDNICKOLAS
  • MECHANIC
  • 110,192 POSTS
Happy to help. If you have a chance, let me know how things turn out for you.

Take care,

Joe
Was this
answer
helpful?
Yes
No
Wednesday, May 5th, 2021 AT 7:18 PM
Tiny
BLESSING EWOBOR
  • MEMBER
  • 754 POSTS
Good morning sir, it was a partial contact on at the connector, now it is functioning. Thank you sir.
Was this
answer
helpful?
Yes
No
Wednesday, May 5th, 2021 AT 9:43 PM
Tiny
JACOBANDNICKOLAS
  • MECHANIC
  • 110,192 POSTS
Hi,

You are very welcome. I'm glad you found the issue.

Take care and as always, feel free to come back anytime.

Joe
Was this
answer
helpful?
Yes
No
Thursday, May 6th, 2021 AT 7:10 PM

Please login or register to post a reply.