All of the rear lights are not working

Tiny
RBRTSQUIRR41977
  • MEMBER
  • 2007 HYUNDAI ACCENT
  • 1.6L
  • 4 CYL
  • 2WD
  • AUTOMATIC
  • 136,000 MILES
All lights on the rear of car not working, fuses are alright?
Sunday, May 26th, 2019 AT 9:16 AM

1 Reply

Tiny
KEN L
  • MASTER CERTIFIED MECHANIC
  • 55,030 POSTS
Hello,

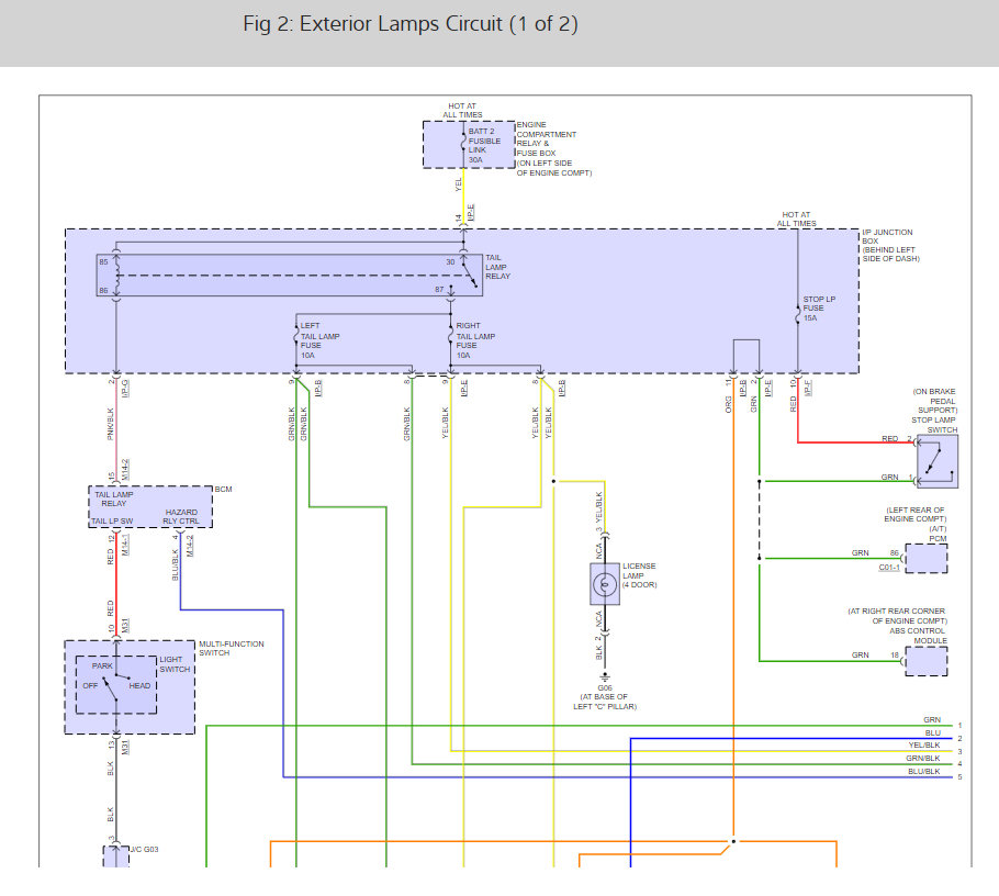
It sounds like you have a tail light relay (flasher) that is not working. To be sure here is a guide to help you and the running light wiring diagrams so you can see how the system works and the relay location as well. There is also a fusible at the battery I would check.

https://www.2carpros.com/articles/how-to-check-an-electrical-relay-and-wiring-control-circuit

Check out the diagrams (below). Please let us know what you find. We are interested to see what it is.
Was this
answer
helpful?
Yes
No
Wednesday, May 29th, 2019 AT 7:47 PM

Please login or register to post a reply.