HOME
ASK A QUESTION
REPAIR GUIDES
BECOME A MEMBER
LOG IN
Login with Facebook
OR
Remember me
NOT A MEMBER?
FORGOT PASSWORD?
CONTACT US
PRIVACY POLICY
TERMS AND CONDITIONS
☰
Home
Chrysler
PT Cruiser
Exterior Light
Running Light
Fuse
None of the rear lights are working
CATHERINE SUAREZ
MEMBER
2003 CHRYSLER PT CRUISER
80,000 MILES
Check fuses all are okay.
Tuesday, January 14th, 2020 AT 3:45 PM
1 Reply
ASEMASTER6371
MECHANIC
52,796 POSTS
Good morning,
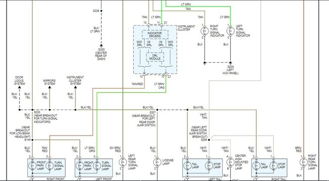
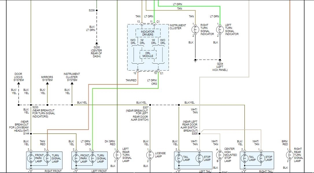
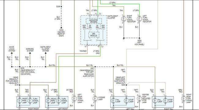
I attached a diagram for you of the circuit.
You need to check the fuses for voltage to be sure power is available to the multifunction switch for turning on the lights.
https://www.2carpros.com/articles/how-a-car-fuse-works
Use a test light to check for voltage.
https://www.2carpros.com/articles/how-to-use-a-test-light-circuit-tester
Roy
Images (Click to make bigger)
Was this
answer
helpful?
Yes
No
Wednesday, January 15th, 2020 AT 4:43 AM
Please
login
or
register
to post a reply.
Related Running Light Fuse Content
No Lights Or Locks
My Power Locks Quit Working And At The Same Time I Have No Head Lights Or Tail Lights, Everything Else Works. I Checked All Of My Fuses And...
Asked by
ahalter
·
2 ANSWERS
1 IMAGE
2003
CHRYSLER PT CRUISER
Tail Lights Not Working
On A 2008 Pt Cruiser Tail Lights And 2 Lower Brake Lights Are Not Working. The Upper Brake Light Is The Only One Coming On. All Turn Signals...
Asked by
sarge2
·
1 ANSWER
6 IMAGES
2008
CHRYSLER PT CRUISER
No Headlights Or Tail Lights?
Last Night All My Light Were Working. Tried To Go To Work. I Hit The Switch To Unlock The Car. I Get Nothing. The Head Lights And Tail Light...
Asked by
gregorykpowell
·
1 ANSWER
7 IMAGES
2002
CHRYSLER PT CRUISER
Tail Light Lens
Twice Within A Month I Have Had To Replace Exploded Tail Lights Because Of Moisture In The Lenses. Its More Than Moisture, Its Wet. First...
Asked by
kimberlysoup
·
1 ANSWER
1 IMAGE
2006
CHRYSLER PT CRUISER
Taillights Are Not Working?
I Turned On The Headlights, And All The Lights (head, Dash, Tail, Ect) Came On For 2-3 Seconds, Then Flashed On And Off 4-5 Times....
Asked by
Dave1960
·
1 ANSWER
4 IMAGES
2008
CHRYSLER PT CRUISER
VIEW MORE
Ask a Car Question. It's Free!
How to Use a Test Light
Have a Dim Headlight? - Try Replacing This!
Turn Signals Blink Fast