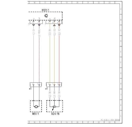
Rear lift gate sensor

Tiny
NICKWUNDER
  • MEMBER
  • 2010 MERCEDES BENZ GL450
  • 4.6L
  • V8
  • 4WD
  • AUTOMATIC
  • 170,000 MILES
Without going through the craziness and all the money I have sunk in to my vehicle the last few weeks.I am down to the "second" new rear door actuator. Opens closes fine even with the remote but once closed and latched every few minutes. Sounds like a relay clicks in the rear right compartment sending a signal to the latch to lock again (already locked) thus draining my battery over time. Tested all my fuses for voltage drop. Did find a big drop with #25 but after ripping out the rear CD player it went back to 0.00.
so no matter how long the car sits if you stand behind it every few minutes. You hear it sending a signal to the tailgate latch. Took out all the relays one by one (rear fuse panel) still does it. Is there another sensor in the back compartment I am missing I keep hearing a relay click in the back compartment? Any help would be greatly appreciated.
Monday, April 6th, 2020 AT 3:17 AM

16 Replies

Tiny
JACOBANDNICKOLAS
  • MECHANIC
  • 110,192 POSTS
Hi,

It sounds like the problem could be the rear door control module. I have attached a picture of it. First, locate the component and see if that is where the noise is coming from.

Let me know what you find.

Joe
Was this
answer
helpful?
Yes
No
Monday, April 6th, 2020 AT 8:09 AM
Tiny
NICKWUNDER
  • MEMBER
  • 8 POSTS
Already looked at that even unplugged everything the noise continued the sound of a relay keeps clicking and lift gate tries to operate even though it is closed.
Was this
answer
helpful?
Yes
No
Monday, April 6th, 2020 AT 8:42 AM
Tiny
JACOBANDNICKOLAS
  • MECHANIC
  • 110,192 POSTS
It tries opening with the module disconnected? If that is the case, somewhere the must be a short to power. Have you tried retrieving codes?
Was this
answer
helpful?
Yes
No
Monday, April 6th, 2020 AT 9:50 AM
Tiny
NICKWUNDER
  • MEMBER
  • 8 POSTS
No the lift gate just sounds like it activates after you hear the click of the relay doesn't try to open just maybe trying to lock again?
Was this
answer
helpful?
Yes
No
Monday, April 6th, 2020 AT 10:09 AM
Tiny
JACOBANDNICKOLAS
  • MECHANIC
  • 110,192 POSTS
Have you tried replacing or checking the relay?

https://www.2carpros.com/articles/how-to-check-an-electrical-relay-and-wiring-control-circuit

I'm sorry I have so many questions. This is a new one to me because it shouldn't even work with the module disconnected.
Was this
answer
helpful?
Yes
No
Monday, April 6th, 2020 AT 11:03 AM
Tiny
ASEMASTER6371
  • MECHANIC
  • 52,796 POSTS
Good afternoon,

I would start by checking and cleaning up grounds. There are 3 grounds for this system. I attached pictures of them. Clean them with a wire brush and make sure they are tight.

Roy
Was this
answer
helpful?
Yes
No
Monday, April 6th, 2020 AT 11:47 AM
Tiny
NICKWUNDER
  • MEMBER
  • 8 POSTS
For some reason I have yet to hear it while ripping out the wheel. Hear is a picture of what is by the wheel is that the controller in the middle (white box):
Was this
answer
helpful?
Yes
No
Monday, April 6th, 2020 AT 12:35 PM
Tiny
ASEMASTER6371
  • MECHANIC
  • 52,796 POSTS
Yes, that matches the picture Joe posted earlier.

Roy
Was this
answer
helpful?
Yes
No
Monday, April 6th, 2020 AT 12:40 PM
Tiny
NICKWUNDER
  • MEMBER
  • 8 POSTS
Noise is back again. Might have a chance to look at it tomorrow. Thank you so much.
Was this
answer
helpful?
Yes
No
Monday, April 6th, 2020 AT 1:34 PM
Tiny
ASEMASTER6371
  • MECHANIC
  • 52,796 POSTS
You are welcome.

We are always glad to help.

Roy
Was this
answer
helpful?
Yes
No
Monday, April 6th, 2020 AT 1:45 PM
Tiny
NICKWUNDER
  • MEMBER
  • 8 POSTS
Ripped my car apart and found the click "relay" noise is coming from the rear sam. The noise only starts after the car goes to sleep. I disconnected the lift-gate actuator but the click is still present. Do you think the problem is with the sam or a single getting sent to the sam? To operate the lift-gate? When I am driving all is good no noise lift gate works with no problems on or off. It is just when the car is asleep sounds like the rear sam isn't thus draining my battery. Checked all the draws on the fuses and nothing?
Was this
answer
helpful?
Yes
No
Saturday, April 11th, 2020 AT 12:08 PM
Tiny
ASEMASTER6371
  • MECHANIC
  • 52,796 POSTS
This sounds like the Sam itself. It sounds like an internal issue with the unit.

Roy
Was this
answer
helpful?
Yes
No
Saturday, April 11th, 2020 AT 12:49 PM
Tiny
NICKWUNDER
  • MEMBER
  • 8 POSTS
Can I switch the rear one out without having it programmed? Already had the front one done at the dealer and the bill was not pretty.
Was this
answer
helpful?
Yes
No
Saturday, April 11th, 2020 AT 1:02 PM
Tiny
ASEMASTER6371
  • MECHANIC
  • 52,796 POSTS
Unfortunately no. It must be programmed.

You could try and find a shop that has the X Sentry program to program it for you. They will be a lot less than the dealer.

Roy
Was this
answer
helpful?
Yes
No
Saturday, April 11th, 2020 AT 1:14 PM
Tiny
NICKWUNDER
  • MEMBER
  • 8 POSTS
Would just like to go over all the info before I change out another SAM in the car (witch is not wet and looks good).
1- changed out lift gate actuator twice (just incase one was faulty. Aftermarket)
2-When car tries to go into sleep mode something sends a signal to the rear SAM that the lift gate is not locked. So every minute the rear actuator tries to lock again (even though it is already locked tight) thus rear SAM is awake and drains the battery
3-This does not happen when car is on. The dash tailgate light does not go on and the overhead lights go out as normal after car is started
4-The SAM goes to sleep if I leave the lift gate "ajar" (no battery drain)
5- Can the pinch sensor be responsible? Is the pinch sensor the same as the aliment sensor?
6-does the software need to updated with a aftermarket actuator?
Any ideas? Thank you much.
Was this
answer
helpful?
Yes
No
Tuesday, April 14th, 2020 AT 4:09 AM
Tiny
ASEMASTER6371
  • MECHANIC
  • 52,796 POSTS
Yes to the pinch sensor.

Yes to the actuator. It needs to be programmed.

Sounds like you have covered all the bases.

Roy
Was this
answer
helpful?
Yes
No
Tuesday, April 14th, 2020 AT 4:21 AM

Please login or register to post a reply.