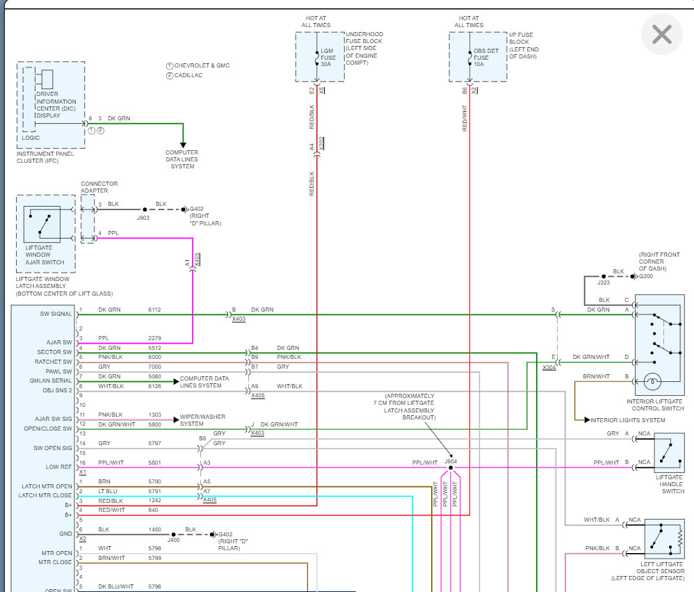
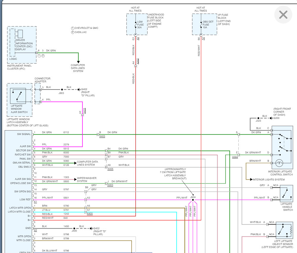
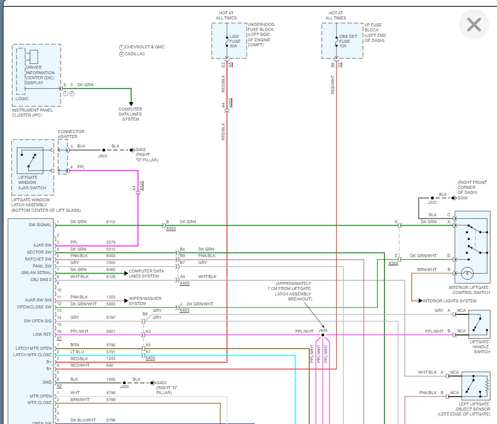
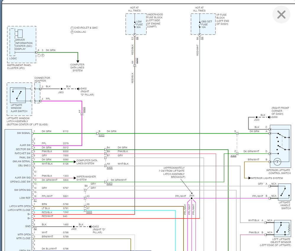
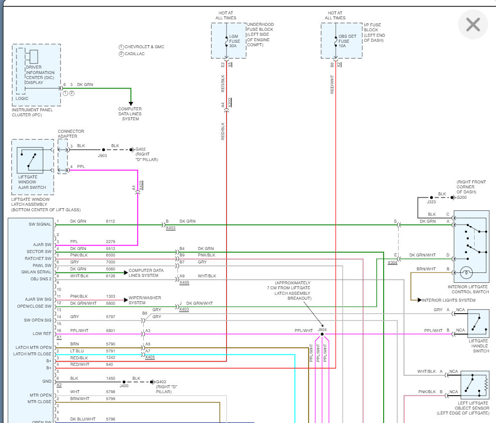
I checked the fuse # 44 and found I don’t have any power going to that lift-gate latch fuse. And the fuse is good. So, I'm assuming because we are not getting power to the unlock switch? And that is causing this issue?
Then for 2 weeks I could not get the lift-gate to open at all with any of the two switches or the remote fob. I could only Get the tail-gate glass to open with the remote-control fob only. I never even got so much as a click when I tried to open the tailgate. I only got one flashing light when I tried it on the remote fob. So luckily, I noticed on a thread that if you disconnect the battery, it might reset it. Luckily for me that worked and now I can at least open the tailgate with either the fob or the switch inside the SUV.
What do I check now to get the lift-gate and rear glass to work again from the buttons on the lift-gate?
Thanks for your help.
Rick
Sunday, February 6th, 2022 AT 4:27 PM

