Wednesday, August 6th, 2025 AT 4:53 PM
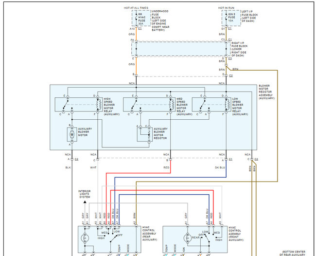
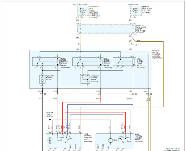
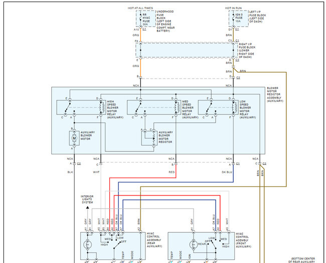
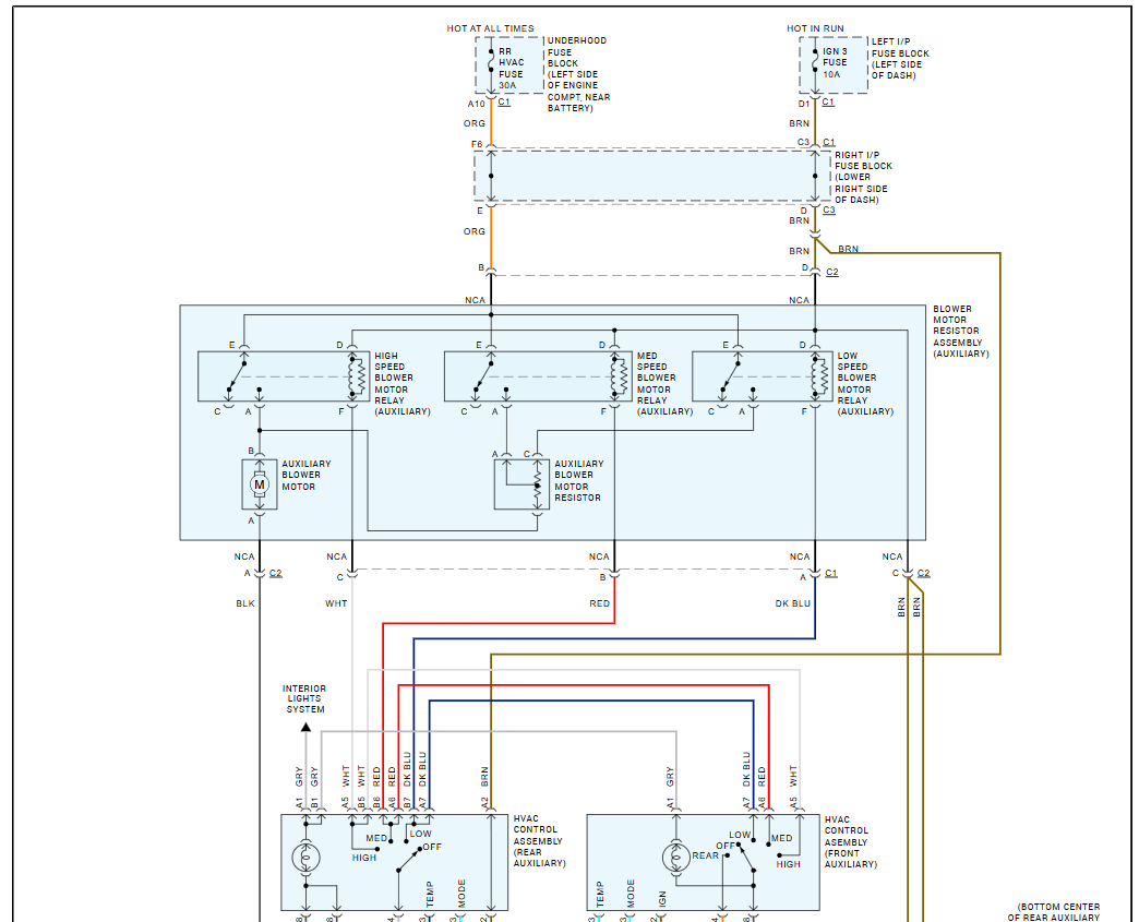
My rear hvac only allows me to work the blower motor from the rear overhead console, the front overhead console does not work. I can not change the rear temp, or location as to where it blows out. Any help would be great. All fuses are good.



