Turn signals not working why?

Tiny
TURNEYJ
  • MEMBER
  • 2007 CHRYSLER PT CRUISER
  • 2.4L
  • 4 CYL
  • 2WD
  • AUTOMATIC
  • 185,000 MILES
Rear driver's side turn signal stopped working and have changed bulb, checked wires and for power and have no power going to it all other lights working, hazards as well and otherside signal working.
Sunday, January 31st, 2021 AT 7:13 PM

4 Replies

Tiny
STEVE W.
  • MECHANIC
  • 15,691 POSTS
Okay, you say the hazards do work on both sides? IE the same lamp that isn't working as a turn signal does work as a hazard light? Just want to be sure as that indicates the likely issue is in the turn signal switch itself as the rest of the circuits share components and power. The turn signal switch sends a signal to the integrated power module to turn on the right and left turn signals as requested while the hazard switch sends a signal to turn on all of them at once, so if the hazard works on that lamp but not the turn signal then the wiring should be OK as well as the TIPM, That leads back to the switch itself.
It would be possible to use a dealer level scan tool to test it but it requires one that can talk to the LIN network instead of the more common CAN network and that limits it rapidly. However the switch isn't hard to replace and costs about $70.00 which is usually cheaper than having a dealer connect a capable scan tool. However the scan tool would confirm if it was the switch because it can tell you what position the switch is telling the TIPM to act on.

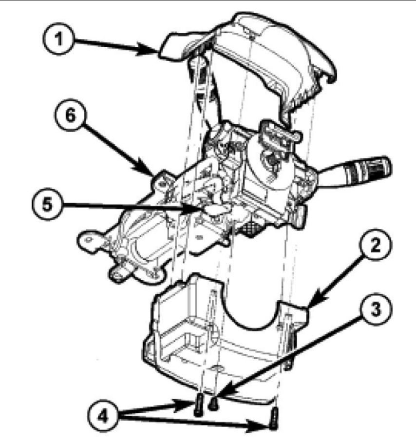
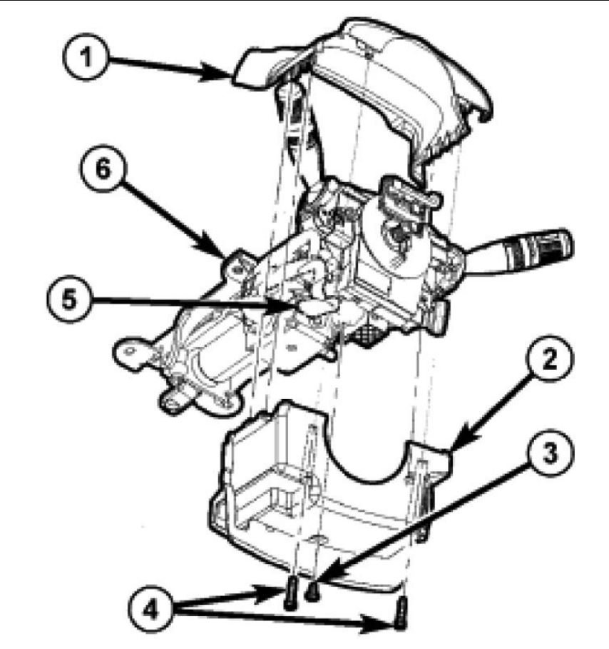
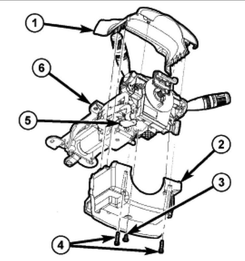
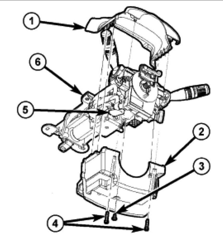
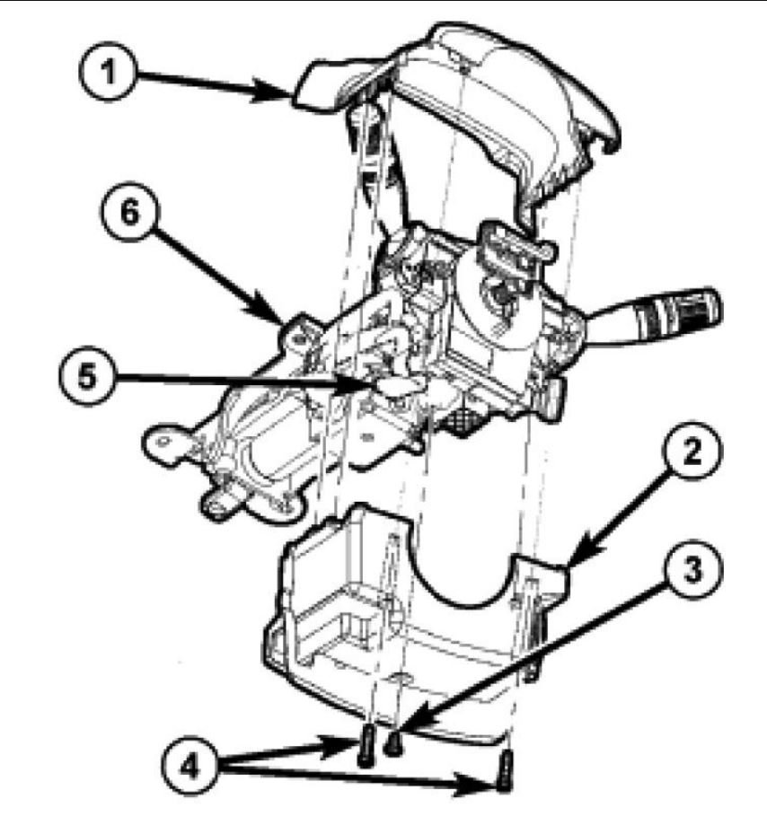
To replace the switch you need to disconnect the negative battery cable then remove the upper and lower plastic covers from the steering column. To do that tilt the steering down and leave the lever down. Next remove the screws that secure the upper and lower covers (items 3 and 4) then gently press and release the clips that hold the two pieces together. Then remove the upper then lower covers.
Now remove the screw that secures the switch to the column and pull the switch straight out from the column and unplug the electrical connector. Reverse the process to install the replacement. Once you have the new switch connected slide it into place and reconnect the battery and test it to be sure the lights now work. If things are good reinstall the covers and put it back together.
Was this
answer
helpful?
Yes
No
Monday, February 1st, 2021 AT 3:50 AM
Tiny
TURNEYJ
  • MEMBER
  • 3 POSTS
Sorry, only I hazard on rear right side working. So issue is no blinker or hazard on rear driver side and no power going to it, and have already changed the multifunction switch on steering wheel and same result.
Was this
answer
helpful?
Yes
No
Monday, February 1st, 2021 AT 10:42 AM
Tiny
STEVE W.
  • MECHANIC
  • 15,691 POSTS
Okay, that was why I asked, wasn't sure if both hazards were out or not. In this case the issue is going to be internal to the TIPM, but before you condemn that part I would go to the wiring harness at the TIPM and find connector 3 on it and the White wire with dark green stripe at pin 4 in that connector and verify that there is no activity there when you turn on that lamp. If there is none then the internal controller in the TIPM has failed and it isn't a replaceable piece, you need to replace the complete TIPM box. These are a common failure item on Chryslers unfortunately and because of the way they control most of the electronics get replaced a lot for things like loss of a turn signal, horn, high beams, and other issues. There are places that rebuild them as well.
This is a video on an 09 but it's the same as your 07.
https://www.youtube.com/watch?v=JOuL35PIzlA

tipmrebuilders.com/ has a lot more information on them as well as being one place that does repair them. However I would first remove it and test that wire to be sure it isn't a bad connection or damaged right under the unit.
Was this
answer
helpful?
Yes
No
Tuesday, February 2nd, 2021 AT 2:49 AM
Tiny
TURNEYJ
  • MEMBER
  • 3 POSTS
Thanks, I got a used one from wreckers and put it in and then did a hard reset and it worked. Everything is working as it should.
Was this
answer
helpful?
Yes
No
Tuesday, February 2nd, 2021 AT 7:40 AM

Please login or register to post a reply.