Alternator not charging

Tiny
MUSTANGKEVIN
  • MEMBER
  • 2007 TOYOTA RAV4
  • 2.0L
  • 4 CYL
  • 4WD
  • AUTOMATIC
  • 110,000 MILES
Anyone know how to check voltage signal from ECM or how to check ECM? We have good alternator it was bench tested and we have 12 volts at alternator also.
Friday, January 17th, 2020 AT 12:50 PM

1 Reply

Tiny
SCGRANTURISMO
  • MECHANIC
  • 4,897 POSTS
Hello,

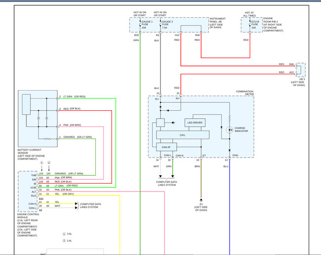
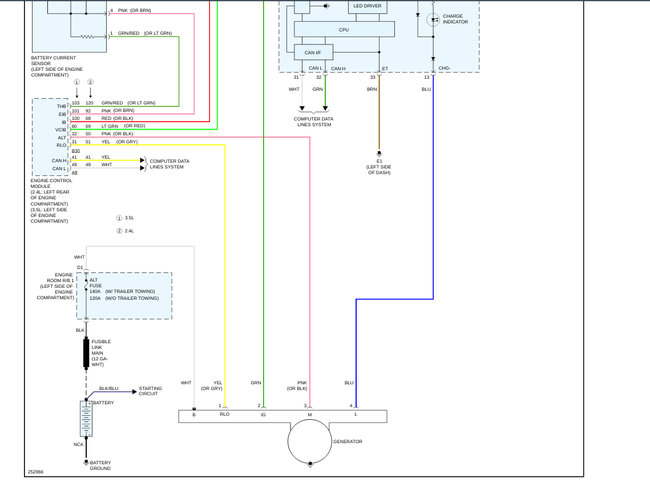
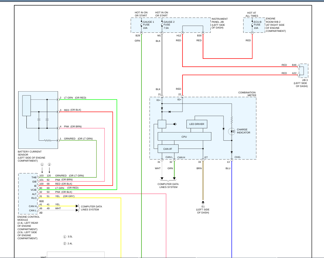
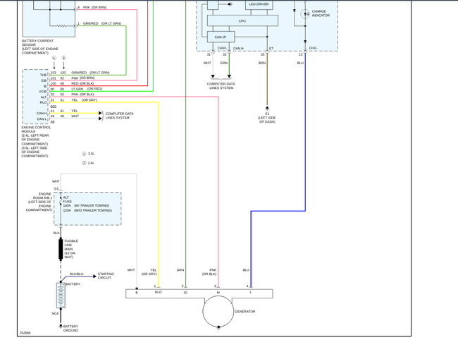
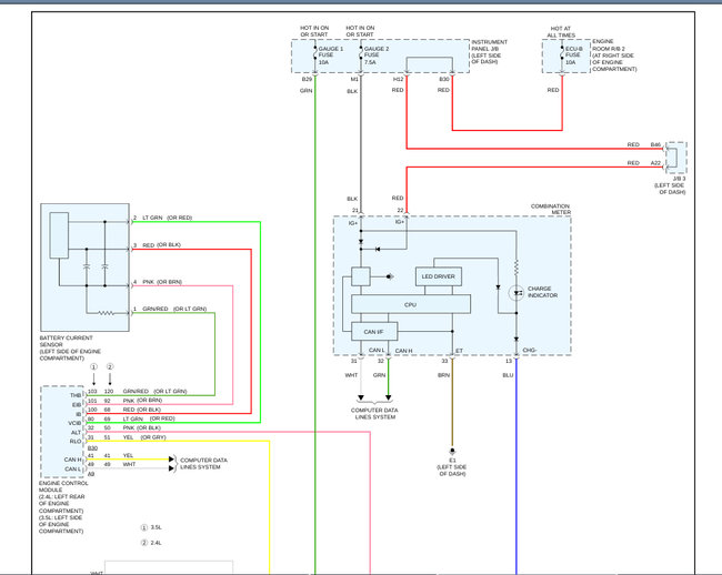
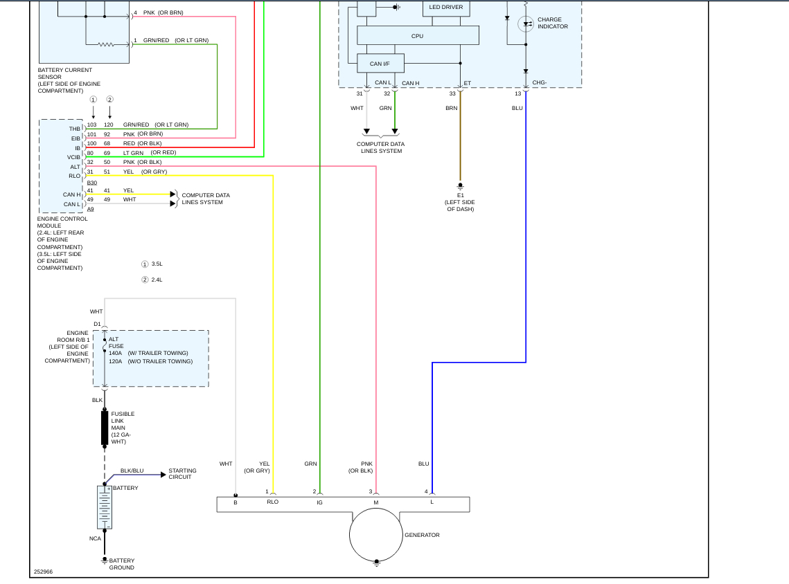
I would start by checking the ALT fuse[120/140A] in the Engine Room R/B 1 on the left hand side of the engine compartment. In the diagrams down below I have included the Charging circuit wiring diagram and the diagram of the Engine Room R/B 1 with call out for you in the diagrams down below. Here is a link explaining how to check a fuse, if needed, below as well:

https://www.2carpros.com/articles/how-a-car-fuse-works

Please go through these guides and get back to us with what you find out. We can go from there, if needed.

Thanks,
Alex
2CarPros
Was this
answer
helpful?
Yes
No
Friday, January 17th, 2020 AT 4:30 PM

Please login or register to post a reply.