Monday, October 7th, 2019 AT 6:20 AM
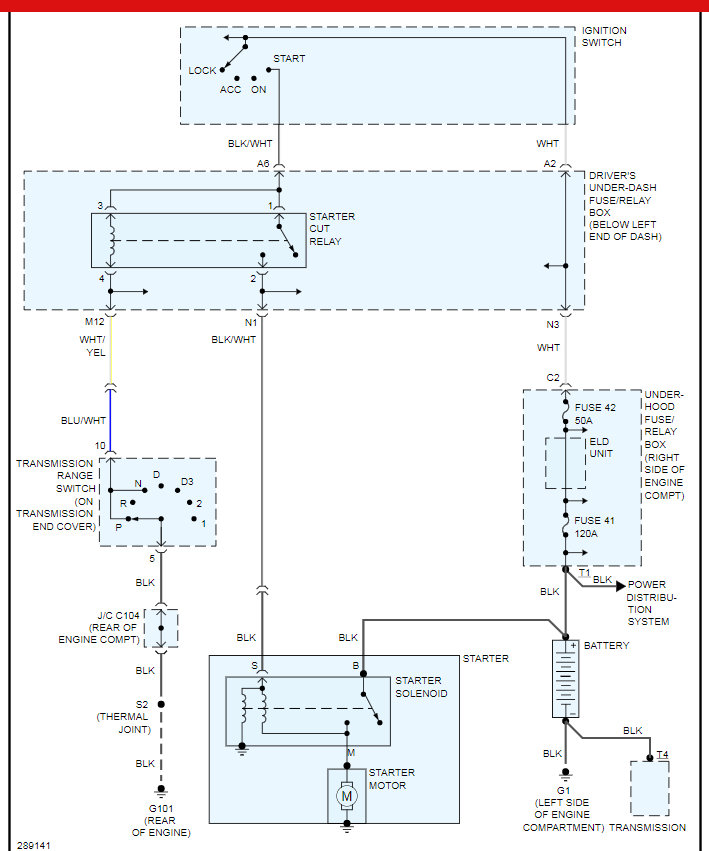
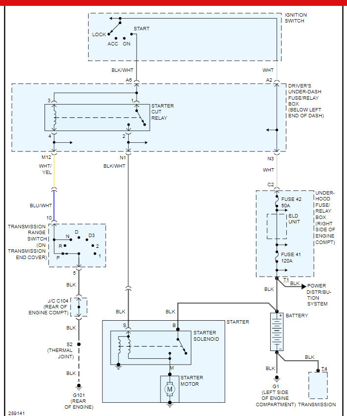
My vehicle listed above is FWD. The engine randomly has issues turning over. I try starting it and it will crank but not turn over. I stop, wait a few seconds, and try again and it will crank and turn over. This happens 50% of the time randomly. I have a new alternator, new battery, new starter and recently replace the fuel relay trying to figure out the problem. Any idea what the issue could be?


