No sound coming from the radio

Tiny
JACK VALLAS
  • MEMBER
  • 2003 CHEVROLET TRAX
  • V8
  • 4WD
  • AUTOMATIC
  • 236,000 MILES
All the buttons work, but no sound from the speakers. Worked yesterday, but not today.
Wednesday, January 15th, 2020 AT 3:43 PM

1 Reply

Tiny
KEN L
  • MASTER CERTIFIED MECHANIC
  • 55,535 POSTS
Hello,

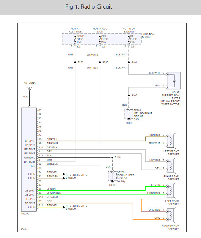
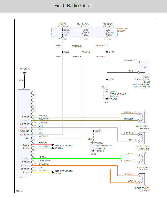
It sounds like the amplifier inside the radio has gone bad in which case you will need a new radio. To be sure there are 3 fuses that run the unit. here is a guide and the wiring diagrams form the radio that shows which fuses to check with a video of an aftermarket radio being installed in a similar car in case you need to replace it:

https://www.2carpros.com/articles/how-to-check-a-car-fuse

and

https://youtu.be/p_13d9FzsF0

Check out the diagrams (below). Please let us know what you find. We are interested to see what it is.
Was this
answer
helpful?
Yes
No
Thursday, January 16th, 2020 AT 12:48 PM

Please login or register to post a reply.