Friday, April 20th, 2018 AT 9:16 PM
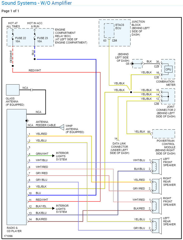
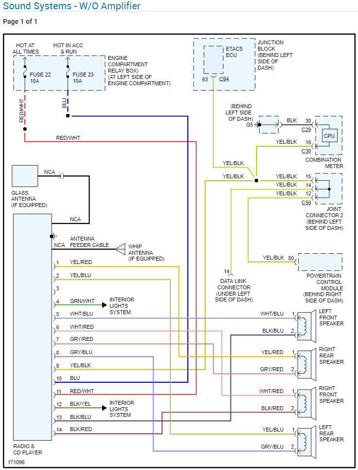
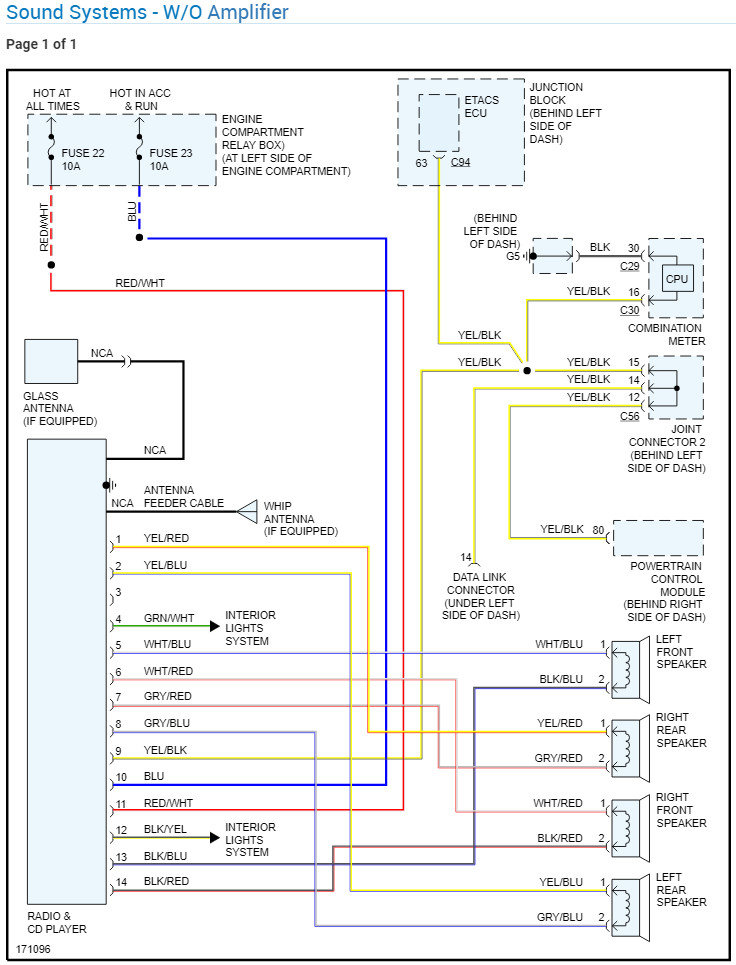
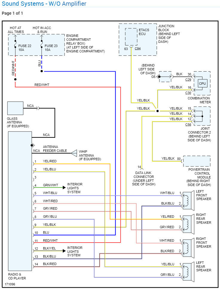
I cannot find the right wiring harness diagram for my car. I am a little mixed up also because I hooked up the constant and switched power and the radio will not turn on. The diagram I was looking at said the constant is a red and black wire but I do not have a red and black wire then a 2004 or 2002 diagram shows the red and white wire which is the one I have.

