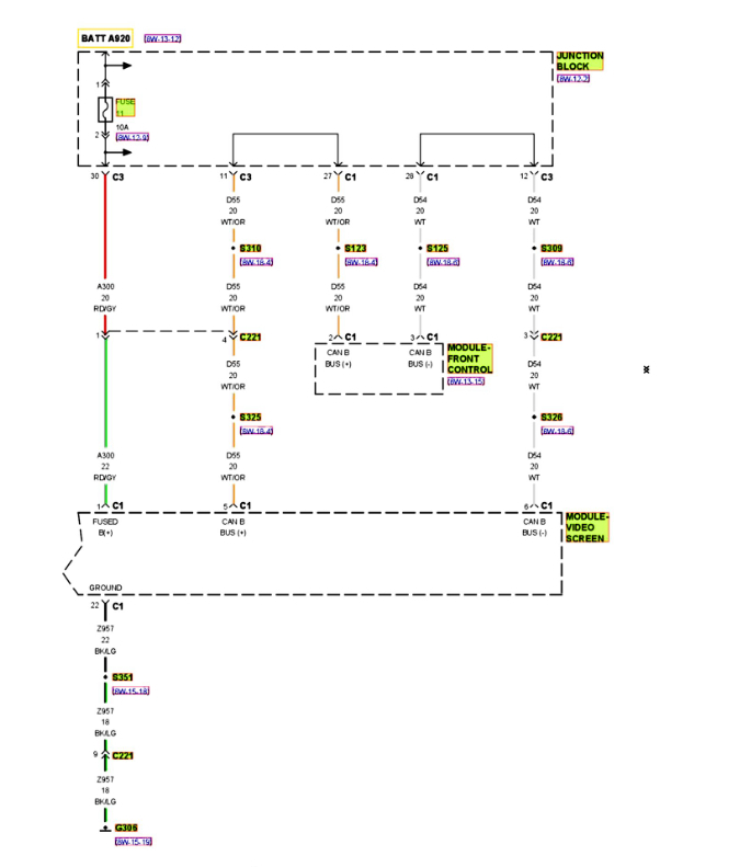
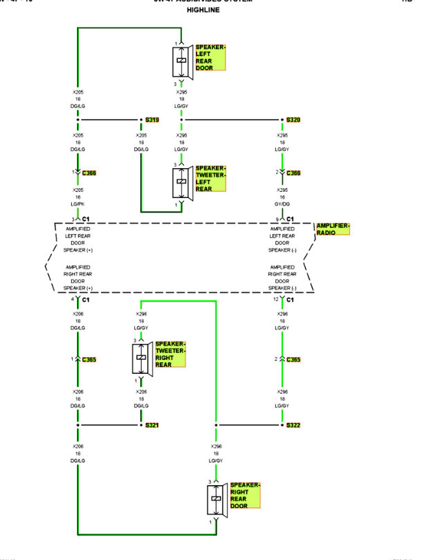
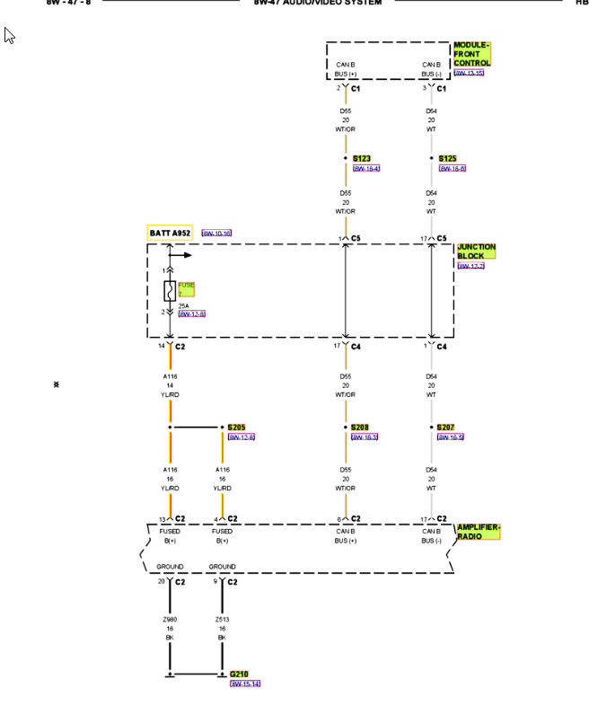
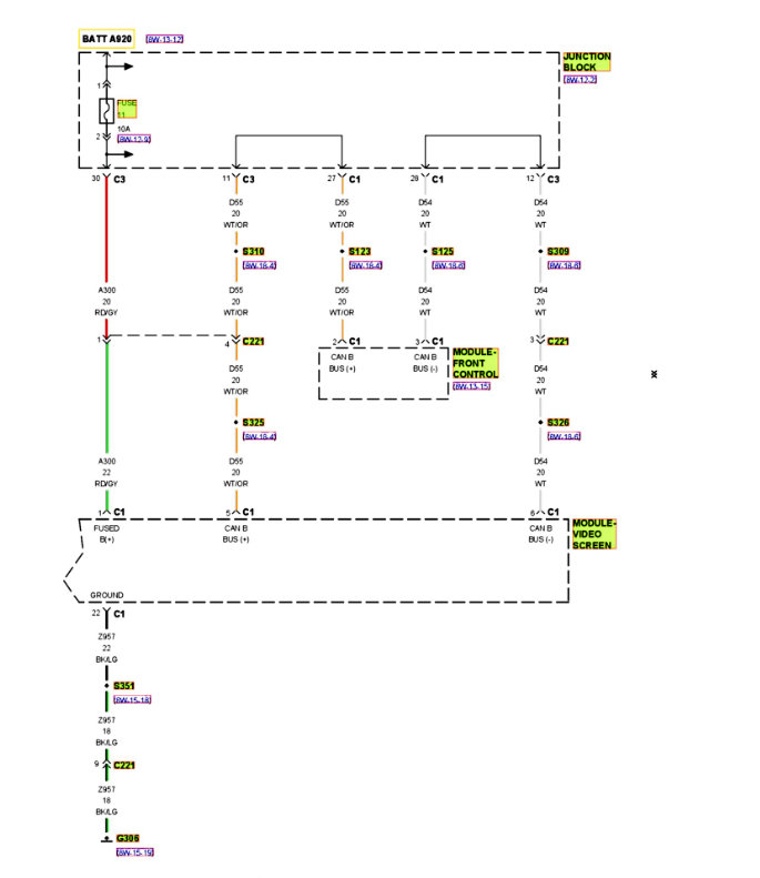
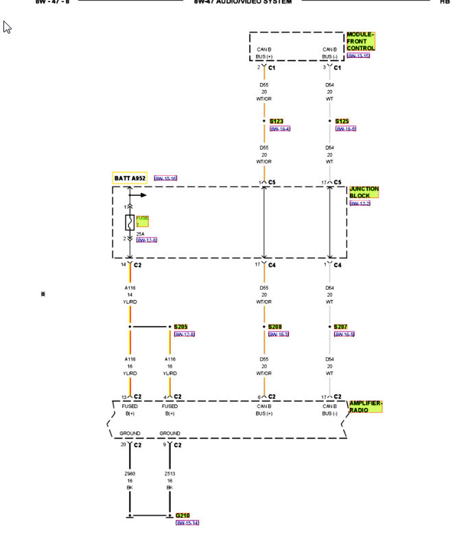
Radio Wiring diagram

Tiny
SERG1
  • MEMBER
  • 2008 CHRYSLER ASPEN
  • 99,000 MILES
Trying to find wiring diagram for radio to install a voice box.
Tuesday, June 23rd, 2020 AT 3:47 PM

1 Reply

Tiny
KASEKENNY
  • MECHANIC
  • 18,907 POSTS
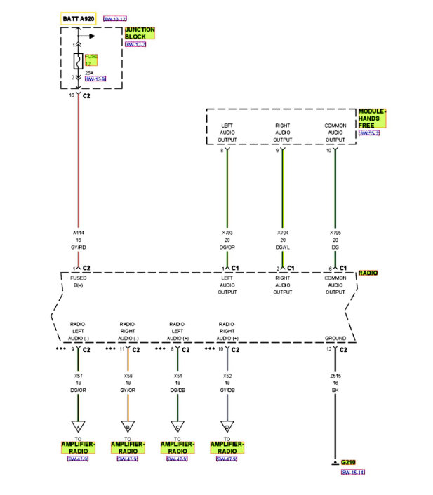
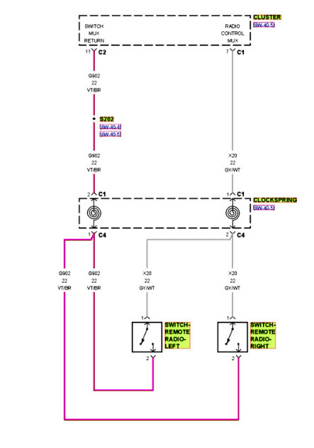
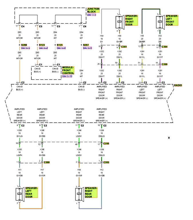
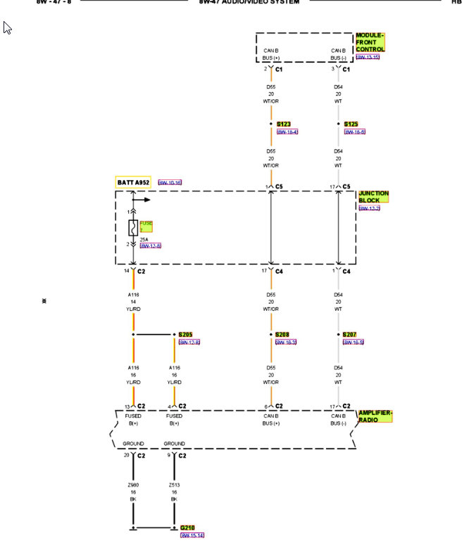
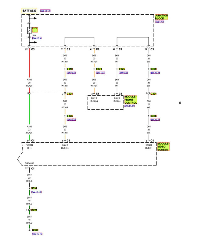
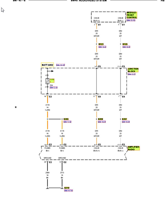
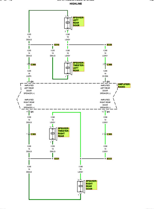
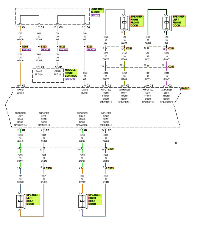
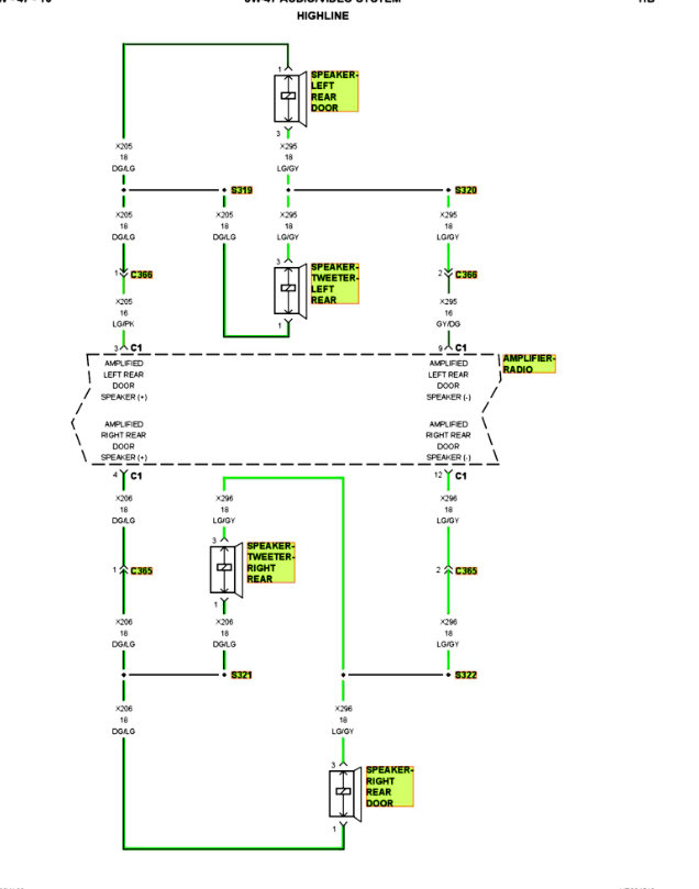
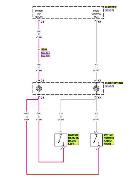
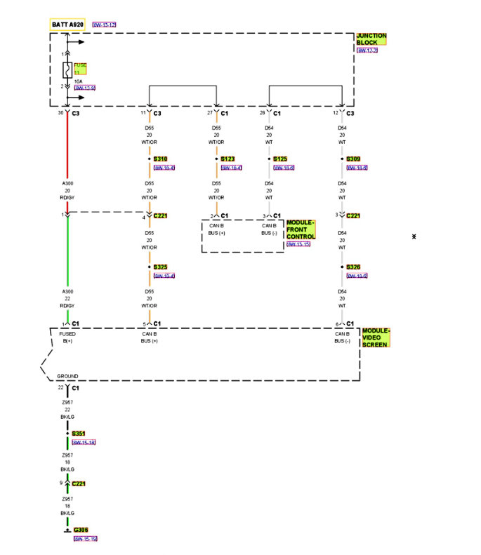
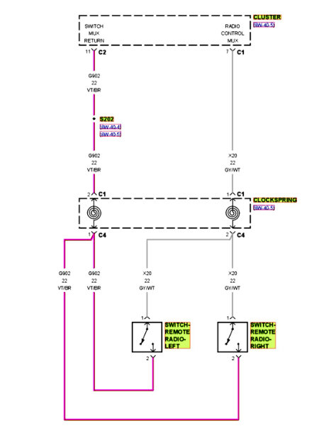
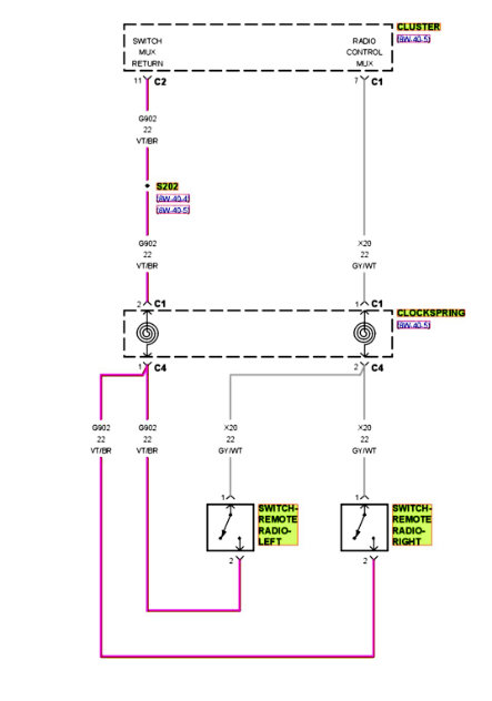
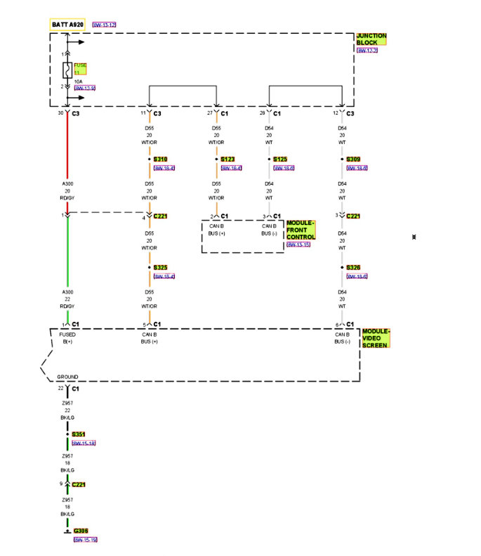
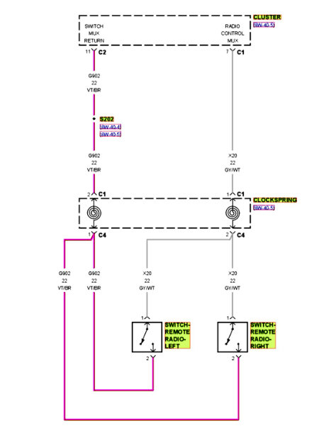
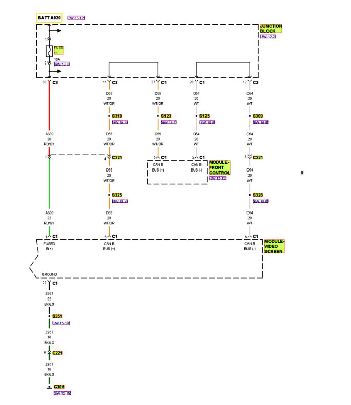
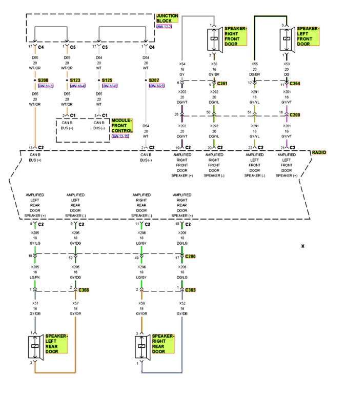
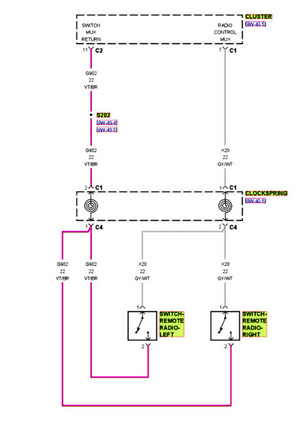
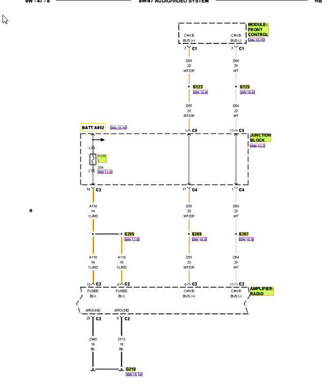
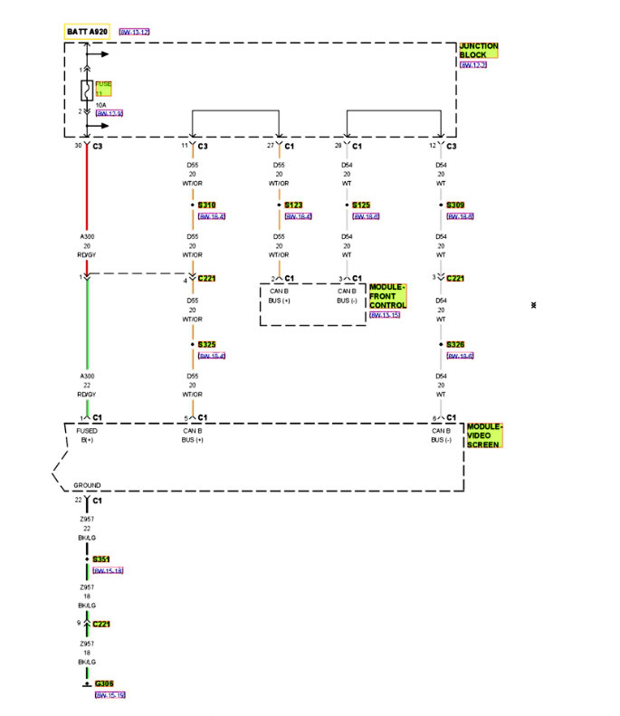
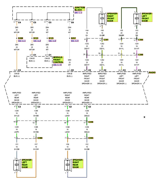
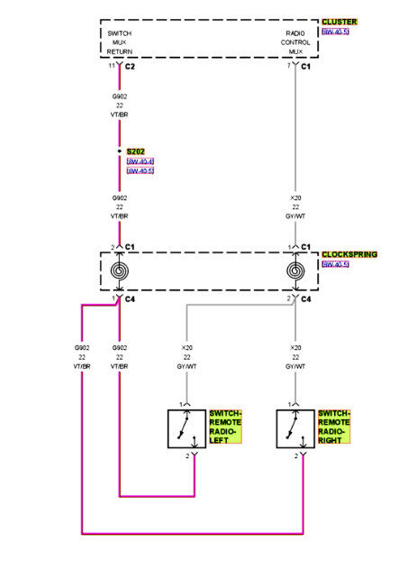
I am not sure what portions of the system you may need so I just included all the diagrams for the radio and related systems. Check out the diagrams (Below). Please let us know if you need anything else to get the problem fixed.

Thanks for using 2CarPros.
Was this
answer
helpful?
Yes
No
-1
Tuesday, June 23rd, 2020 AT 4:21 PM

Please login or register to post a reply.