HOME
ASK A QUESTION
REPAIR GUIDES
BECOME A MEMBER
LOG IN
Login with Facebook
OR
Remember me
NOT A MEMBER?
FORGOT PASSWORD?
CONTACT US
PRIVACY POLICY
TERMS AND CONDITIONS
☰
Home
Buick
Lesabre
Interior
Radio
Wiring
Can I get the Radio wiring diagram?
KTEMARIE2
MEMBER
2002 BUICK LESABRE
121,000 MILES
Need the color codes to the radio wiring.
Tuesday, March 28th, 2023 AT 12:31 PM
1 Reply
KEN L
MASTER CERTIFIED MECHANIC
54,137 POSTS
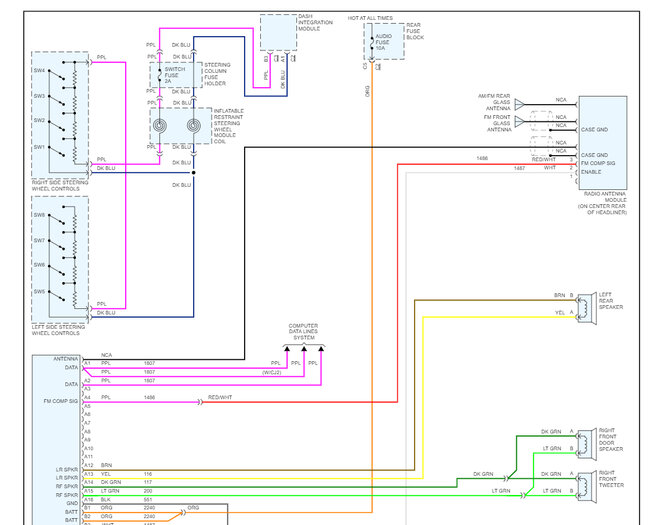
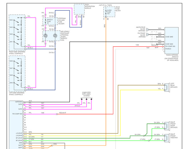
Sure, here are the radio wiring diagrams and a guide to help you check the connections:
https://www.2carpros.com/articles/how-to-check-wiring
Check out the images (below). Please let us know if you need anything else to get the problem fixed.
Images (Click to make bigger)
Was this
answer
helpful?
Yes
No
+2
Wednesday, March 29th, 2023 AT 11:25 AM
Please
login
or
register
to post a reply.
Related Radio Wiring Content
Buick Lesabre Radio Volume Control
The Radio Volume Raises To Full On. My Radio Has Steering Wheel Controls. The Steering Wheel Volume Switch Will Not Raise Volume, Only...
Asked by
444fire
·
2 ANSWERS
BUICK LESABRE
Radio Not Working Properly
The Radio In My 2002 Buick Lesabre (78,000) Quit Working Today And The Display Froze. The Display Shows A Radio Frequency, "scan"...
Asked by
mnsenator
·
1 ANSWER
5 IMAGES
2002
BUICK LESABRE
1995 Buick Lesabre Radio Lock Up
I Have A 1995 Buick Lesabre. Recently I Changed The Battery. When I Reconnected The Battery, I Found The Radio Was Locked. I Do Not Know...
Asked by
Keith 64
·
1 ANSWER
1995
BUICK LESABRE
How Can I Remove The Radio
Cassette Tape Is Stuck In Radio. How Can I Remove The Radio?
Asked by
jmga
·
1 ANSWER
1997
BUICK LESABRE
Stereo Wont Turn On At All. Fuses Are Fine.
Hey 2carpros, My Uncle Recently Gave Me His Car. He Also Gave Me A "snap In" Stereo That I Think He Got Custom Installed. For Some...
Asked by
jayf95
·
3 ANSWERS
1998
BUICK LESABRE
VIEW MORE
Ask a Car Question. It's Free!
How to Use a Test Light
Blend Door Actuator Replacement
Instrument Cluster Replacement