Saturday, March 13th, 2021 AT 8:05 PM
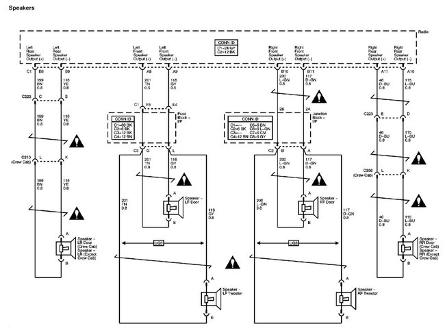
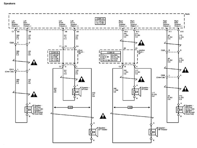
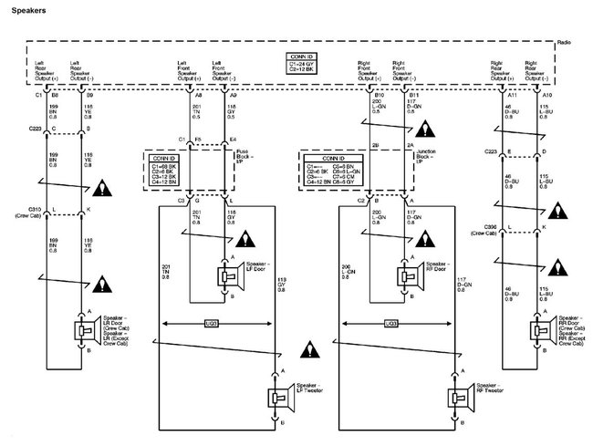
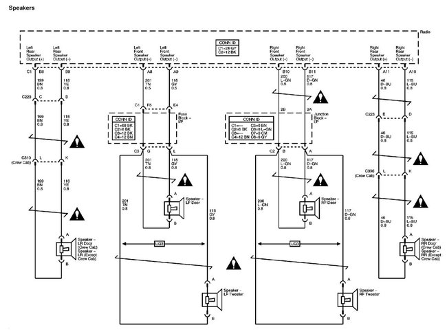
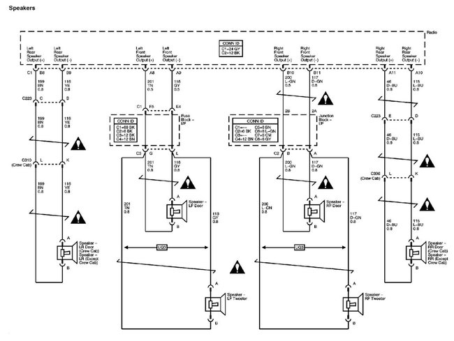
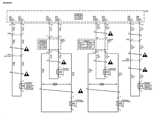
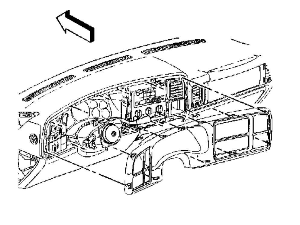
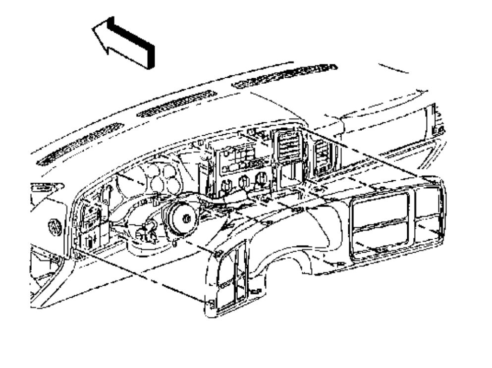
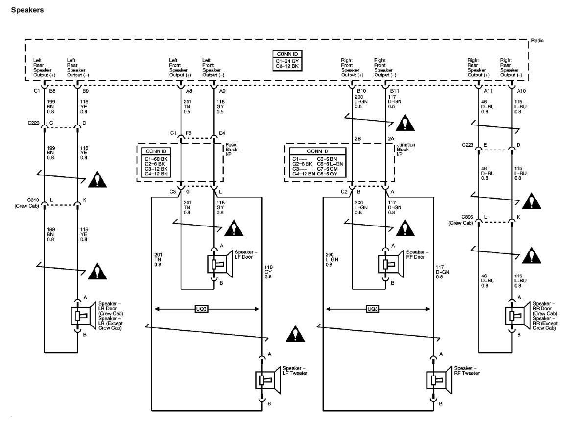
Hello. I have the truck listed above RWD. The front speakers are not working. After taking the door panel off and trying with new speakers, still no sound. I assumed that a fuse was bad, but after inspection they were all okay. I am now led to believe that there is a disconnect in the wire somewhere, from the speaker in the door to wherever that is connected. I've looked at dash harnesses, but they are very expensive. To take out the entire harness just for the radio seems too much. Would this problem be caused by the radio harness itself?




