Saturday, March 26th, 2022 AT 1:41 PM
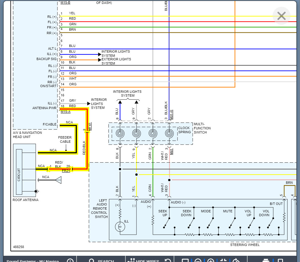
I have the car listed above SE and the battery completely drained. So replaced the battery and now it says that the antenna is disconnected to the XM radio. Called XM radio and tried to trouble shoot, rebooting the radio which didn't work and sending a refresh with no luck. They said I might have to take it to the dealer which to me is my last resort. I tried to do a little research to find some info and came up with disconnecting both battery cables and holding them together for 30 seconds that didn't work. Then turn the radio on and gently tap the sharks fin antenna also no luck. So don't know what else to try and would greatly appreciate any ideas.






