Radio has sound when key is out and door open

Tiny
BLACK430
  • MEMBER
  • 2002 LEXUS LS 430
  • 180,000 MILES
Key out door open radio has sound. no controls operate on radio. If you turn key in ignition back/forth a few times it will stop playing. ignition switch has been replaced. Same results. Drains the battery as well. Alternator is charging. Could the ignition cylinder be the issue since back/forth stops the sounds?

YouTube link:


https://youtu.be/tk4-_14eZGA
Wednesday, March 1st, 2017 AT 12:40 PM

2 Replies

Tiny
HOPPY313
  • MEMBER
  • 8 POSTS
I had this happen in my Chevrolet Malibu once. I was at a sporting event, and had some down time. I sat in my passenger side with the door open since it was facing downhill. In my case, you can sit in the passenger side, and turn the ignition to get radio power/on. It will stay on, even after removing the key. It seems to only respond to opening and then shutting the driver side door (to shut it off). Passenger door open/closed does nothing.
That is my guess. I do not fix cars, I just pay for them. Try that next time? Good luck.
Was this
answer
helpful?
Yes
No
Thursday, March 2nd, 2017 AT 10:19 AM
Tiny
KEN L
  • MASTER CERTIFIED MECHANIC
  • 55,522 POSTS
Hey,

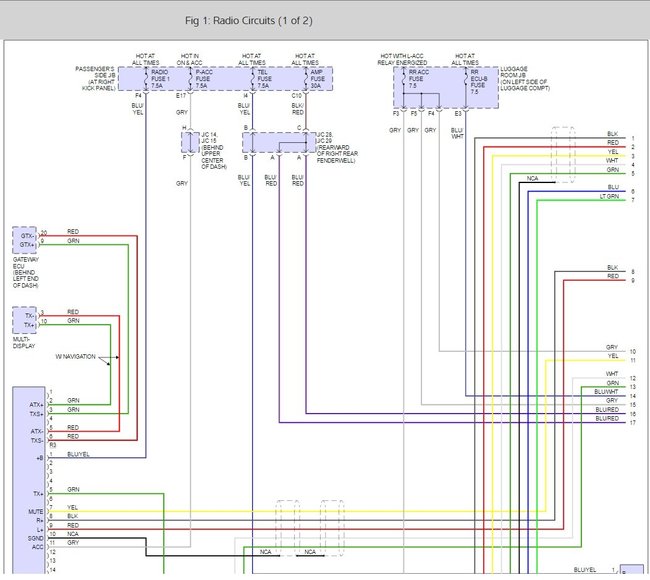
This sounds like it is going to be a problem with the gateway ECU which controls the power to the radio.

Here is a wiring diagram so you can remove the radio and do some testing to see if the power shuts down from the ECU.

Also, check the fuses in the system the wiring diagram shows which ones to check.

https://www.2carpros.com/articles/how-to-check-a-car-fuse

and

https://www.2carpros.com/articles/how-to-use-a-test-light-circuit-tester

Please run some tests and get back to us so we can continue helping you.

Best, Ken

Was this
answer
helpful?
Yes
No
Thursday, March 2nd, 2017 AT 5:44 PM

Please login or register to post a reply.