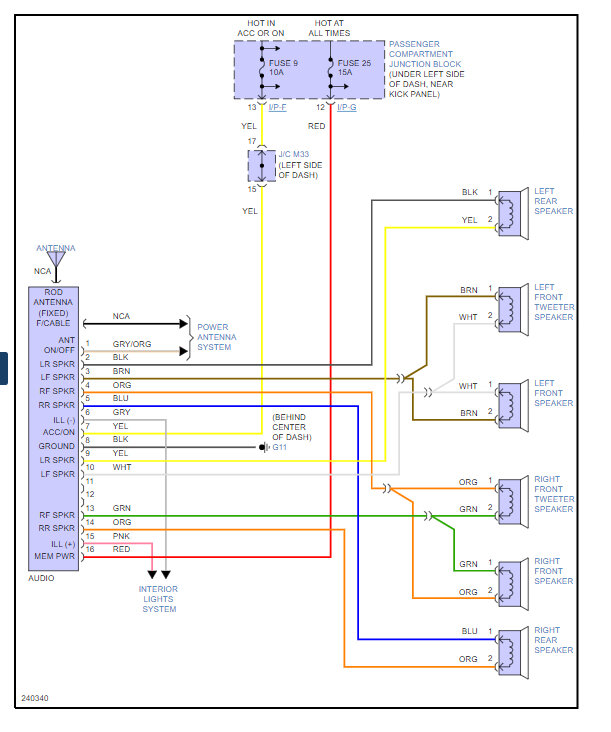
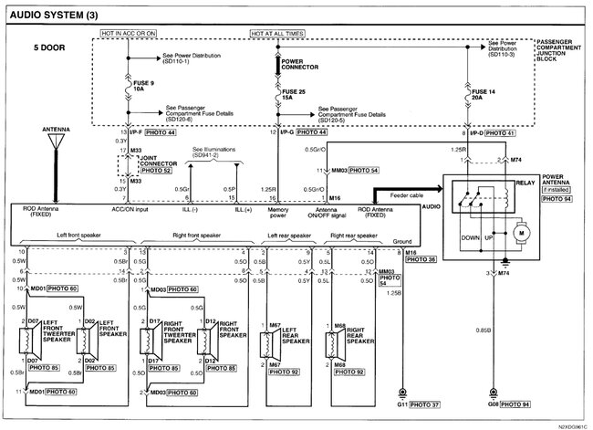
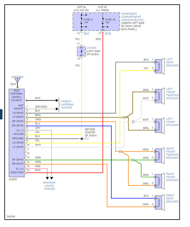
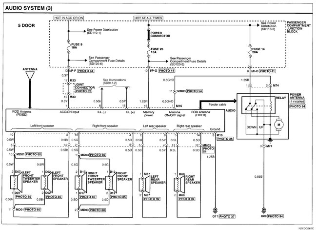
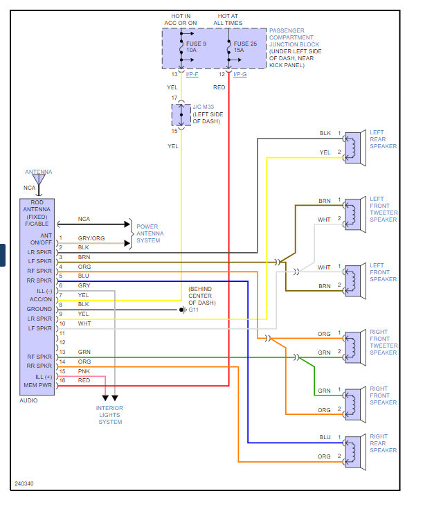
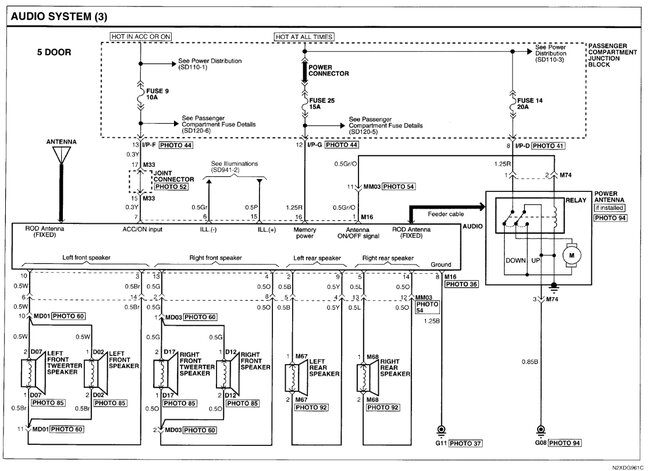
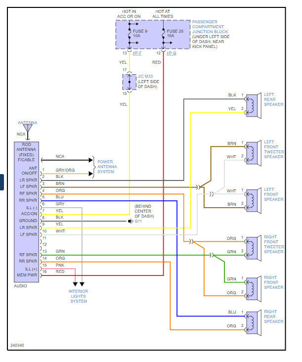
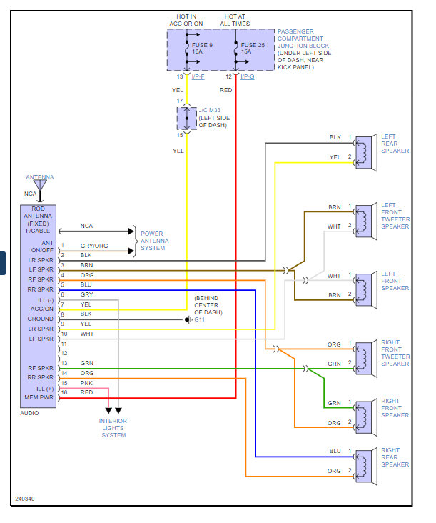
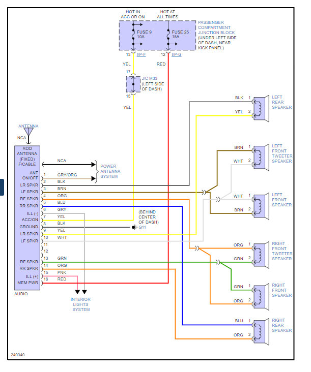
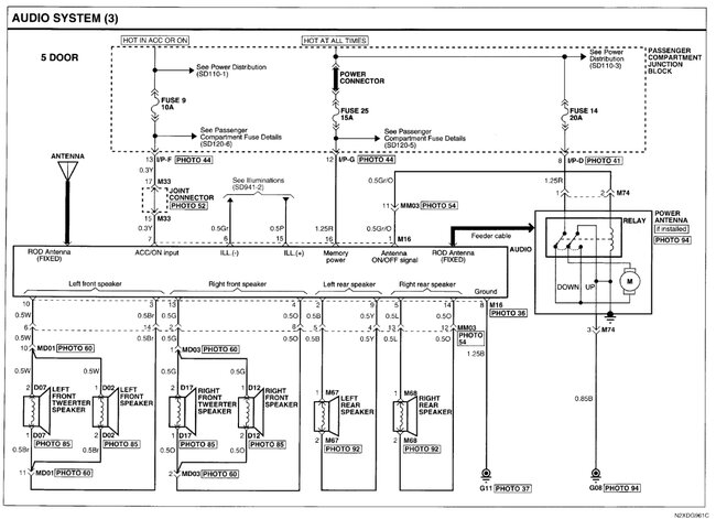
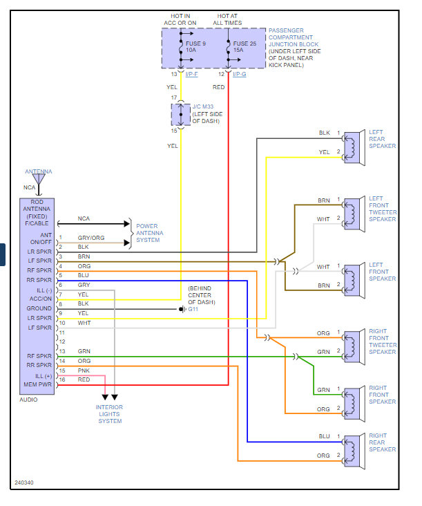
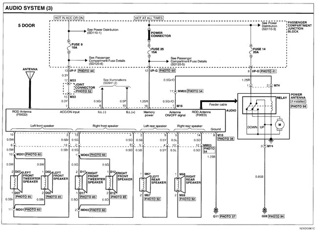
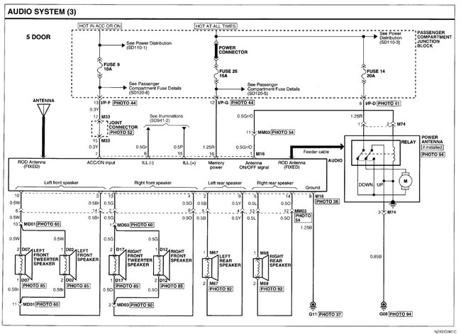
I'm in need of a correct dash radio harness diagram for a 2006 Hyundai Elantra. I'm installing a aftermarket Kenwood Radio DDX367BT and a Metra 99-07 connecter Harness. I have the wiring diagram for the radio and the Metra but every form i find has mismatched info. My drivers side front speaker isn't working. The passenger side front is predominantly louder then the other 3. I just need the correct color coded wiring diagram for the dash car harness please
2006 Hyundai Elantra.
Thank you
2006 Hyundai Elantra.
Thank you
Jan 28, 2023 at 8:42 PM








