I cannot find the radio fuse in my car

Tiny
QUèèN DEE
  • MEMBER
  • 2001 MITSUBISHI GALANT
  • 4 CYL
  • 2WD
  • AUTOMATIC
  • 21,000 MILES
I cannot find the radio fuse in my car the radio is not working.
Wednesday, June 8th, 2016 AT 6:22 PM

1 Reply

Tiny
KASEKENNY
  • MECHANIC
  • 18,907 POSTS
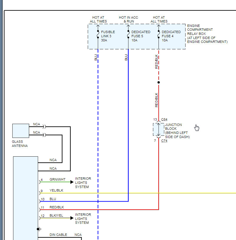
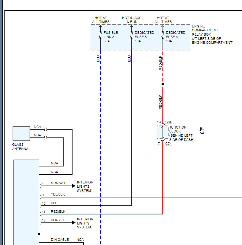
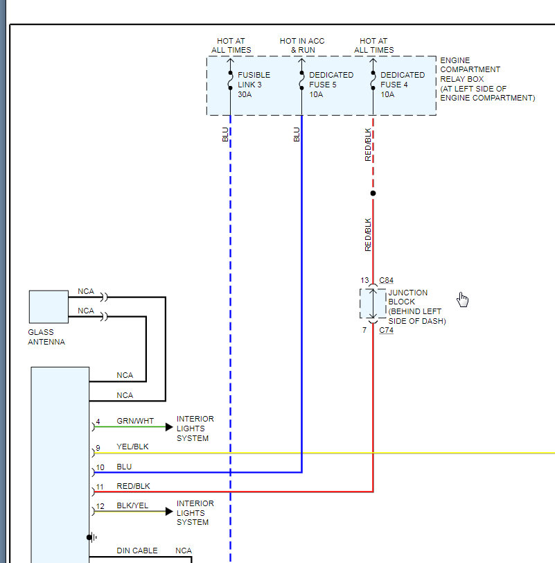
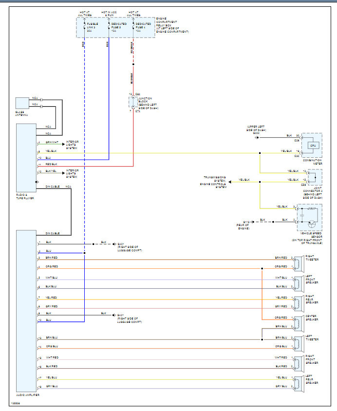
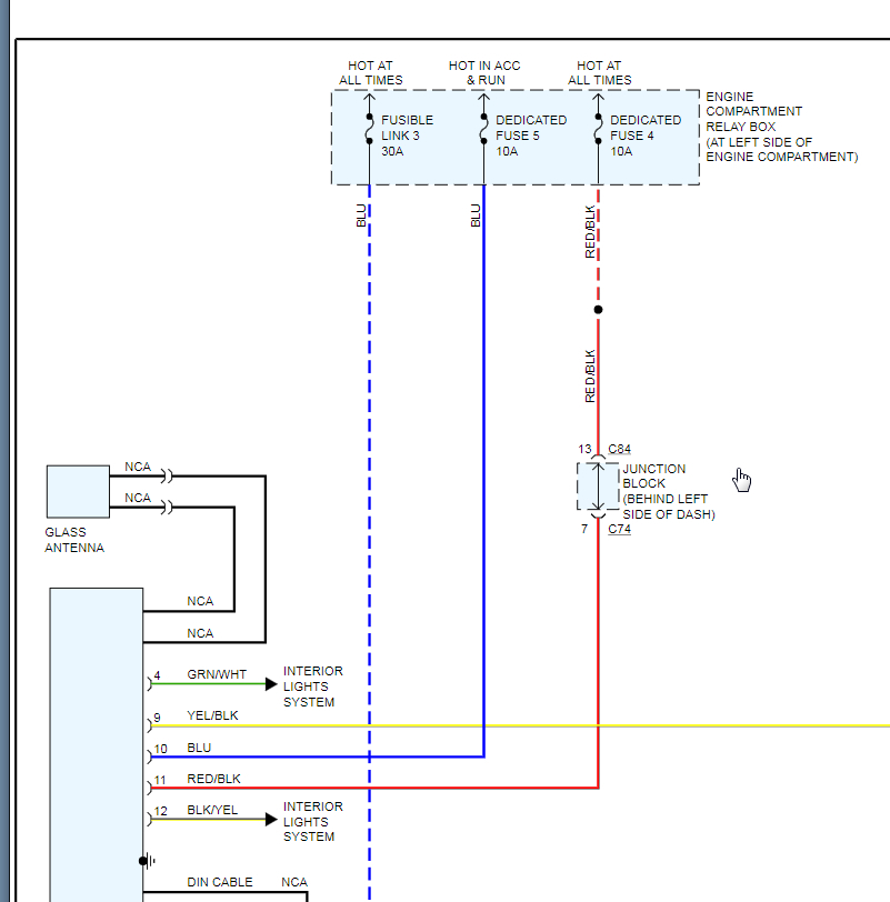
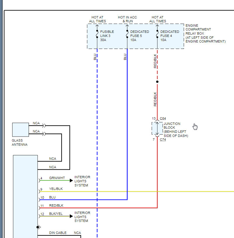
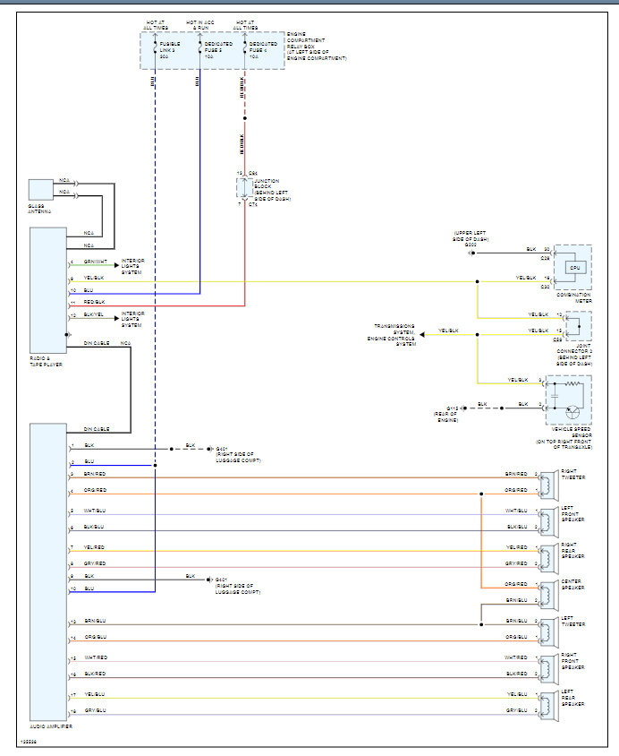
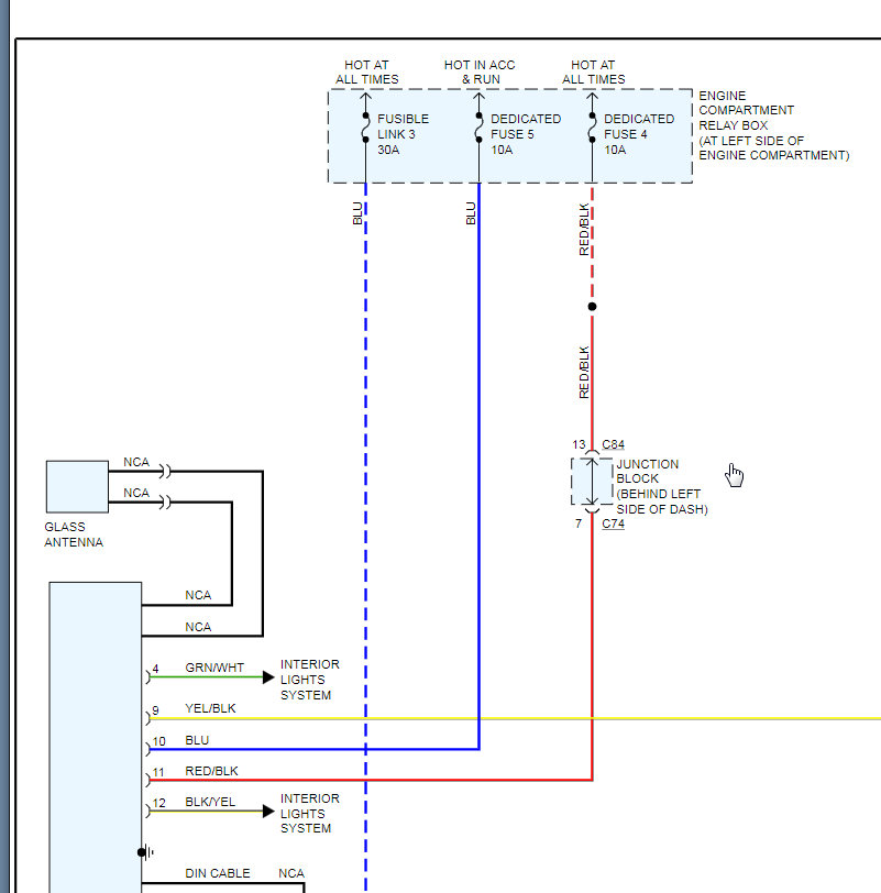
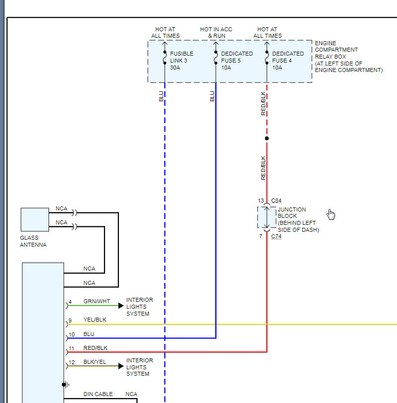
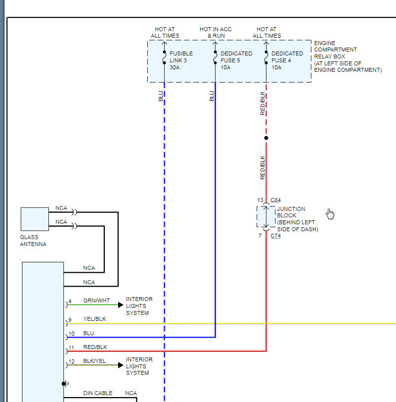
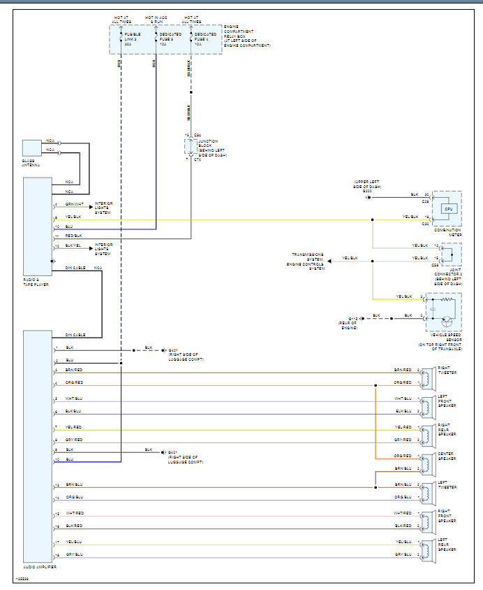
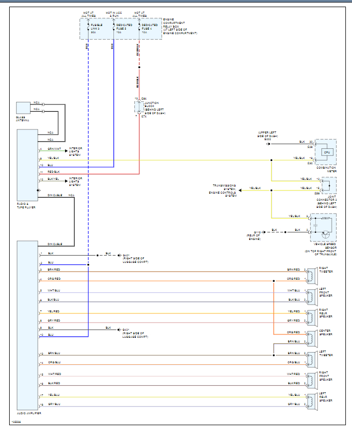
I am attaching the fuse panels and wiring diagrams that shows the fuses for the radio. There are a couple that are dedicated to the radio so those need to be checked. Here is a guide on how to test fuses:

https://www.2carpros.com/articles/how-to-check-a-car-fuse

Let us know what questions you have. Thanks
Was this
answer
helpful?
Yes
No
Tuesday, April 27th, 2021 AT 10:19 AM

Please login or register to post a reply.