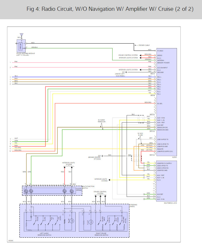
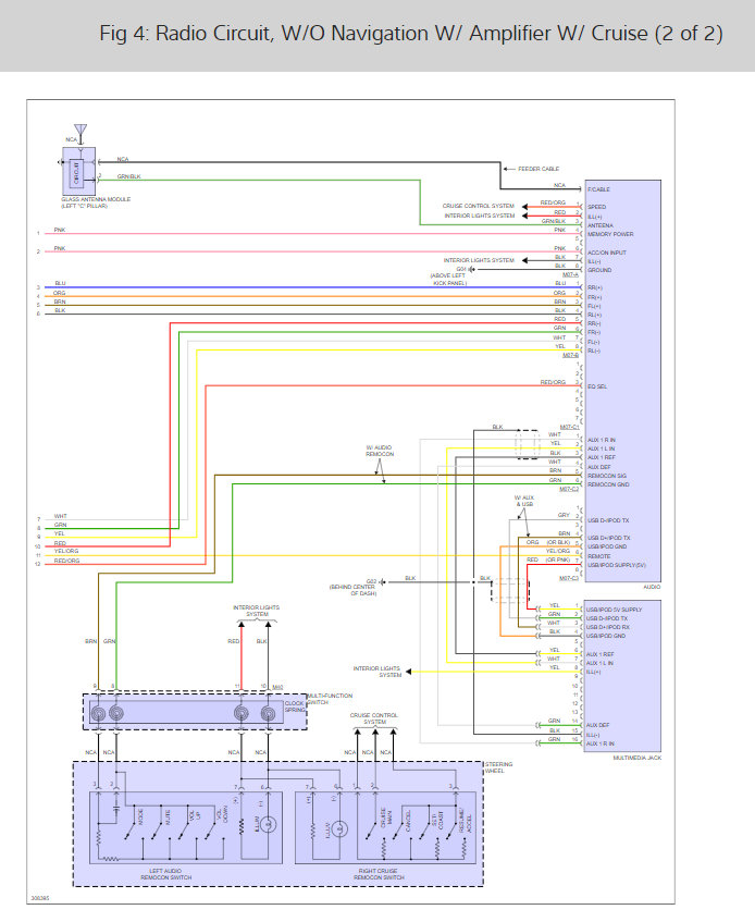
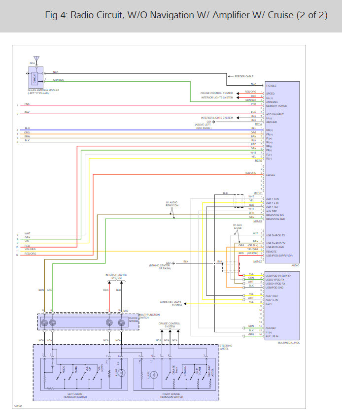
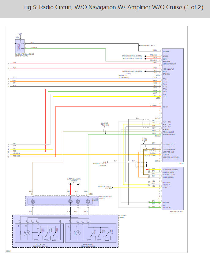
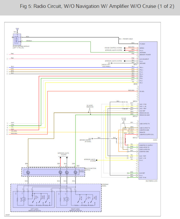
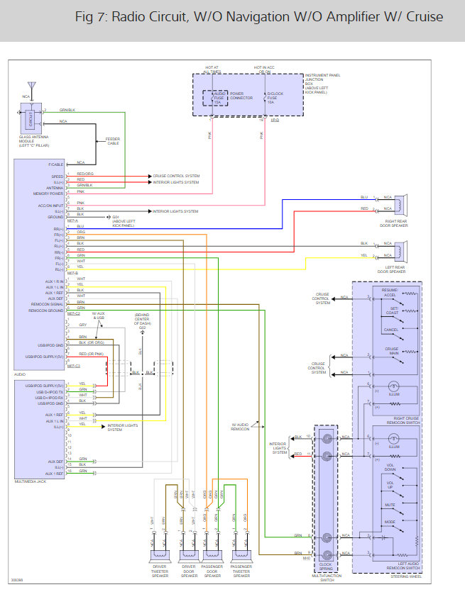
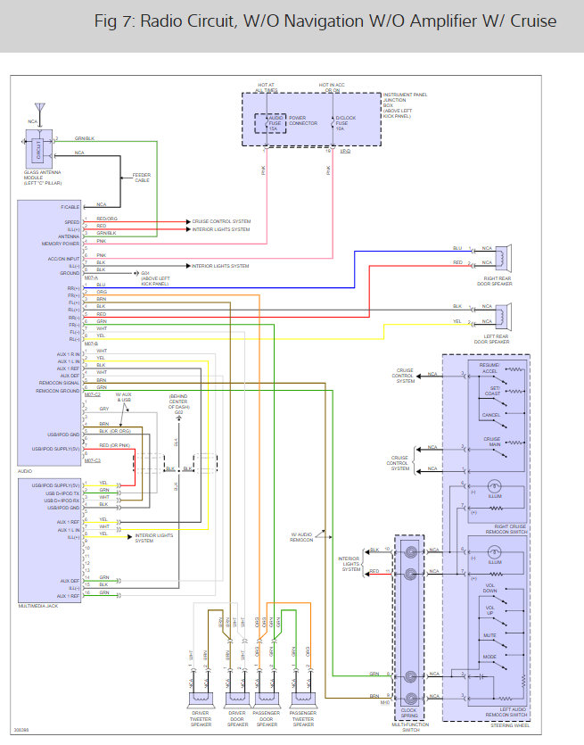
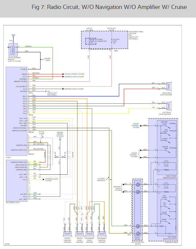
Monday, December 28th, 2020 AT 1:57 PM
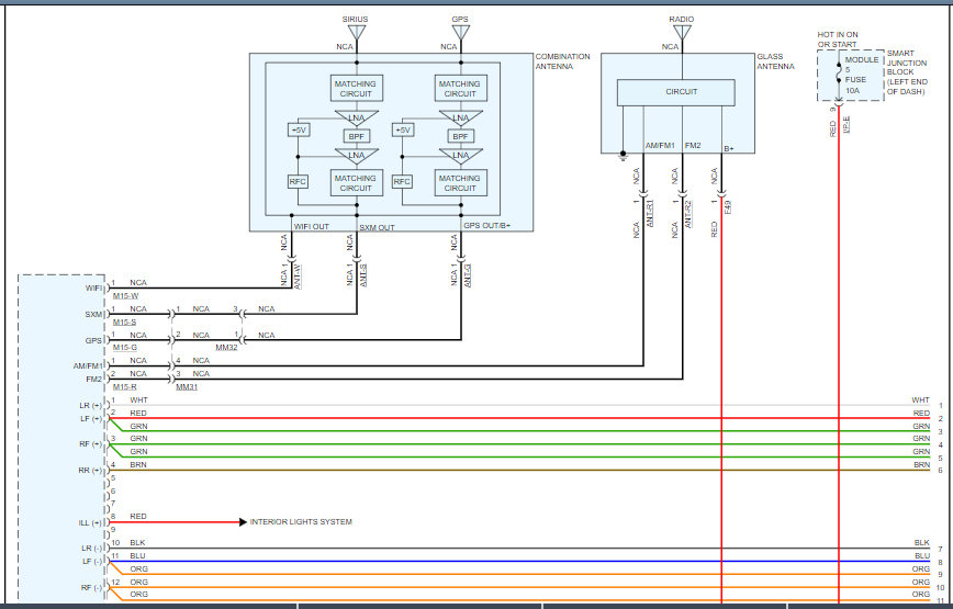
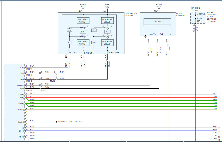
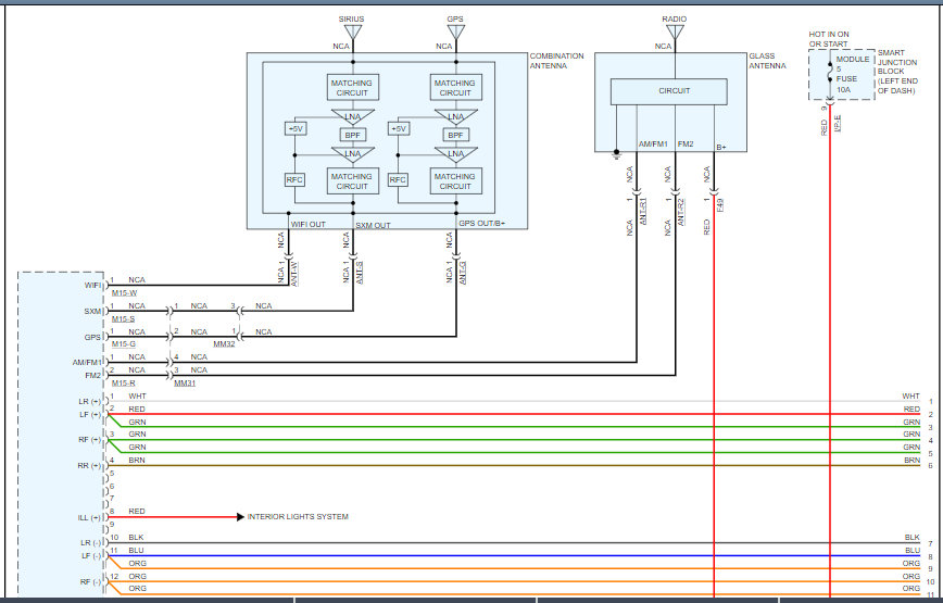
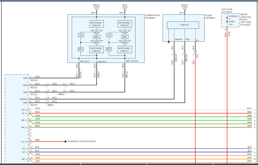
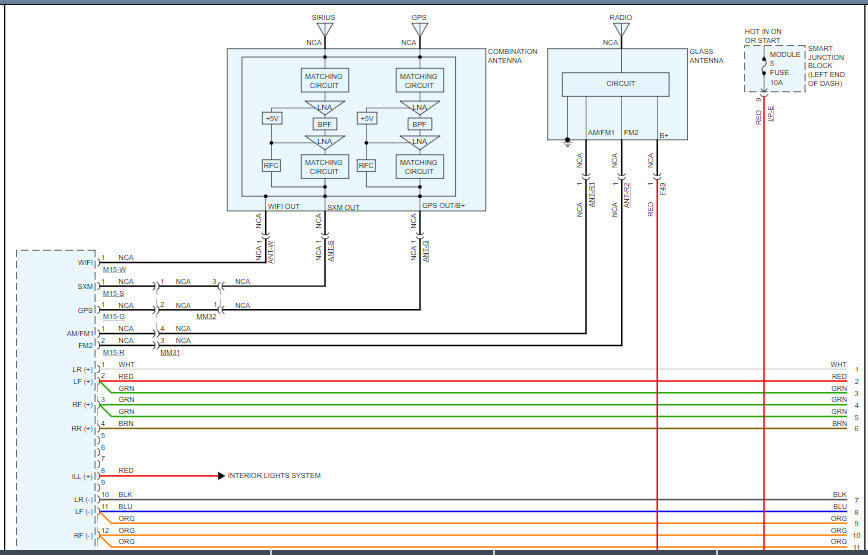
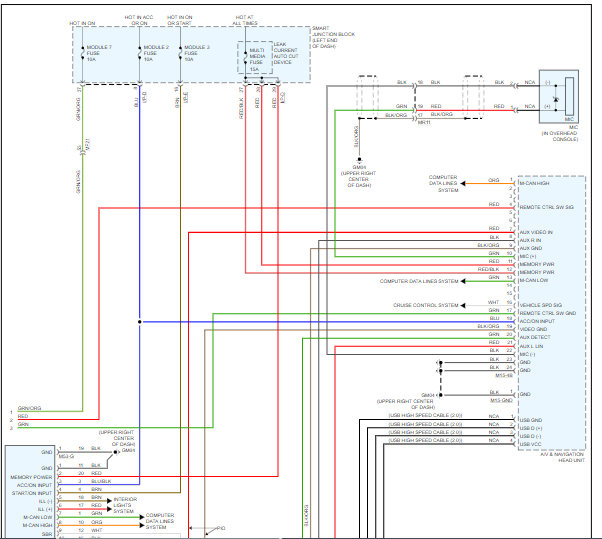
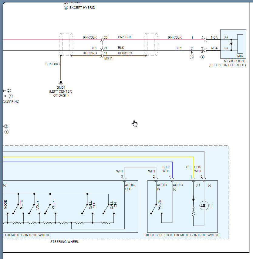
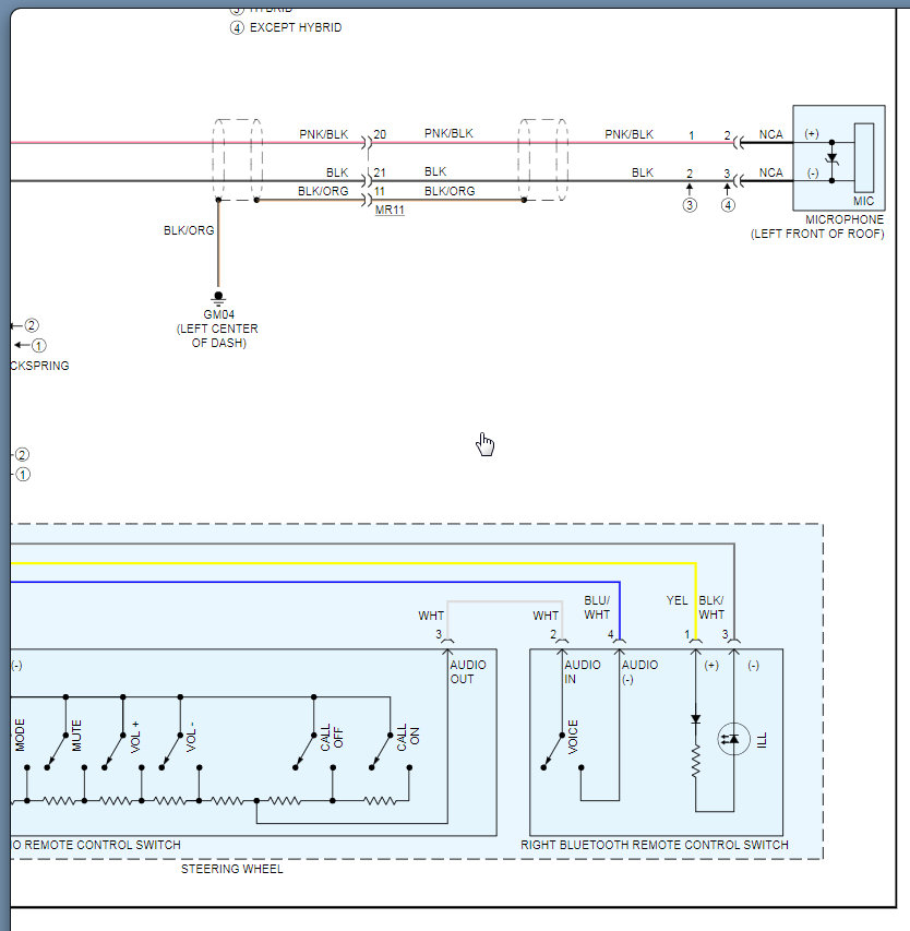
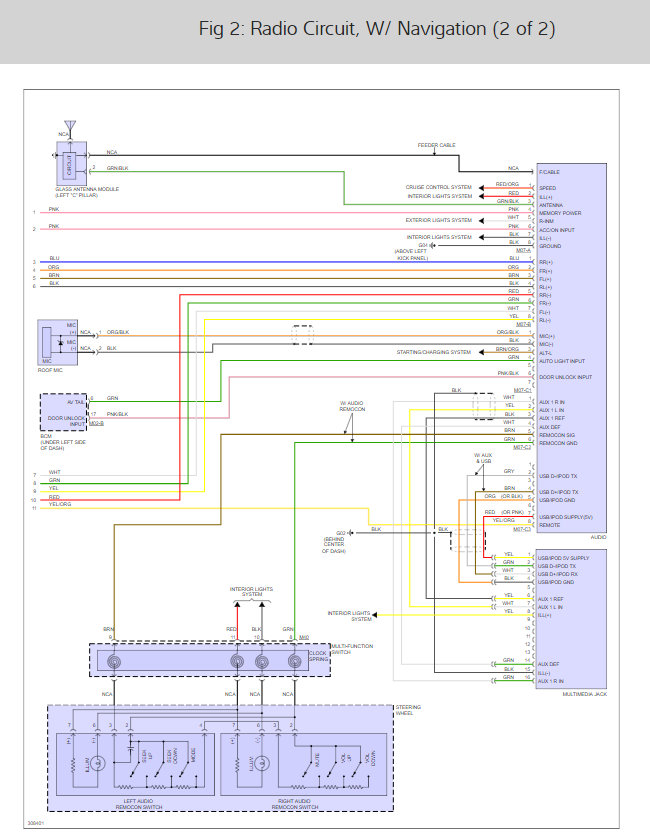
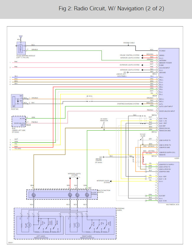
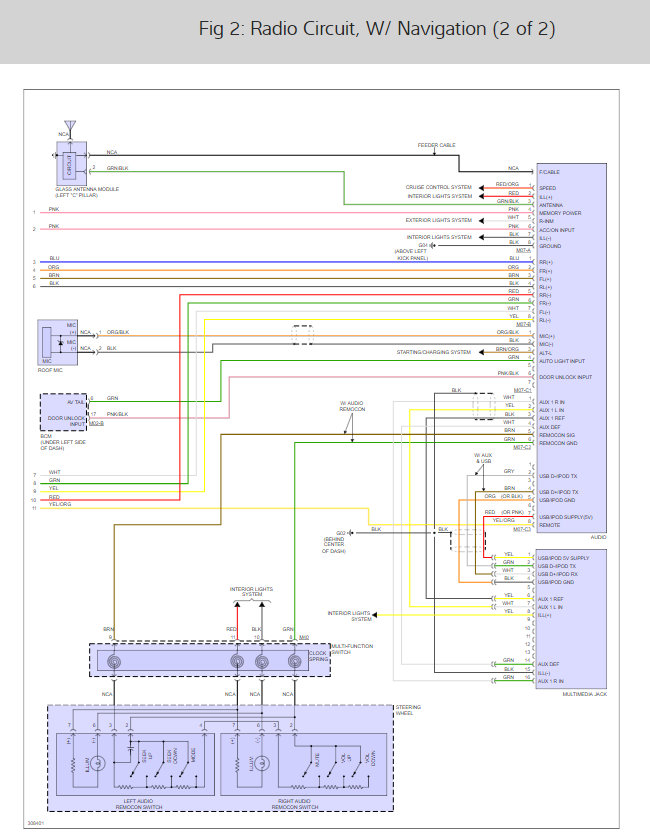
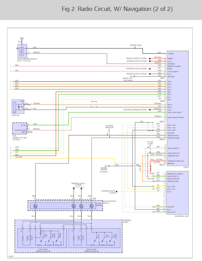
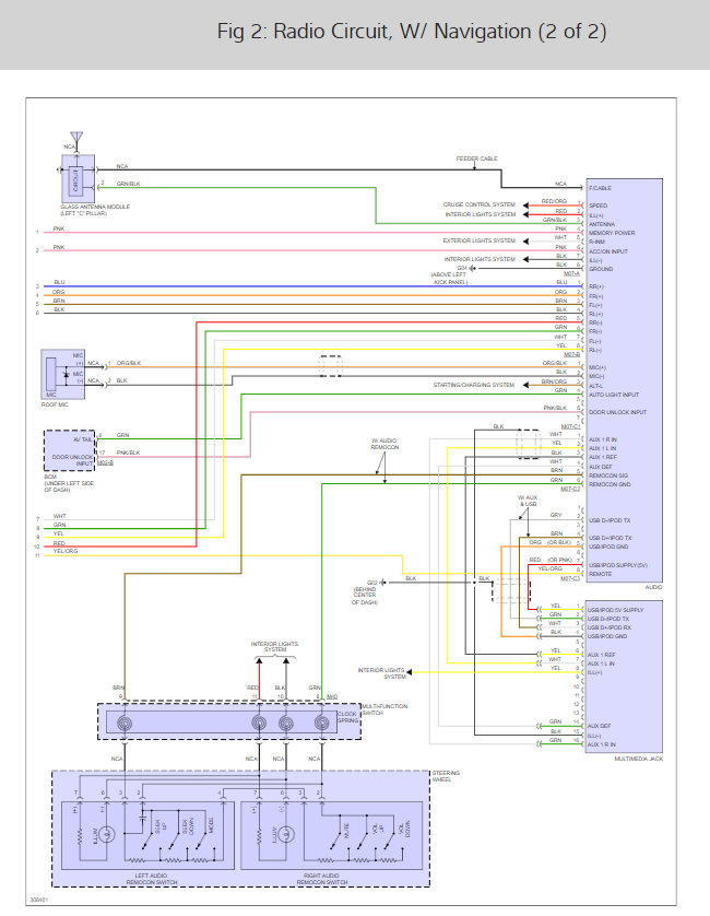
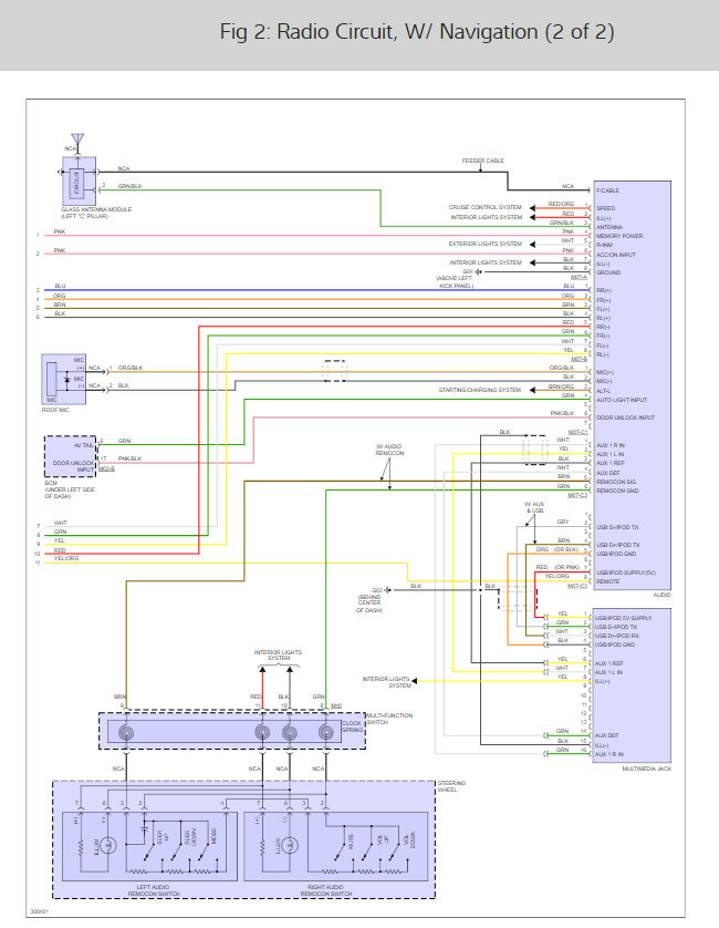
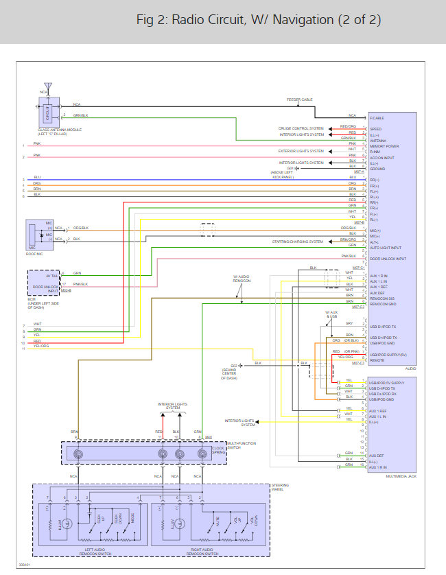
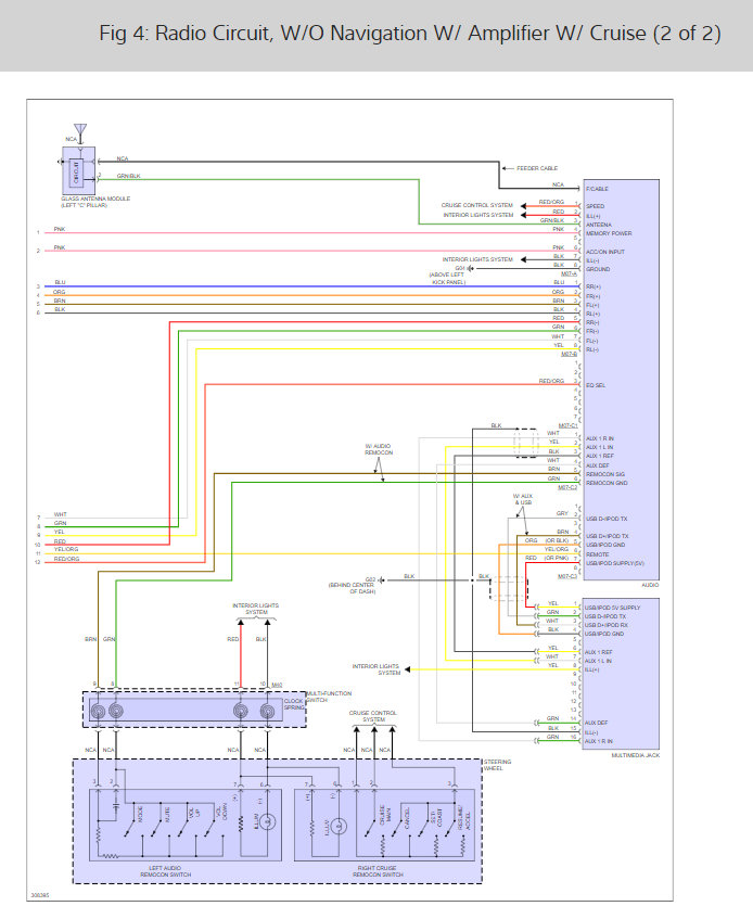
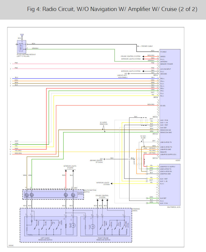
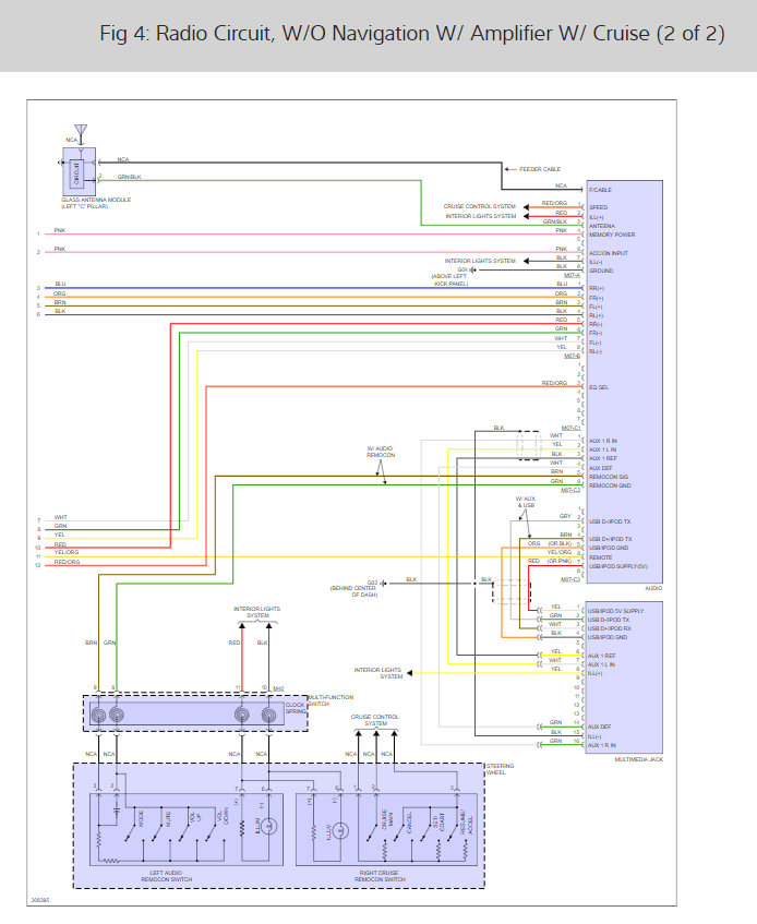
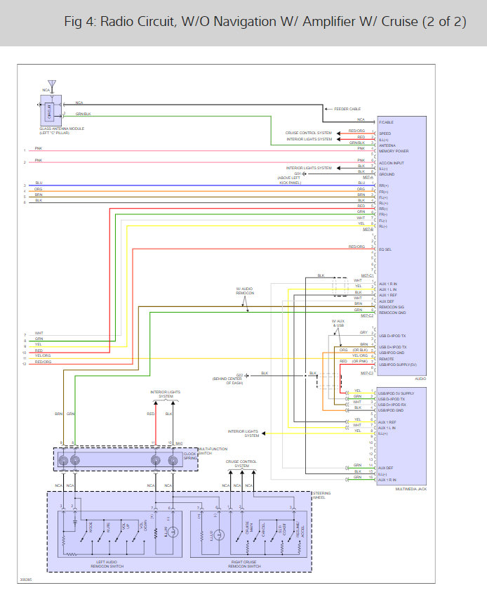
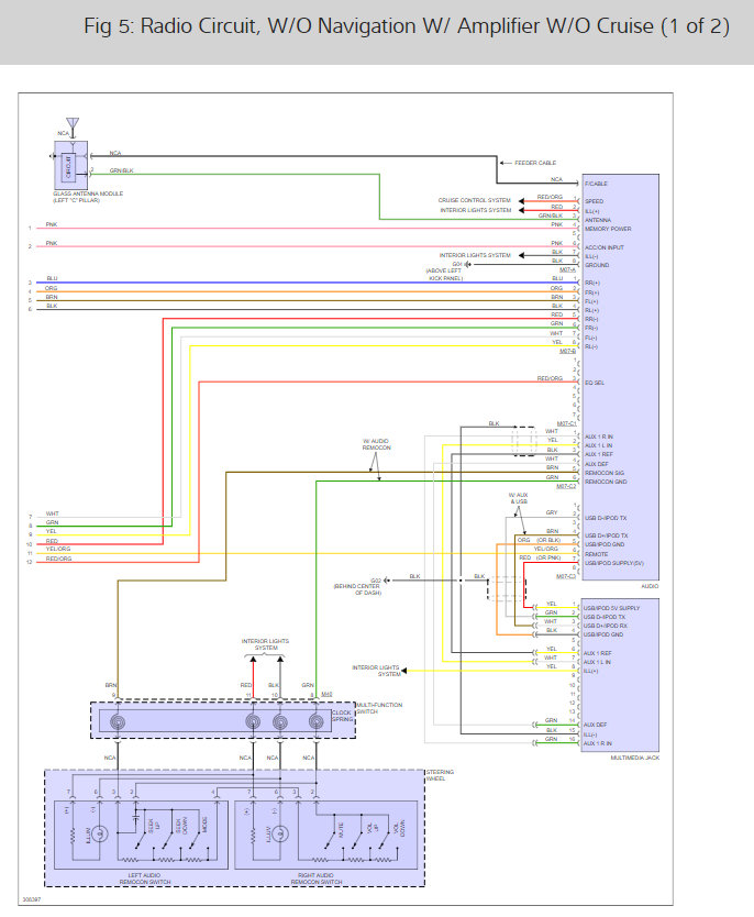
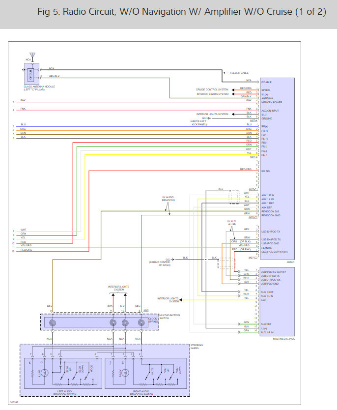
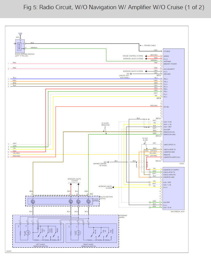
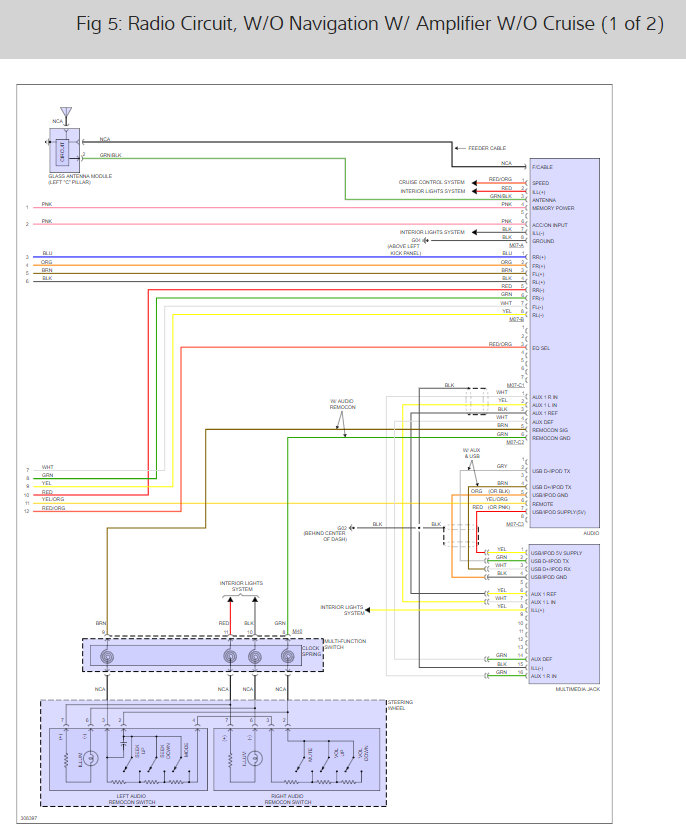
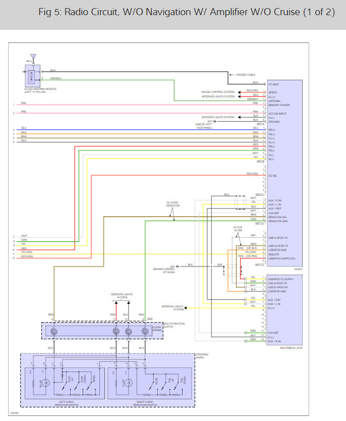
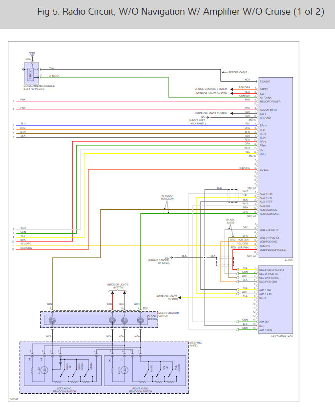
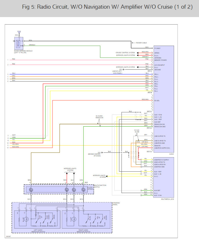
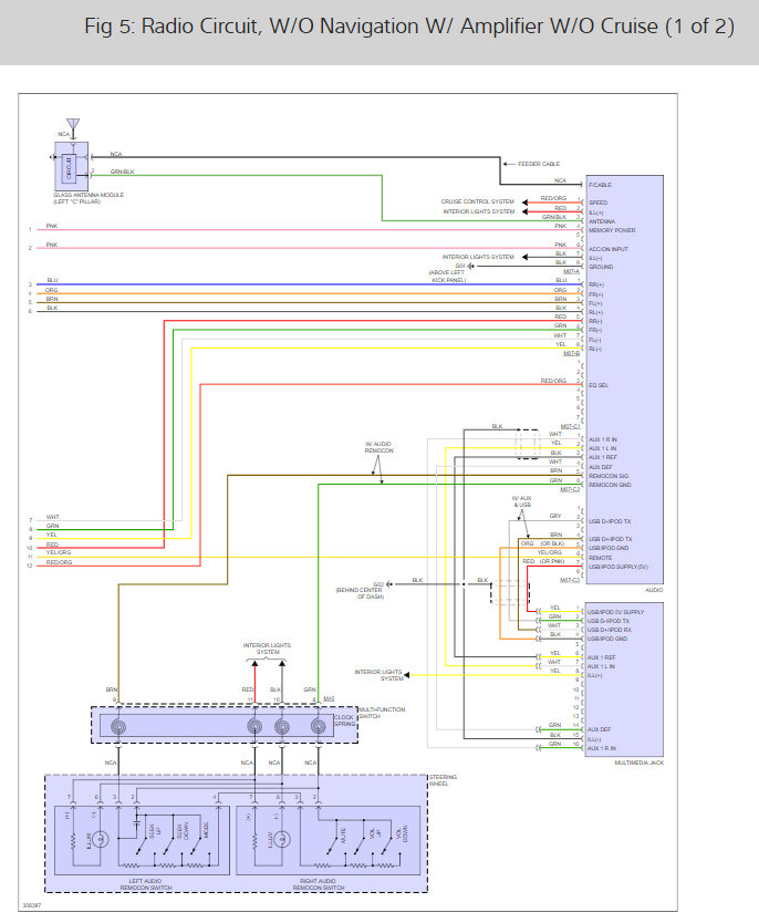
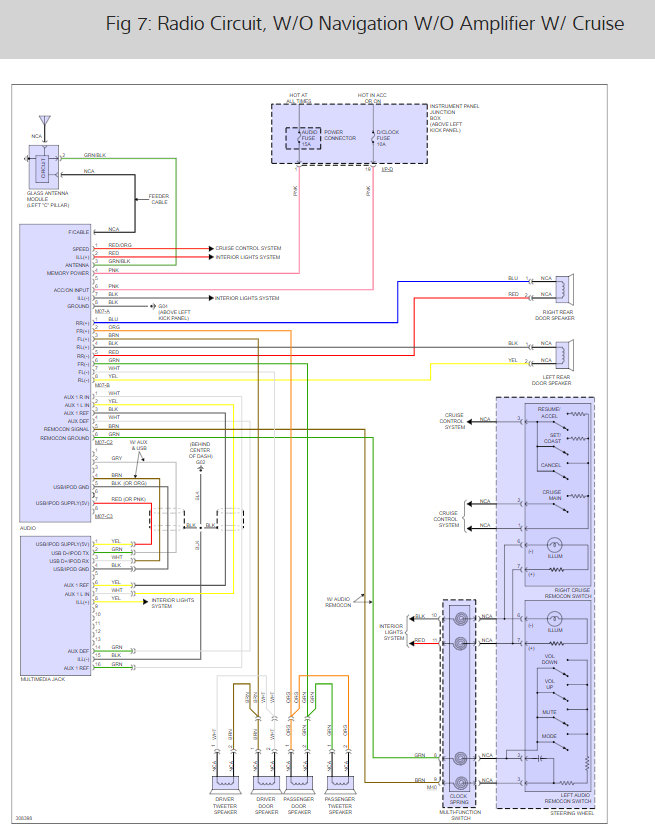
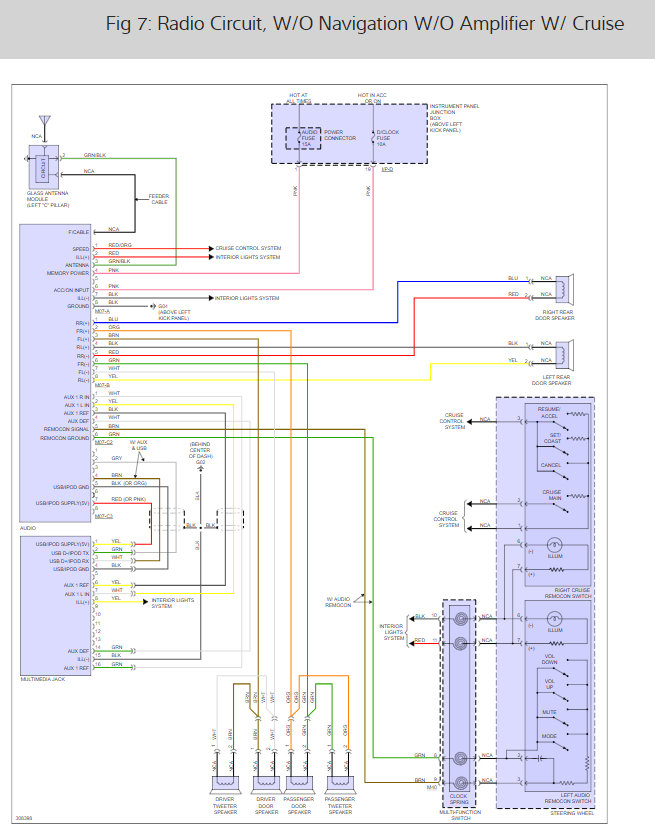
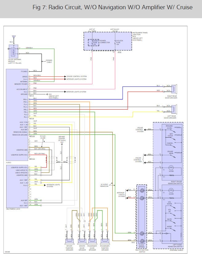
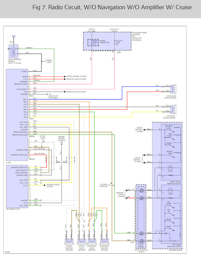
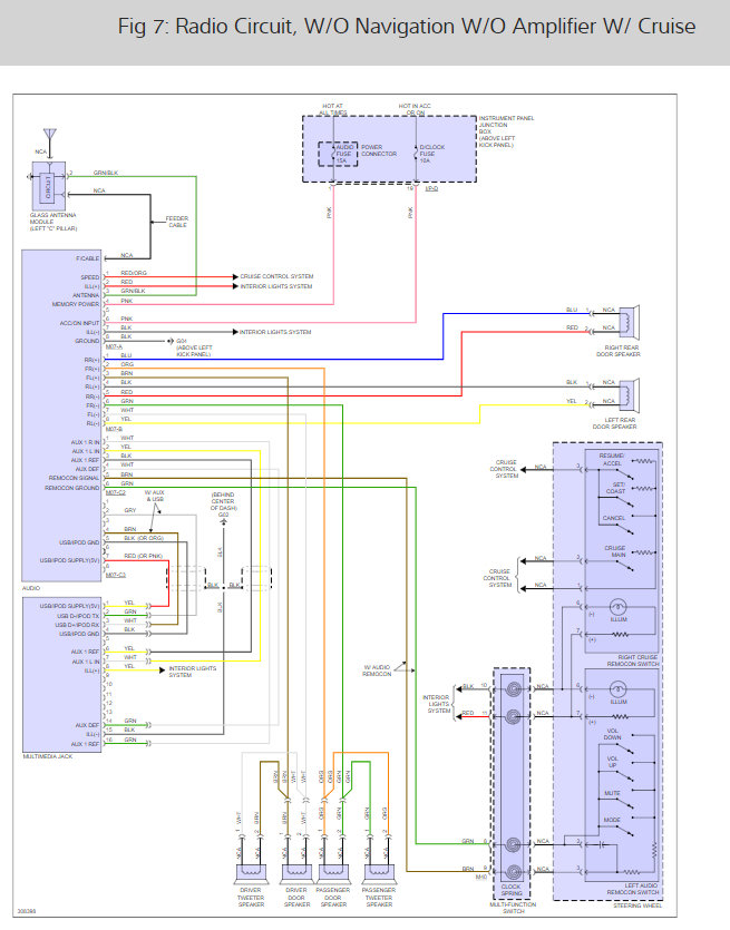
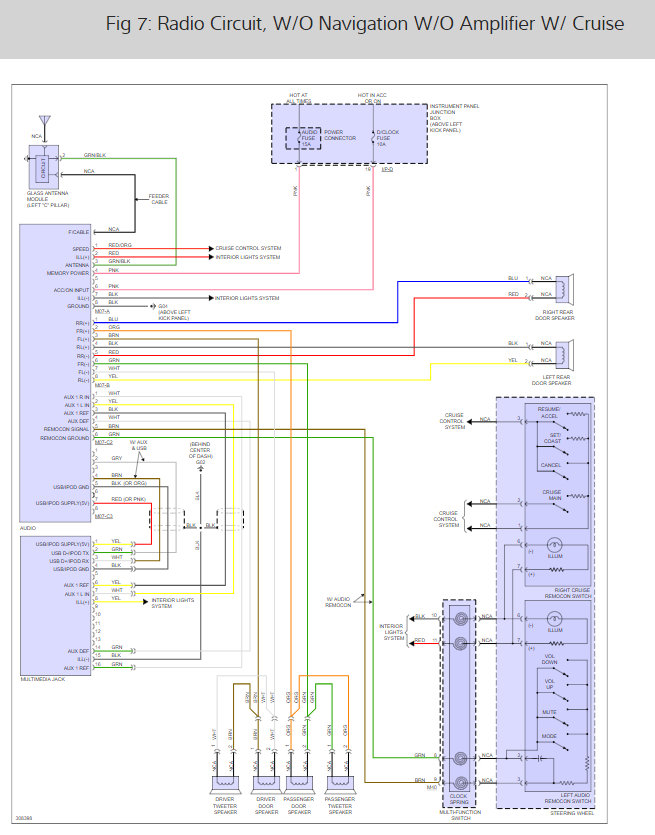
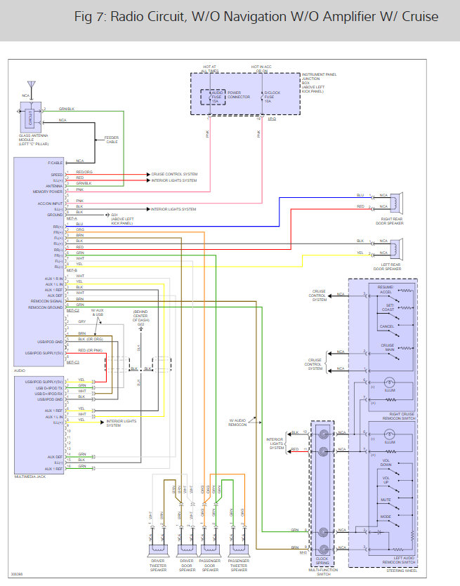
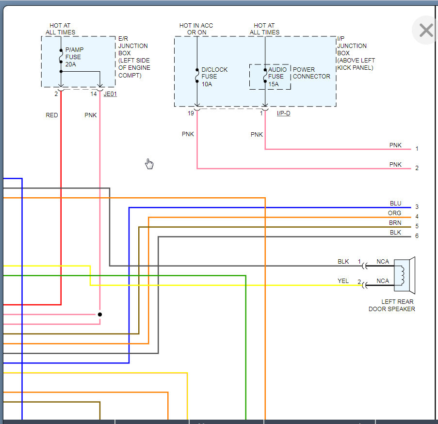
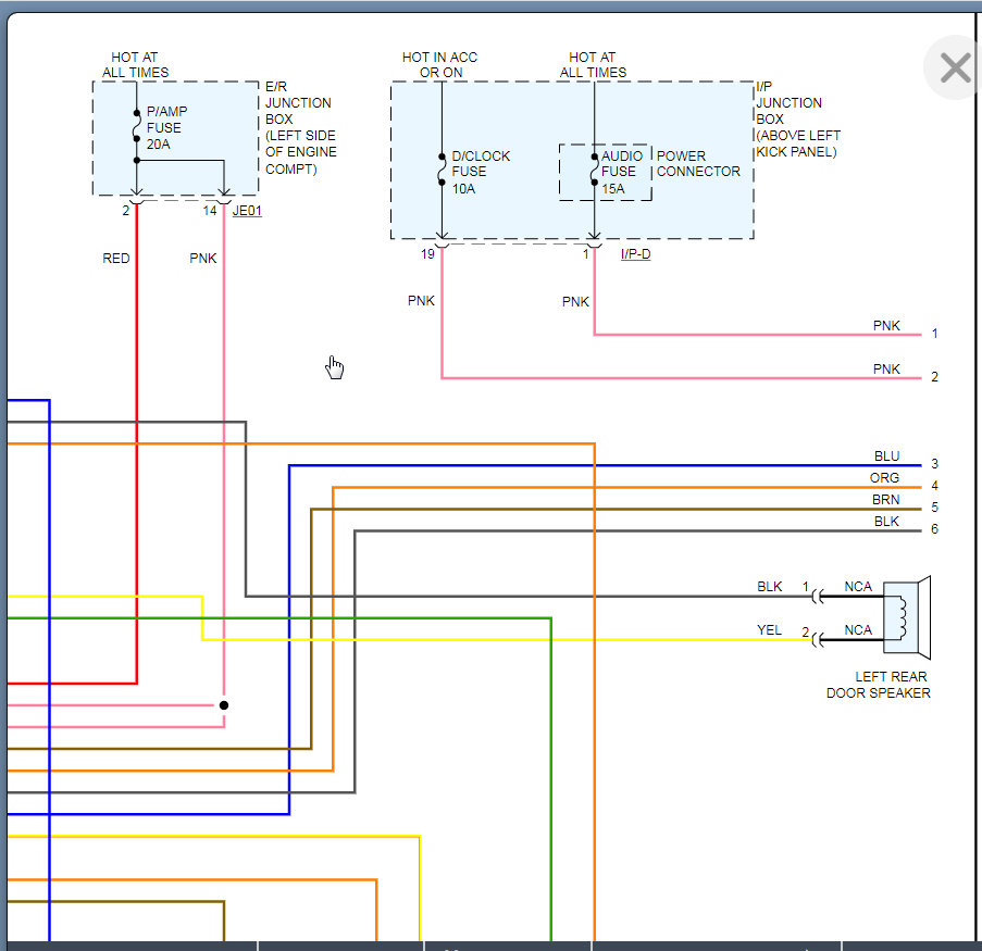
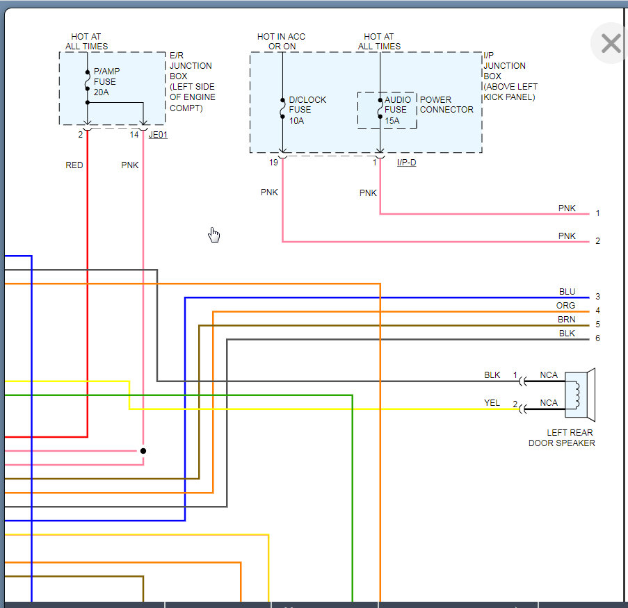
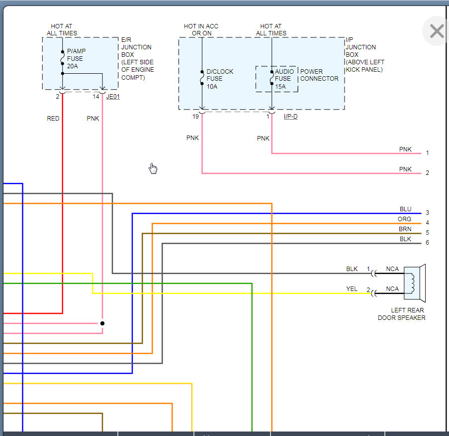
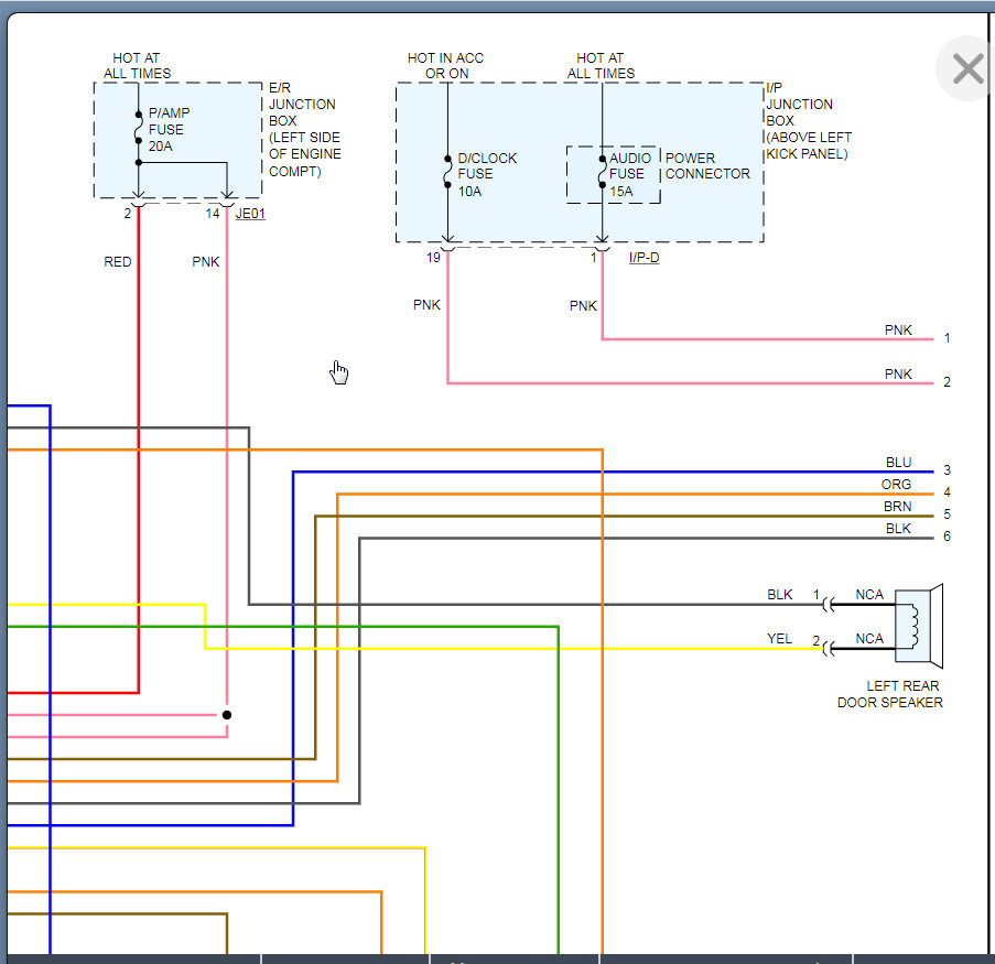
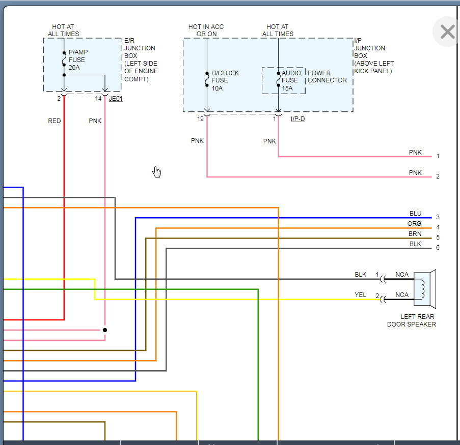
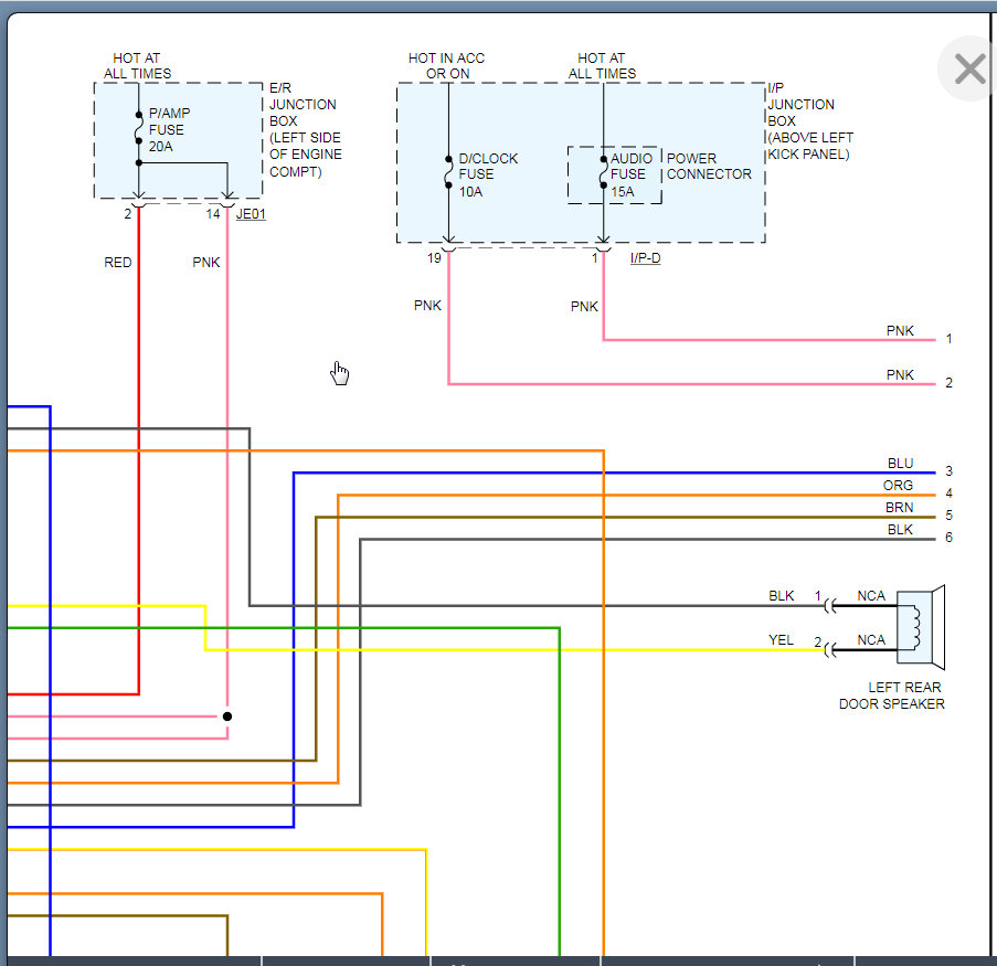
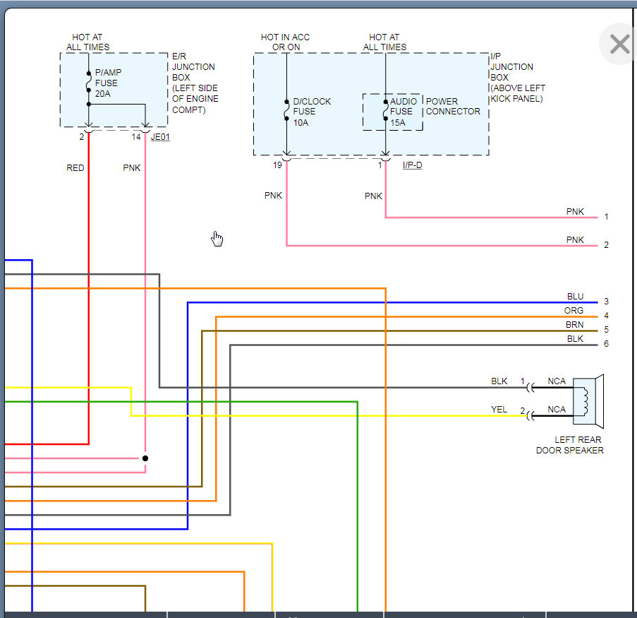
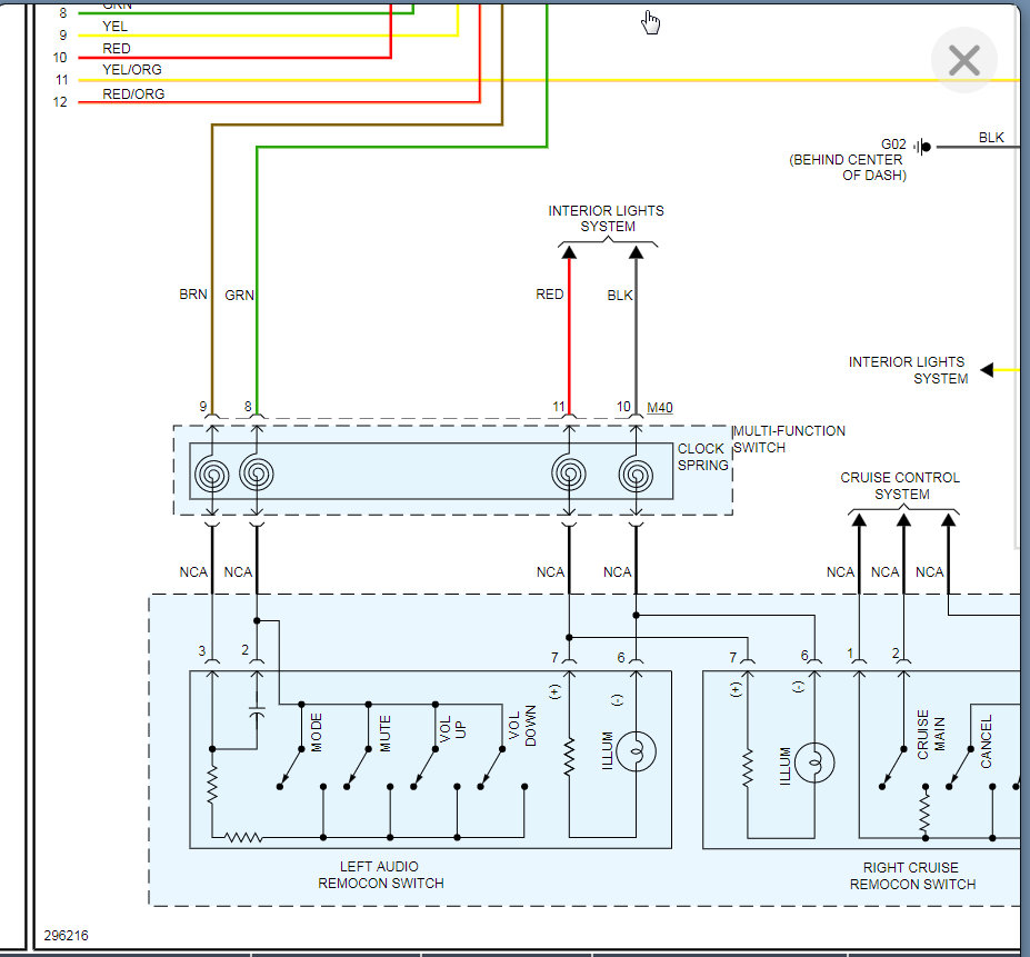
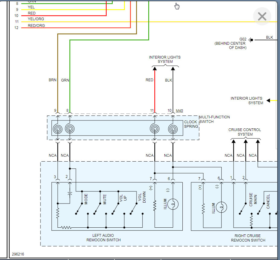
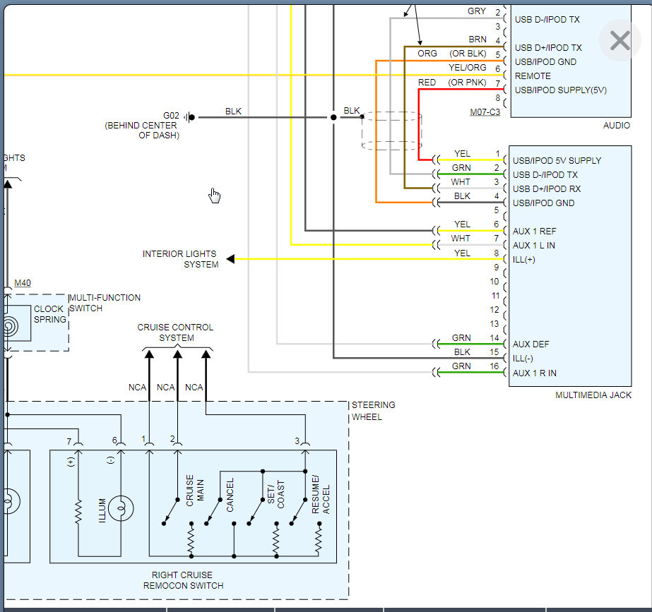
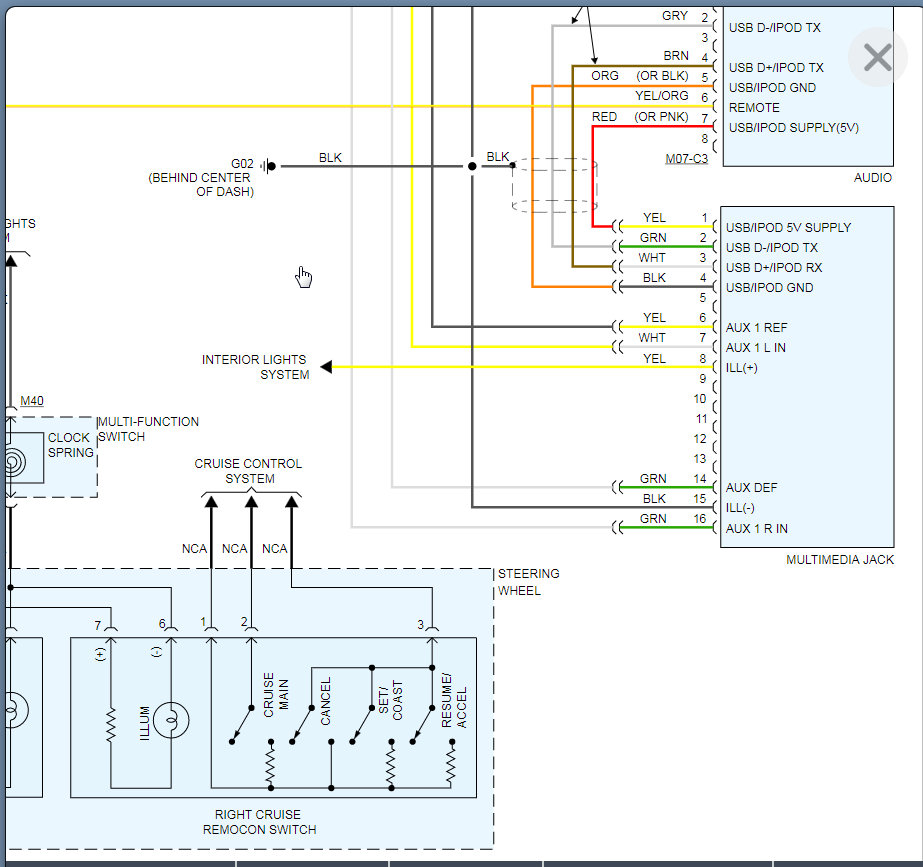
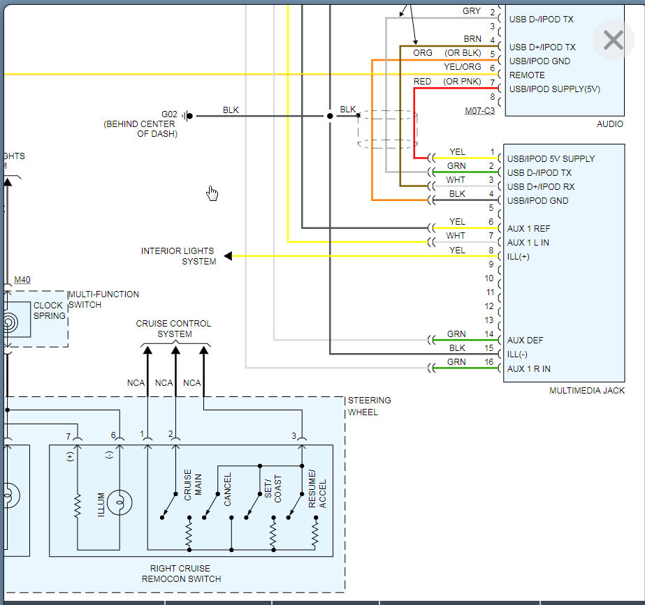
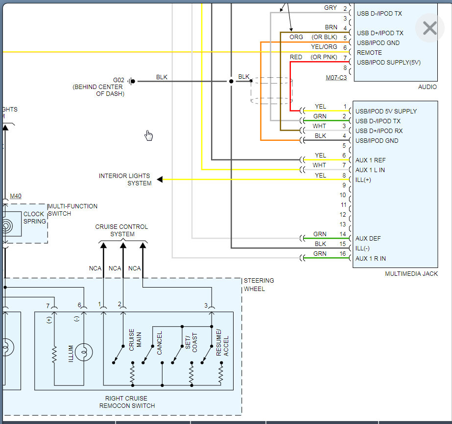
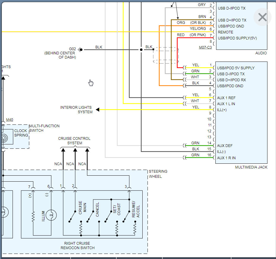
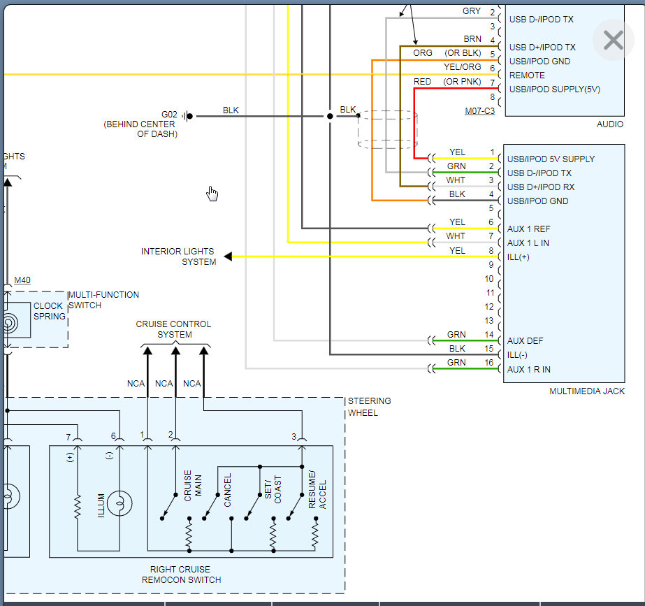
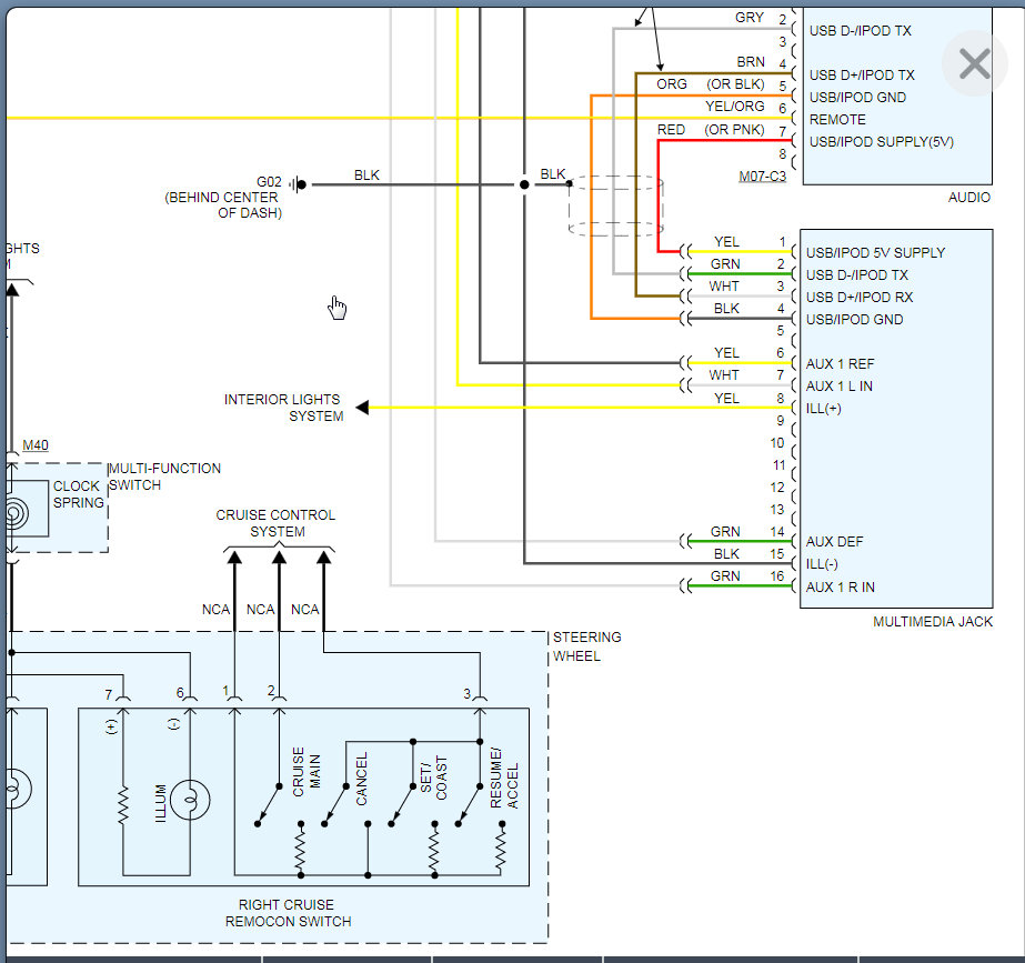
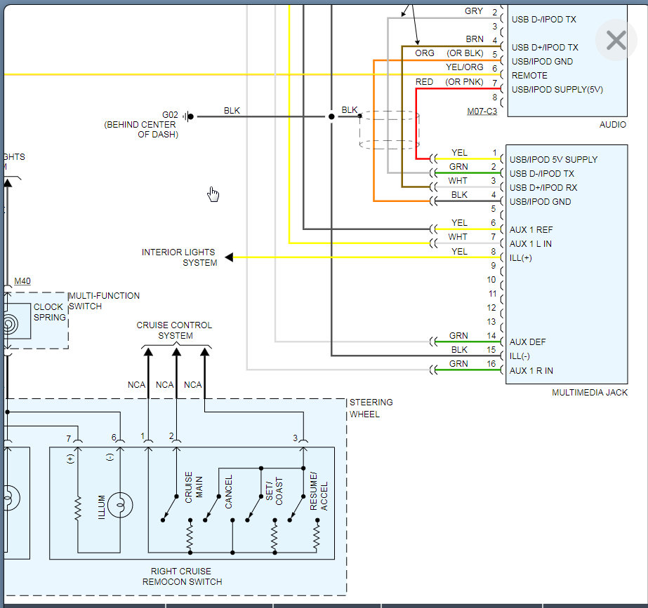
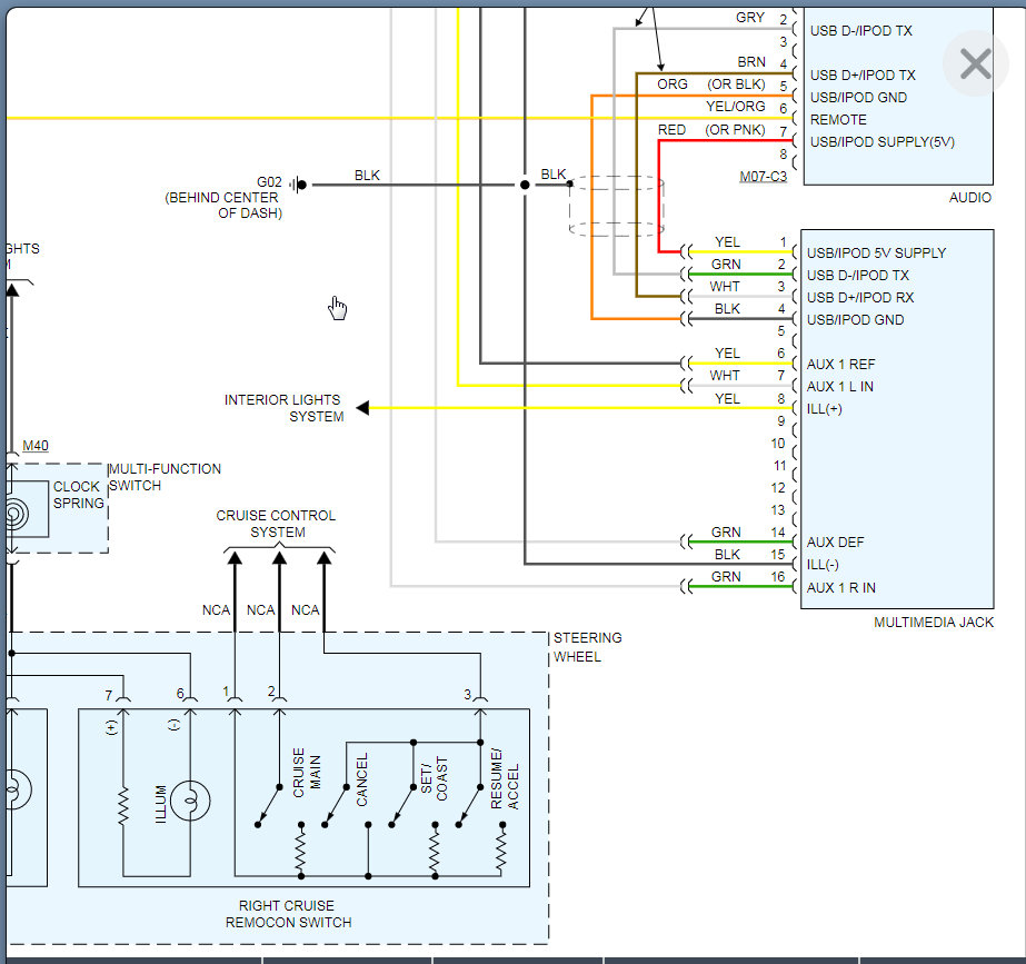
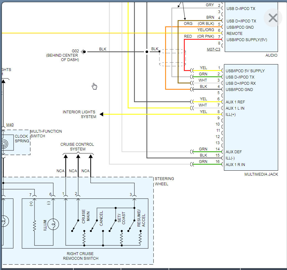
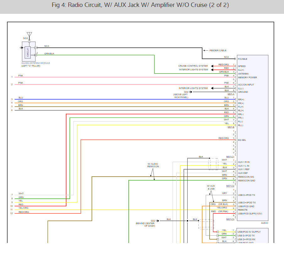
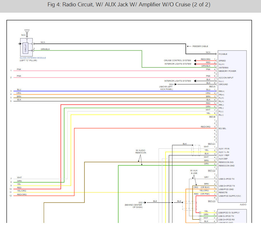
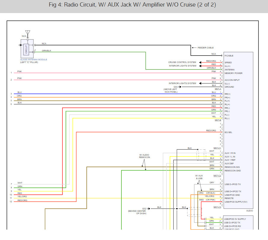
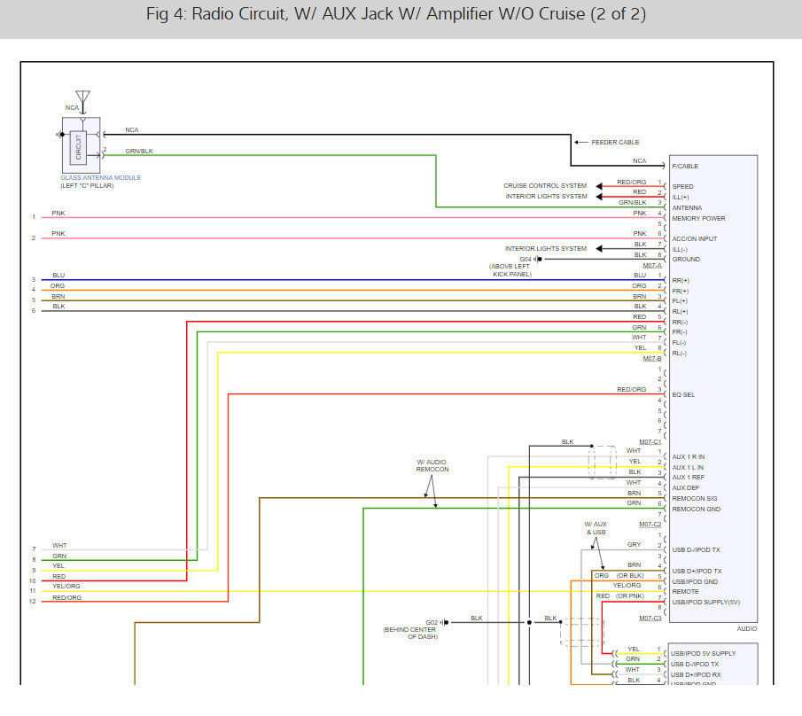
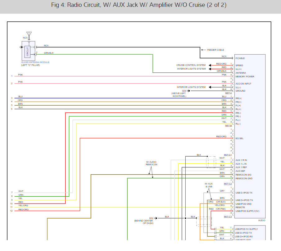
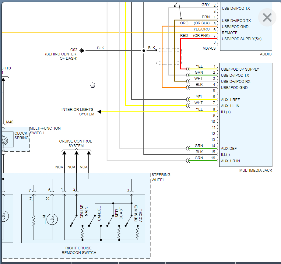
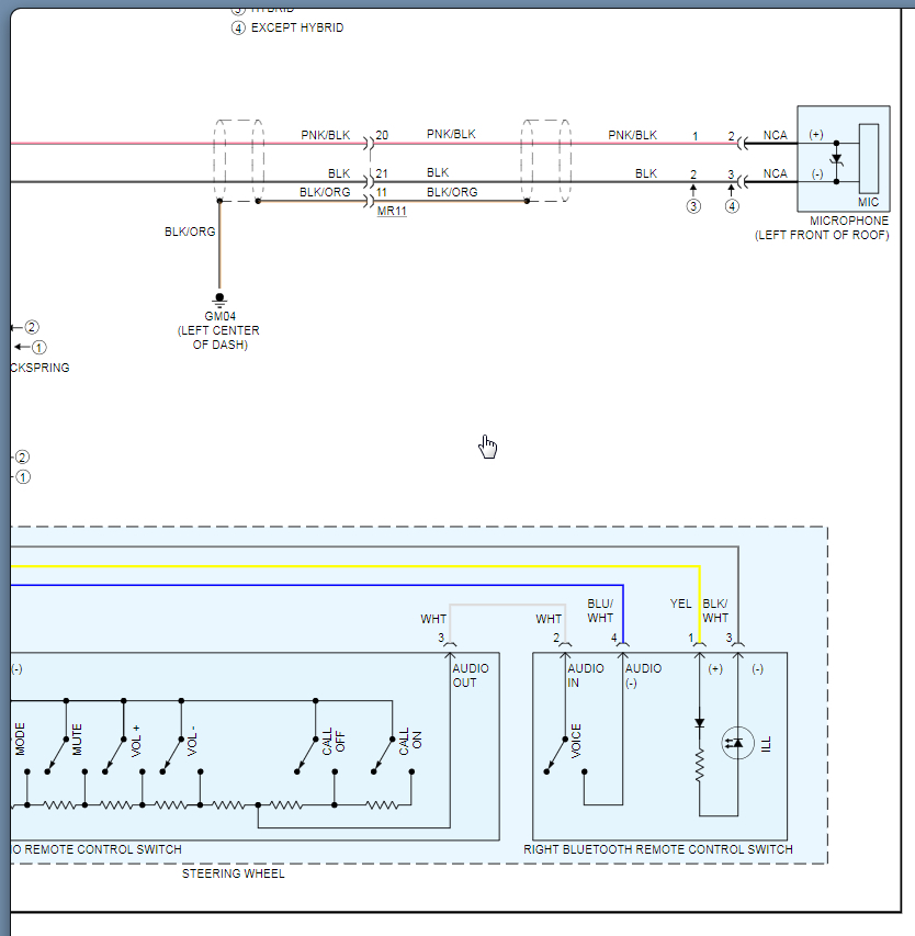
Car listed above is an SX with Harman/Kardon and sub woofer. Just looking to add subwoofers using a full range speaker. I need the rear speakers wire colors.
































































