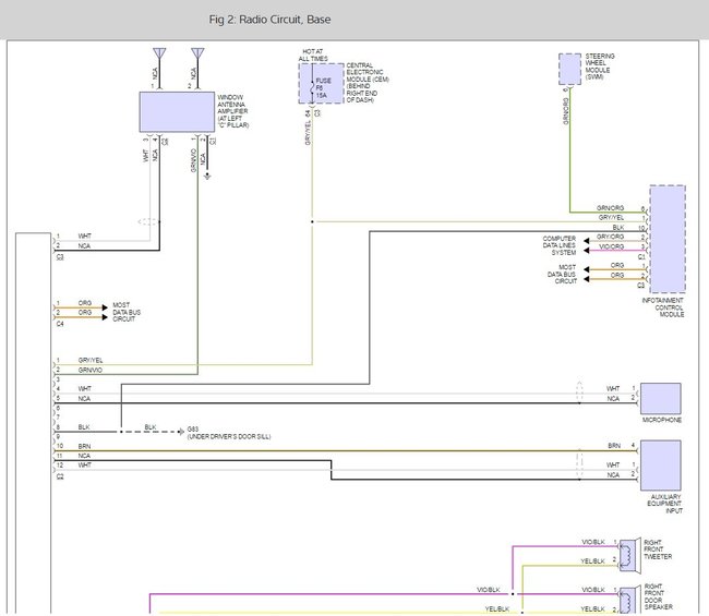
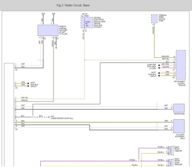
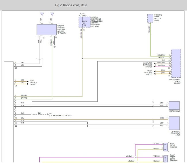
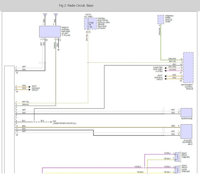
Sunday, March 19th, 2017 AT 5:15 AM
My radio switch off after work for thirty seconds. If I switch off and switch on again the engine the power back and the radio play again. After thirty seconds he switch off again. But he only switch off the radio not the display all. I see the fuses box and are all good. Some help please.




